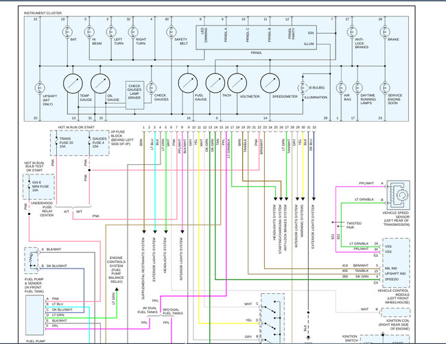
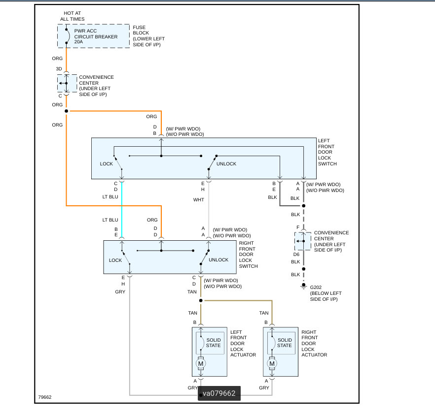
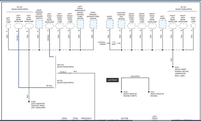
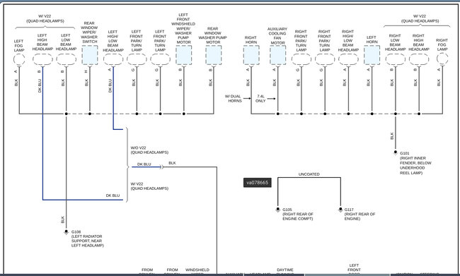
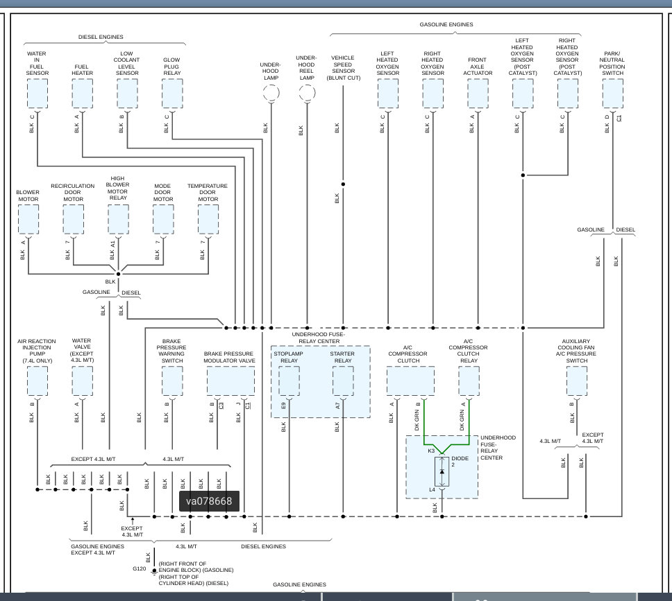
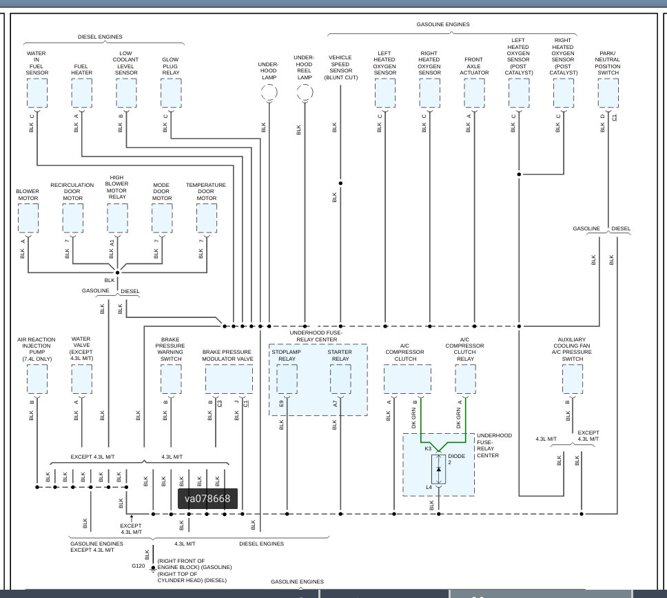
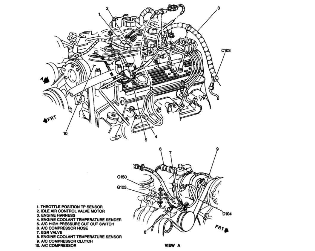
I just swapped everything from 1998 k1500 onto 1996 k1500 frame. 1998 had frame damage. 1998 was running fine before the swap and now it has gone from a start and immediate stall out (quicker if you press gas). I since have checked the harness and made sure plugs match. made sure ground is going from battery to front of motor beside timing chain and to fender. the next one go's from the second bolt on the head on passenger side down beside starter to frame. the third from right below the heater coil hoses to same bolt on frame as the second ground. now the problem has become a want to start then chatter from solenoid like low power plus doors lock unlock, erratic gauges. what are your thoughts on this? I suspect that the 2 grounds #2 & #3 are not supposed to be grounded together.
Jan 6, 2020 at 5:11 PM













