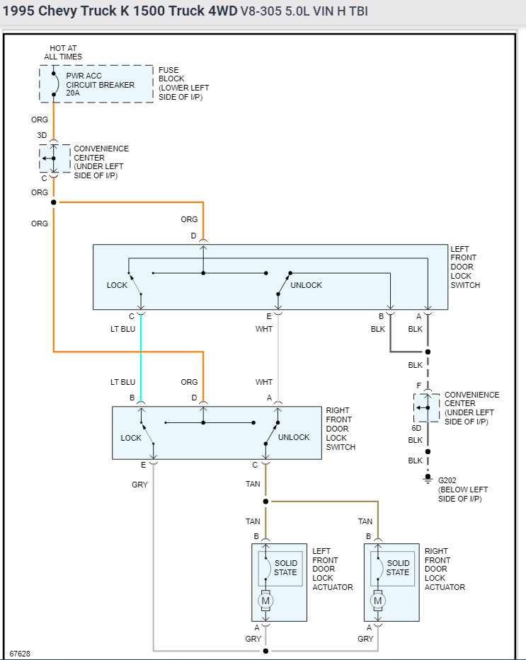
The Circuit Breaker gets extremely Hot if I don't pull it from Fuse cluster. I just put a new circuit breaker in. Why would it get That hot. Once it opens shouldn't it get cool?....Where would the best place to look for the short/open?....Both items work ( power locks /and drivers seat)...+ when I 1st installed new cber.
Dec 17, 2015 at 11:48 AM

