When I try to switch on the climate control while truck is running I hear a loud click hazard lights cone on radio display goes blank and cannot to shift from park

2006 FORD F-150
156,963 MILES • 4.6L • V8 • 4WD • AUTOMATIC
Avatar
MVANN74
  • MEMBER
  • 65 POSTS
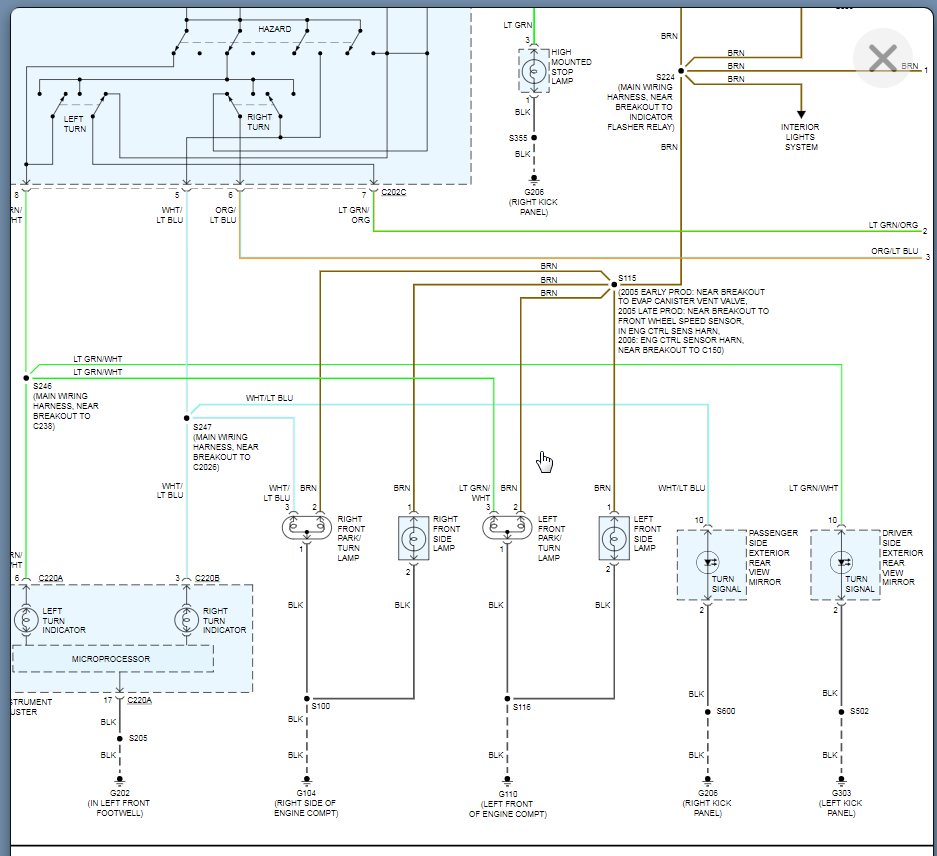
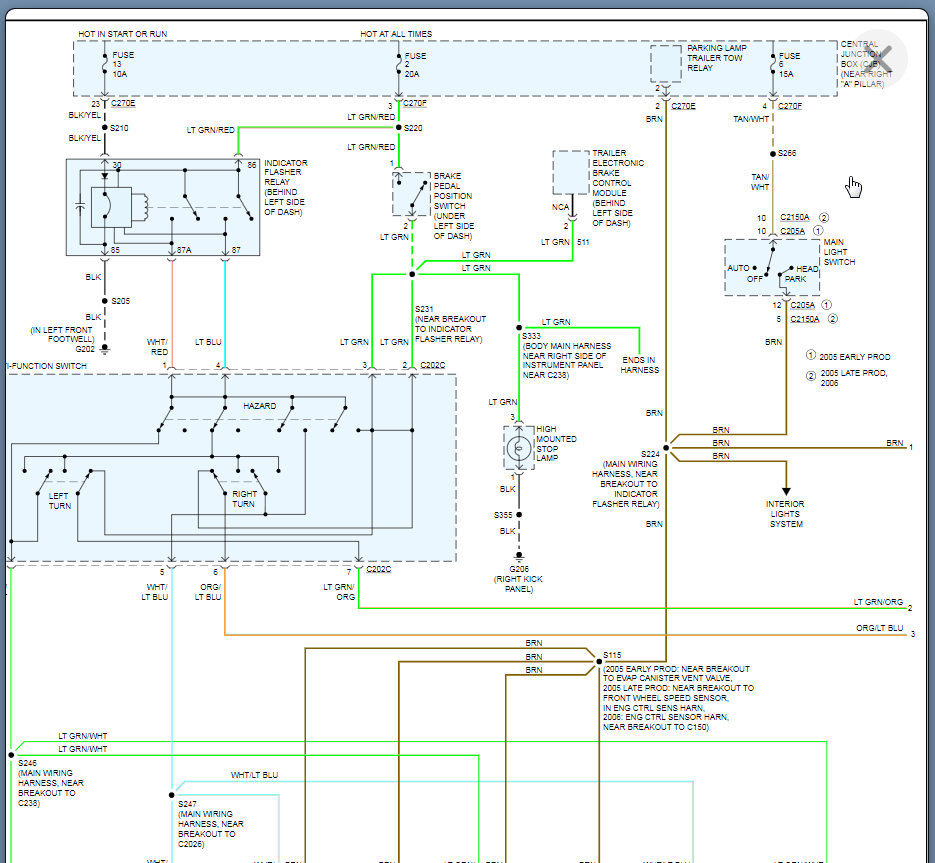
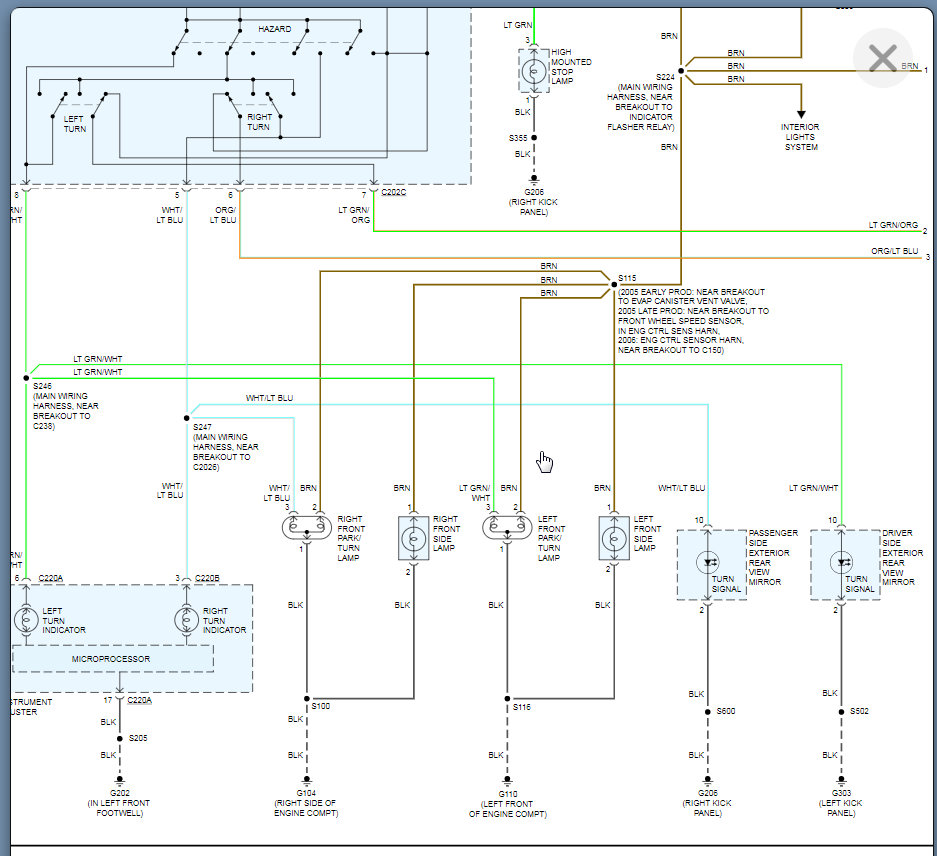
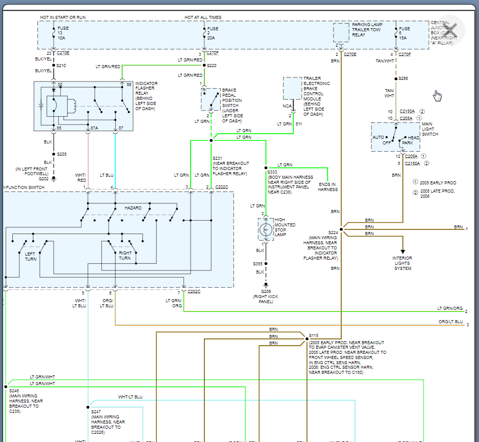
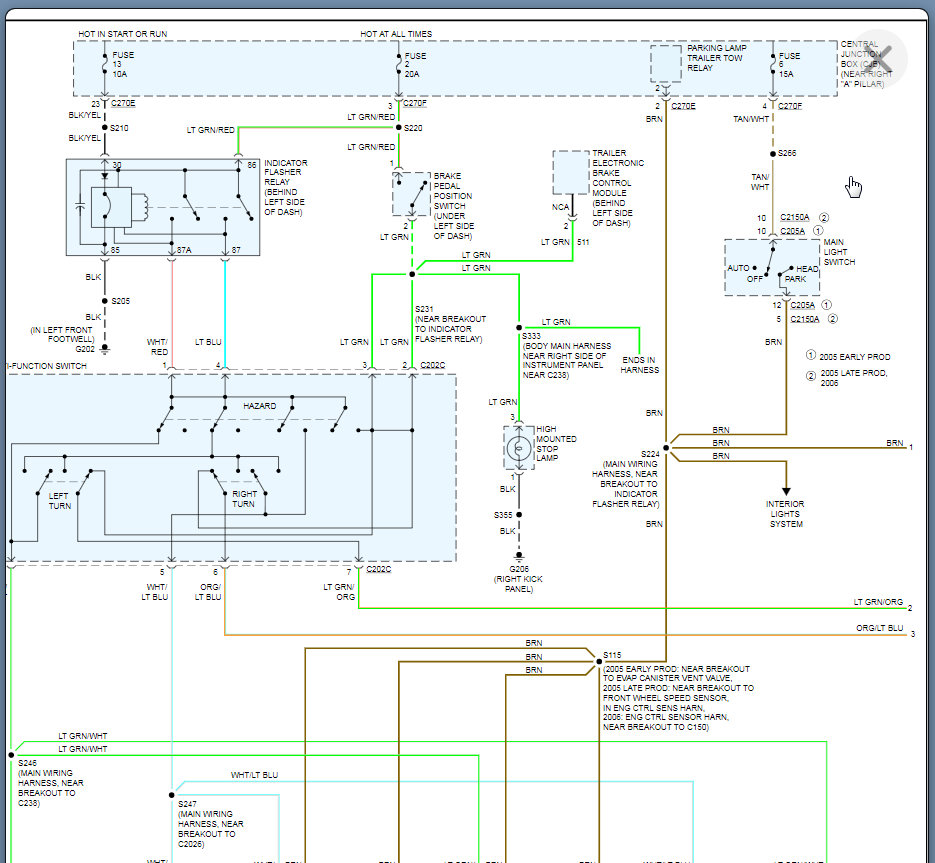
I pulled the relays and when I got to relay #6 and pulled it the problem ceased. Put the relay back in problem resumed. Tested relay. Swapped relay with like ones relay is good. I'm stumped. What could be the problem?
Apr 28, 2021 at 7:00 PM
Advertisement
Avatar
KASEKENNY
  • CERTIFIED EXPERT
  • 18,907 POSTS
You said relay 6 was removed and the issue stopped. Do you mean fuse 6? Can you get a picture of what you are looking at or removing?

I suspect this is the case because they normally don't number relays but they number fuses. If it is the I would replace the light switch as this fuse runs this switch which in turn powers the lights.

However, if this is not correct seeing what you are looking at will really help figure out what this is controlling so that we can narrow it down.

Thanks
Apr 30, 2021 at 7:06 PM