When I turn on the fogs the cluster lights and the dimmer stops working

2000 FORD RANGER
430,000 MILES • 3.0L • 6 CYL • 4WD • MANUAL
Avatar
CREYES35
  • MEMBER
  • 1 POST
Truck’s cluster lights work, the dimmer works until the fog lights are turned on, once the fog lights turn on the cluster turns off entirely and fog lights are very dim, used to work right until I hit a deer.
Feb 9, 2022 at 5:46 AM
Advertisement
Avatar
KASEKENNY
  • CERTIFIED EXPERT
  • 18,907 POSTS
If this only happens when you turn the fog lights on, then you more than likely have a short in the fog light circuit.

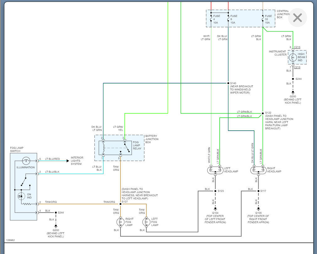
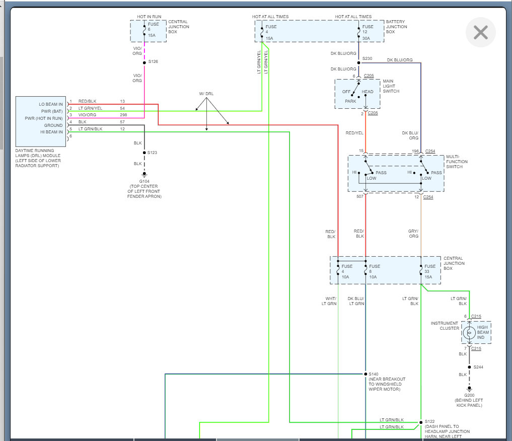
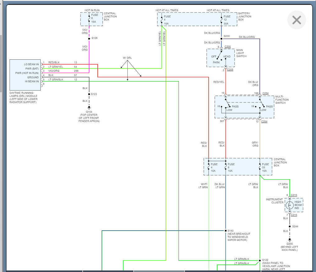
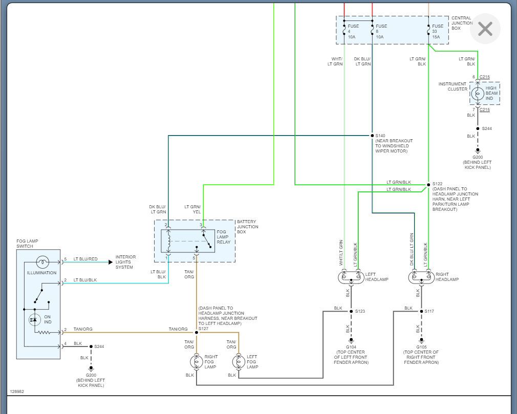
Basically, we need to take the wiring diagram below and test the wiring for a short when they are on.

Here is a guide that will help with this:

https://www.2carpros.com/articles/how-to-check-wiring

I suspect this is a short to ground since you hit a deer, and this started.

More than likely, you have a pinched wire somewhere so I would inspect the entire area where the deer hit and find the wiring that is close.

You may not find an actual pinch point but there would have to be damage in the harness or the ground itself.

Please run through this and let us know what you find.

Thanks
Feb 10, 2022 at 7:59 AM