☰
Login
Join
×
Home
Answered Questions
Repair Topics
Repair & Service Guides
Popular Questions
Warning Lights
Trouble Codes
How It Works
Testing / Diagnostics
Symptoms
Videos
Login
Become a Member
Home
Ford
Focus
Exterior Light
Brake Light
Not Working
No brake lights
2004 FORD FOCUS
200,000 MILES • 2.0L • 4 CYL • 2WD • AUTOMATIC
SIDNEYS
MEMBER
1 POST
FOLLOW
No brake lights, no power windows, no heater blower fan, and car will not come out of park.
Aug 26, 2017 at 5:34 PM
Advertisement
STRAILER
CERTIFIED EXPERT
53,854 POSTS
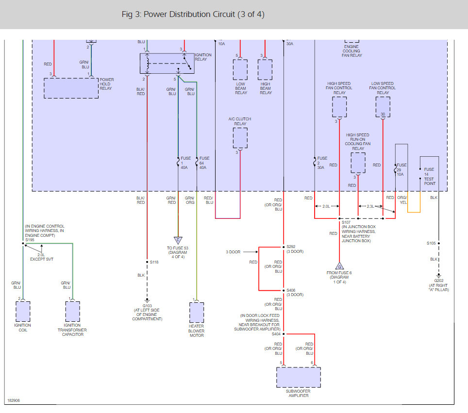
It sounds like you have fuse #1 40 amp that is out. Here is a guide and some diagrams (below) to help you get the problem fixed.
https://www.2carpros.com/articles/how-to-check-a-car-fuse
and
https://www.2carpros.com/articles/how-to-use-a-test-light-circuit-tester
Here are the fuse locations.
Please check it out and get back to me.
Cheers, Ken
Images (Click to enlarge)
Aug 28, 2017 at 4:56 PM