After disconnecting the battery multiple accessories stopped working

2007 DODGE NITRO
123,000 MILES • 3.7L • V6 • 4WD • AUTOMATIC
Avatar
MATTCAREY1655
  • MEMBER
  • 25 POSTS
Everything's been going nuts at first all I was doing was unhooking the battery completely and I was replacing some fuses. When I went to reconnect, I believe I set the alarm system off and when I reconnected the horn blue constantly if it didn't blow the horn, it was still no power, no nothing. inside when you put the key in no lights no nothing. then I finally got the dash lights to come on and it seemed like every single one was on including a no bus. so, I went through, and I replaced all of the rotted grounds. That got rid of the no bus but all the other stuff was still the same so now I've got everything ripped apart cleaned all connections and I'm currently putting it back together. I just want to make sure I put it back together properly. I'm just having a rough time on my own I don't know where to turn.
Sep 30, 2021 at 8:21 AM
Advertisement
Avatar
AL514
  • CERTIFIED EXPERT
  • 5,465 POSTS
Hello, is this sub model the SLT or SXT?
And what are you still missing now that you've gotten rid of the BUS error message?

I'm looking at the SXT sub model diagrams. The first thing that I noticed here on this diagram, I went right to where the ignition switch receives its power, is that it's powered up from the TIPM (totally integrated power module) from fuse M27 (10amp). And I know these TIPM's have had major problems. You might want to take a look at the bottom of the TIPM for corrosion issues. If you're already finding bad grounds, then other circuits are corroded too. You'll notice on the diagram that the ignition switch feeds the Remote Key entry, so part of the security system right there.
I'll keep adding updates as we go here,

Here's a couple more diagrams where power is fed right to the Horn control, out on 2 circuits to fuses M23 & M22
Next diagram is TIPM to ECM CAN bus C and on the right side is the Data Link Connector.
If you have a Scan tool, are you missing communication with any modules?

And of course... the Body Control Module is built into the TIPM. (last2 diagrams).
Sep 30, 2021 at 12:29 PM
Avatar
MATTCAREY1655
  • MEMBER
  • 25 POSTS
See that's the thing I was having all types of troubles with the security system and the remote start so I uninstalled them, and I probably shouldn't have but they looked to be aftermarket to me. There is no corrosion under the tip of him I've had it disconnected and reconnected many, many times I've been going through and cleaning all my connectors and everything right now I'm in the process of putting it all back together again but last time I put it together as soon as I connected the horn blue constantly. And I got rid of the no bus but pretty much every other light was on and no crank no start sometimes when I put the key in and try to start it there's no lights at all on the dash like no power whatsoever so I'm hoping I'm doing this right.
Oct 1, 2021 at 11:42 PM
Advertisement
Avatar
MATTCAREY1655
  • MEMBER
  • 25 POSTS
Also, I'm pretty sure it's the SXT because of the trim on it.
Oct 1, 2021 at 11:43 PM
Avatar
MATTCAREY1655
  • MEMBER
  • 25 POSTS
I don't have scanning tool I plan on getting one soon I've been doing this all on researching and diagnosing.
Oct 1, 2021 at 11:52 PM
Avatar
MATTCAREY1655
  • MEMBER
  • 25 POSTS
Pics.
Oct 1, 2021 at 11:54 PM
Avatar
AL514
  • CERTIFIED EXPERT
  • 5,465 POSTS
Are you sure the security system was aftermarket? I mean a 2007 is going to have a built-in security system. Does the security light come on when you turn the key to on position?


Trying to see where exactly you're at here. So how did this problem start? Or was this a car that came into your shop?
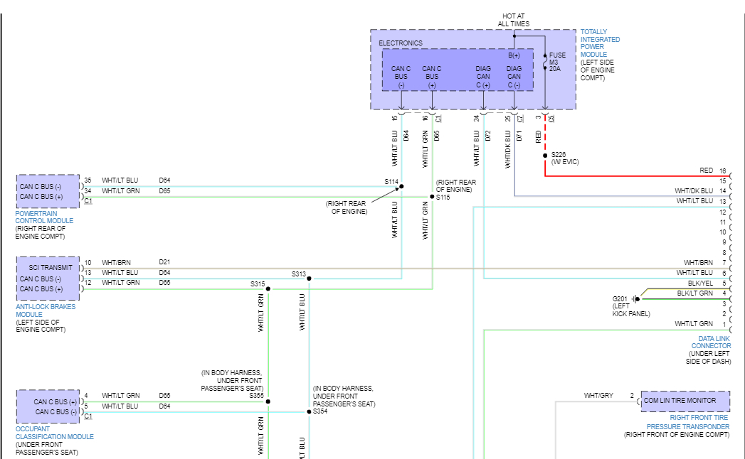
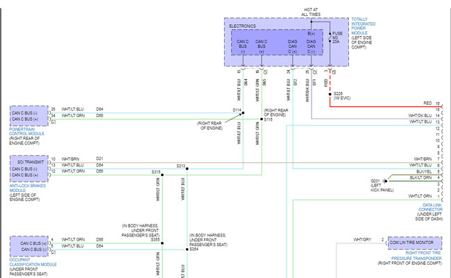
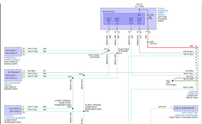
This car has three different types of CAN buses and 2 Lin Bus comms.
You may want to start with checking the ECM powers and Grounds and see if they're okay to begin with. It sounds like you're still having CAN issues though but check these powers and grounds first and see what you have and don't have. At least these you can check with a multimeter. The first two diagrams are the ECM powers and Grounds.

If you want to check the CAN Networks, you can use a multimeter to check the voltage levels on the CANbus high and low. But see what you have at the ECM first. I'm putting the diagram up for the CANBus circuits as well.
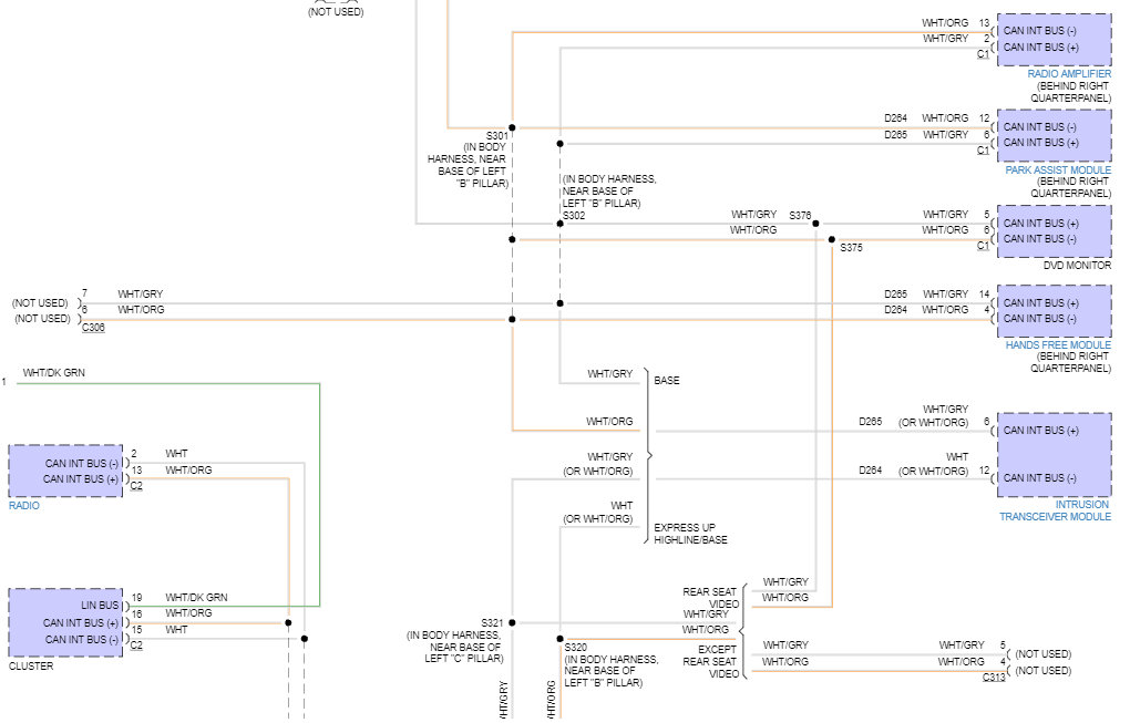
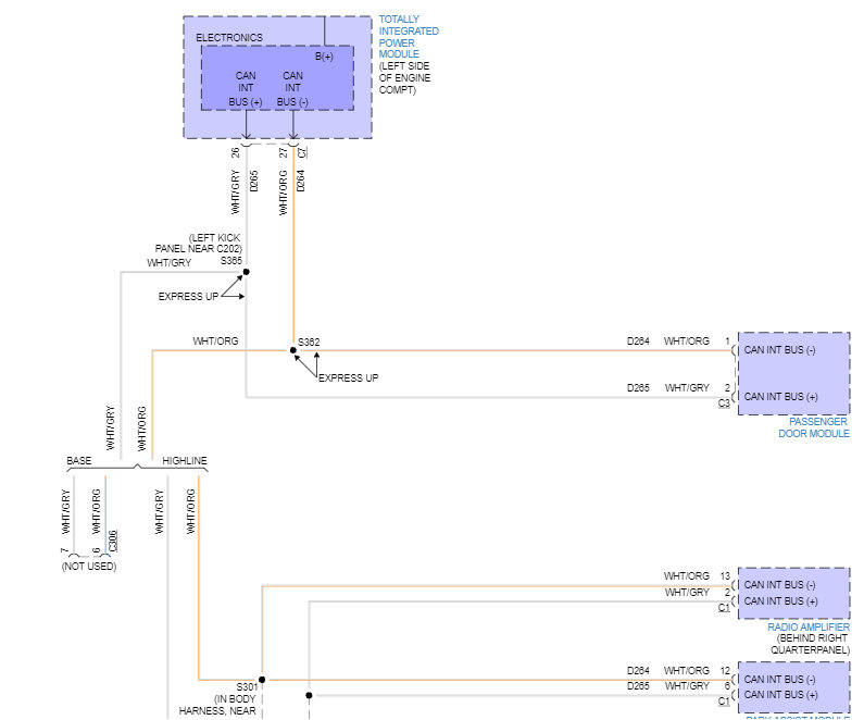
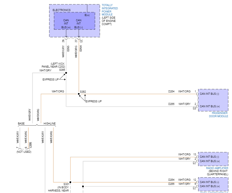
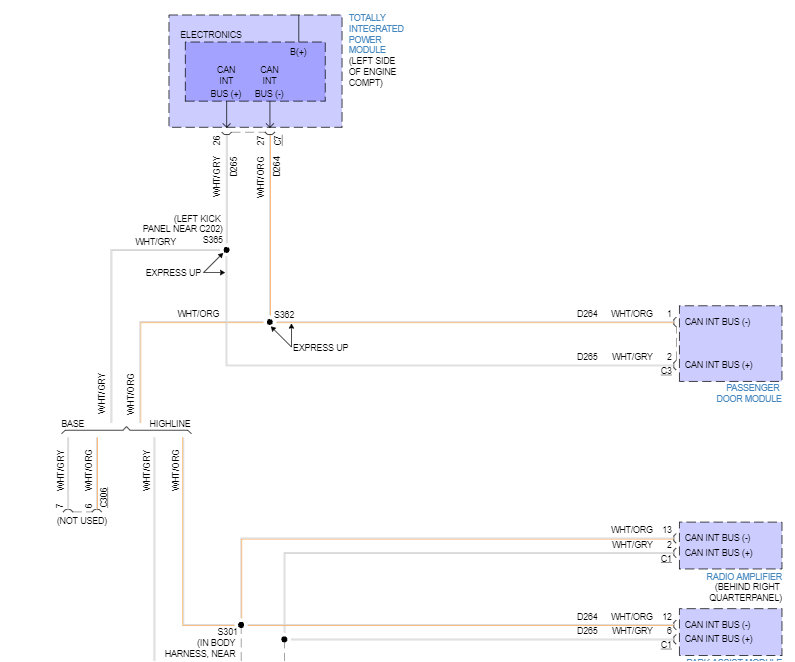
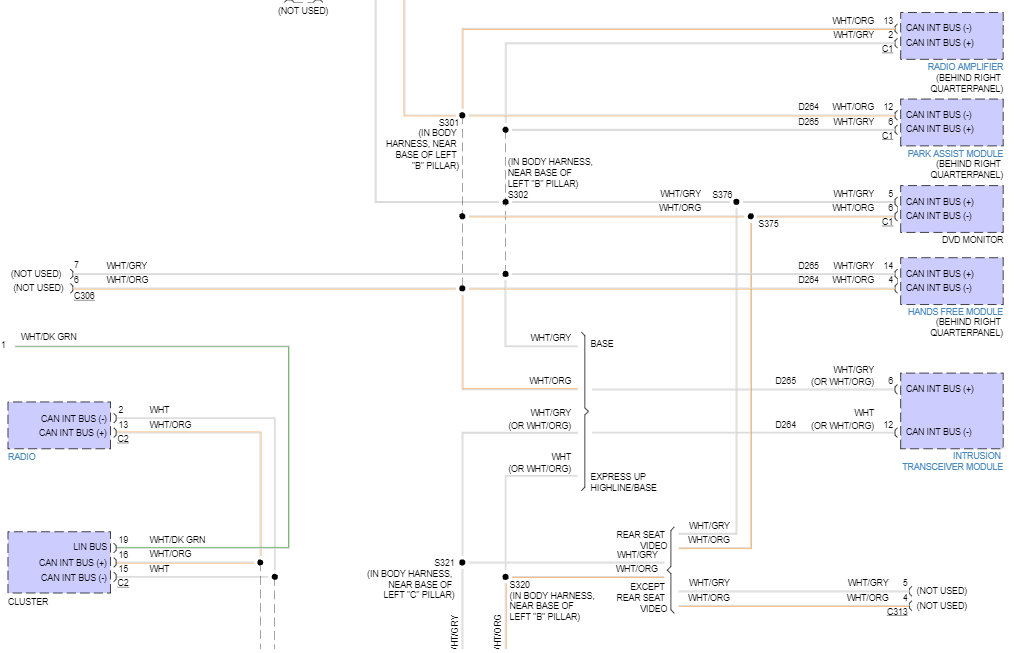
There is a CANBUS C, CANBUS DIAG and a CANBUS Interior. But the CAN C and the CAN Interior are the main high speed communication circuits in the car.
The diagrams after the CANBUS Voltage chart are all the network diagrams,
The first three are CANBUS C and the last three are the CANBUS Interior networks.

Oct 2, 2021 at 1:49 PM
Avatar
MATTCAREY1655
  • MEMBER
  • 25 POSTS
It looked aftermarket to me it was spliced into the factory harness. The problem started by me wanting to check fuses because the horn wasn't working once I got fuses in and the horn worked and I reconnect the battery the horn went nuts and the rear windshield wipers squirted and sounded like something else was turning on also I don't know if it was the fuel pump or anything I don't know but I'm at the point now where I need to start reconnecting everything I've gone through pretty much every inch of wire in the vehicle now I need to put it back together and put the battery in and I'll be able to tell you what happens when I put the key in but this is just a mess and no this is my personal vehicle. Me and my girl have been struggling for months trying to get this taken care of she's been riding scooters to work every day it's just a mess. Before this happened, we had no problems it runs great there's only a hundred and twenty thousand miles on it. Hope I didn't mess something up, but I've replaced all the grounds and stuff, so we'll see what happens when I reconnect everything it's raining here today but I don't even care I think I'm just going to go ahead and get everything connected back up rain or shine and get this done and taking care of. Thank you for all your information I will let you know as soon as possible what's going on once I have everything connected up again.
Oct 4, 2021 at 6:23 AM
Avatar
MATTCAREY1655
  • MEMBER
  • 25 POSTS
Another thing that I might want to add so that you know, the reason that I started checking all this stuff anyways is because her stupid ex-husband took the wheel well protectors out and left them out, so it went through an entire winter and summer all the rain all the snow all the sand and salt flying up all those holes right into the engine bay. He messed it up and that's why I was up in there cleaning everything out and then I discovered all the grounds that were just rotted. Literally just piles of rust even the ones inside because of all the stuff that was spilled I removed the carpet cleaned it dried it everything like I have pretty much restored this Nitro.
Oct 4, 2021 at 6:24 AM
Avatar
AL514
  • CERTIFIED EXPERT
  • 5,465 POSTS
okay, so did you have to replace some fuses that were blown? If that is the case, or fuses were already out, my guess is that those fuses were causing the issues you're having now, and someone may have removed them to get the horn to stop and the windshield cleaners etc.

I just need to know if fuses were already missing, or you replaced blown fuses? Because I really have no idea what problem you're chasing right now.

For instance, if there was a blown fuse and you replaced it, it could have damaged a circuit with the number of bad grounds you were talking about.
Is it possible her ex had taken out fuses and not replaced them because of some other issue?
Oct 4, 2021 at 8:42 AM
Avatar
MATTCAREY1655
  • MEMBER
  • 25 POSTS
It's possible but no. All the fuses were good but yes, the horn one was out because of how it kept blowing when battery connected. The issue I'm chasing is the fact that my truck will not start when everything is hooked back up. I cleaned connectors and everything. I'm working on it as we speak, I'll let you know exactly what's happening when I'm back to the point where I put the key in and see what happens.
Oct 5, 2021 at 10:13 AM
Avatar
AL514
  • CERTIFIED EXPERT
  • 5,465 POSTS
okay. well, just so you have a starting place. when I have a no start situation, I first determine if I'm missing spark, fuel, or compression, those three basic things, then I go from there. So, when you get it back together, if it cranks over, see if you have spark, since that's the easiest one to check first.
Also, the horn that won't stop might be your clue as to what is happening. Unless the vehicle ran before with the horn fuse out, I would say that's an issue with the security system,
You said you removed some part of a security system; do you think this could have been part of a remote start system? Because I'm reading a technical service bulletin about these trucks having a Mopar Remote Start system installed in them. And having issues with the horn sounding after installation of this system. I'm mentioning this because this truck does have a built-in alarm system, so I don't see why there would be another one added.
Can you tell me what fuse was removed to stop the horn from activating?

https://www.2carpros.com/articles/how-to-test-an-ignition-system
Oct 5, 2021 at 11:34 AM
Avatar
MATTCAREY1655
  • MEMBER
  • 25 POSTS
Thank you. No, it was not cranking over. At all. For a bit throughout messing with wiggling wires and tapping TIPM and inspecting wires, sometimes when reconnecting battery i get all lights on cluster. Check engine and air bag and the lightning bolt. I believe the red dot too. We're going to find out soon here. I've got just about everything connected and put back in, etc. There are one or harnesses. Like, the plug parts that come together, that I cannot figure out where I disconnected them from, very ashamed of myself for not taking pictures to keep track or something, because I'm lost. so now that's my last issue before even attempting to connect my battery. I want to make sure I've got all connections connected in the.right spot. is there any way to do this? Are there diagrams or anything I can refer to and understand, lol. Pictures. Anything. Haha. I can send you pics of the pieces I am referring to after I get this message finished. As for the fuses that I had removed for horn a while ago, I'll take a picture of the 2 10amp fuses it was. As of now, all fuses and relays that are supposed to be there are there all in working condition I believe, and all should be good to go with that. I see some light in my future here, I hope. Hearing about how long she's been without her car gets to me after a while, hahaha. But at the same time, I do understand. It has been difficult to say the least. Alright I'm going to get to the pic taking now. Thank you so much for your help thus far it is much appreciated believe me. she just paid this vehicle off and know that I've done the restoring and everything else to it in the meantime, she needs to keep it and let me keep upgrading etc., after we get it to start again of course. then we got winter coming. We need the 4-wheel drive for sure and it handles pretty darn good in the snow for me. Thanks again.
Talk soon.
Matthew
Oct 6, 2021 at 7:49 PM
Avatar
MATTCAREY1655
  • MEMBER
  • 25 POSTS
Also, I might add. That's what started all of this. The vehicle did run with the fuses for horn out. For quite a long time and it wasn't until I disconnected and added them back again because inspection is coming nearer, and I wanted the horn to work. it wasn't until that that this problem started, and it has been difficult ever since. That's when I started tearing everything apart. Found the bad grounds all over etc., etc., etc., lol.
Oct 6, 2021 at 8:01 PM
Avatar
MATTCAREY1655
  • MEMBER
  • 25 POSTS
Also, yes. If that is the case, I did not know they were stock i thought, they were aftermarket remote start and security. Uninstalled both because the remote start stopped working a long time ago and I was frustrated. I probably messed everything up. Ugh. Great. I thought there were ways to just lock it manually and stuff and the way it was spliced in, and it was more recent electrical tape than the rest and everything. I feel like an idiot.
Oct 6, 2021 at 8:04 PM
Avatar
AL514
  • CERTIFIED EXPERT
  • 5,465 POSTS
Don't feel bad about yourself, you're working with what you have. Most people don't even attempt to fix their own vehicles. So, my worry now is that the security system may be disabling the truck, it depends if the security light stays on when you try to start it. As for harness plugs you can't figure out, I would need to know what part of the electrical system the plug is in.
I can send you diagrams of the Body control module, and you can attempt to match up wire colors. Thats really the only thing I can do about that. Or id be going through wiring diagrams for the rest of my life here. But I can send you any particular section you might need.
Did you disconnect any modules that had these color wires? This is the Sentry Key Remote Entry Module.
Oct 7, 2021 at 9:51 AM
Avatar
MATTCAREY1655
  • MEMBER
  • 25 POSTS
The one that I can't figure out is if you're standing in front if the truck looking to left and runs under air filter box and runs into the firewall into the vehicle .... I'm going to go take. Another look but still let me know what you can. I'm going to go dive in. Whatever modules on the inside have been removed also remember. And wiring all the way to factory harness. Cut close as possible and taped up. I have the modules, but I threw the harnesses that were attached away. :(
Oct 7, 2021 at 8:25 PM
Avatar
AL514
  • CERTIFIED EXPERT
  • 5,465 POSTS
Oh, you removed all the modules inside the vehicle. The body control module is absolutely necessary, plus the security system, it will lock you out of starting the truck. The security system sends special rolling codes to the ECM for each start up. meaning the depending on the type of security system, it might change codes or its signal to protect the vehicle from being stolen. those small two wire connectors could be impact sensors for the air bags, windshield washer pump, outside temperature sensors, etc. anything really. I'm honestly not sure you're going to get this started without the security system being able to communicate with the ECM. They're very sensitive systems.
Oct 8, 2021 at 10:57 AM
Avatar
MATTCAREY1655
  • MEMBER
  • 25 POSTS
What if I purchase and install an aftermarket one if that's what the issue is? I mean this was happening even before they were removed so I don't see how that was the issue. My head's spinning here. Thanks for the help.
Oct 9, 2021 at 4:16 AM
Avatar
AL514
  • CERTIFIED EXPERT
  • 5,465 POSTS
Did you remove this module? Notice it's located on the Steering Column. And notice the wire coloring. This module is powered up by the TIPM and is needed for the vehicle to run. Look for these wires by their colors and make sure it's still installed. I wouldn't worry about the horn right this second; the truck has to start first. If it's this module that's causing the horn to be on continually, it would need to be replaced and reprogrammed by a shop that has the correct scan tool to do it. Also notice the Ignition Switch has these resistors in it, those are for the key itself. When the correct key is put into the Ignition Switch, it sends a signal to the security system, that its ok to start.
Oct 9, 2021 at 11:14 AM
Avatar
MATTCAREY1655
  • MEMBER
  • 25 POSTS
Guess that is still have that in Stones. I did not remove that I pictured when I removed, and I took a picture of the thing you were asking about, and all those wires are present and connected.
Oct 15, 2021 at 1:20 PM
Avatar
MATTCAREY1655
  • MEMBER
  • 25 POSTS
Correction, yes that is still all there and installed.
Oct 15, 2021 at 1:20 PM
Avatar
AL514
  • CERTIFIED EXPERT
  • 5,465 POSTS
Okay, and you verified the wire colors to make sure it was the security system i assume?
So where do you stand at this point? Did you try starting it yet?
And again, I will add info while waiting for your response.
I added some information on the security system I thought you should have.
In the fifth page you'll notice it talks about the flashing of the red security light and what it means. After locking the vehicle fully the light will flash a steady slower flash.
During its arming sequence it will flash for 16 seconds fast, then slow once its finished.

The last page is info on if the battery is disconnected or during a jump start condition.
Oct 15, 2021 at 3:20 PM
Avatar
MATTCAREY1655
  • MEMBER
  • 25 POSTS
Sorry it's been so long since I've replied but life gets hectic sometimes and I still continued to get things done with the truck. I actually got everything put back together except for the backseat going in. so, I am at the point where I'm ready to connect to battery and didn't want to do so without contacting you first so we can kind of go over things I should double check before I even connect. Also, I think I've confirmed with myself at least that I definitely should not have her moved to the security system remote start and I think that is probably my issue at this point. I threw the wires and the clipping pieces in the trash so now I have to find out where I can buy those and what it was exactly that I would need I comes to what wire, etc. Other than that, I think I'm going to go.
Nov 14, 2021 at 6:21 PM
Avatar
MATTCAREY1655
  • MEMBER
  • 25 POSTS
Ready to go. Lol, talk to text sometimes I tell ya......
Nov 14, 2021 at 6:22 PM
Avatar
AL514
  • CERTIFIED EXPERT
  • 5,465 POSTS
Hello, yes it has been awhile, so you got the vehicle going?
Nov 15, 2021 at 10:48 AM