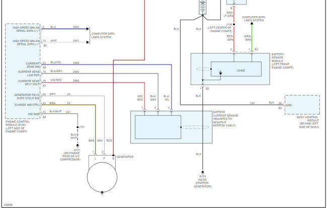
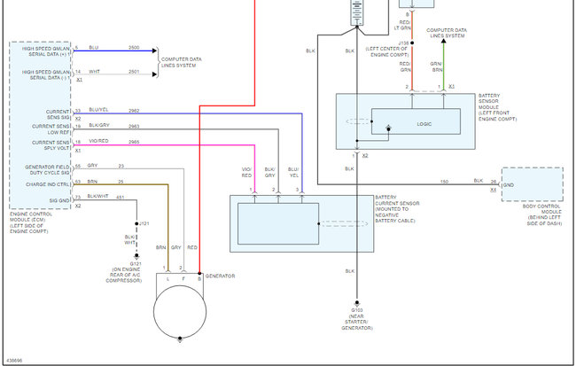
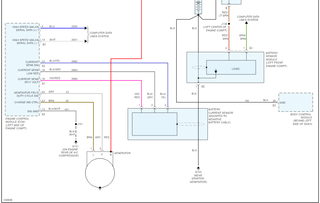
My car battery drained out , when we went to get it tested the code said we had a bad alternator as well. I replaced both brand new. A month later my car started doing the same thing. Battery drains and barely made it to the parts store. Just replaced the alternator and battery again and it’s still doing the same thing but still showing faulty alternator? Is it a fuse or electrical problem?
Sep 25, 2021 at 3:11 PM






