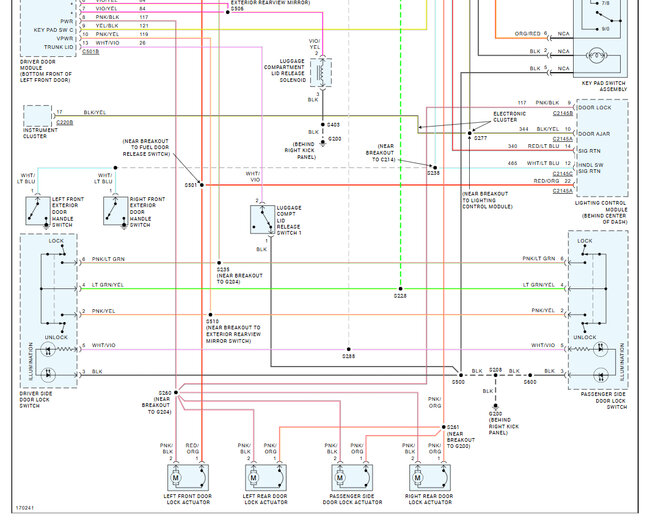
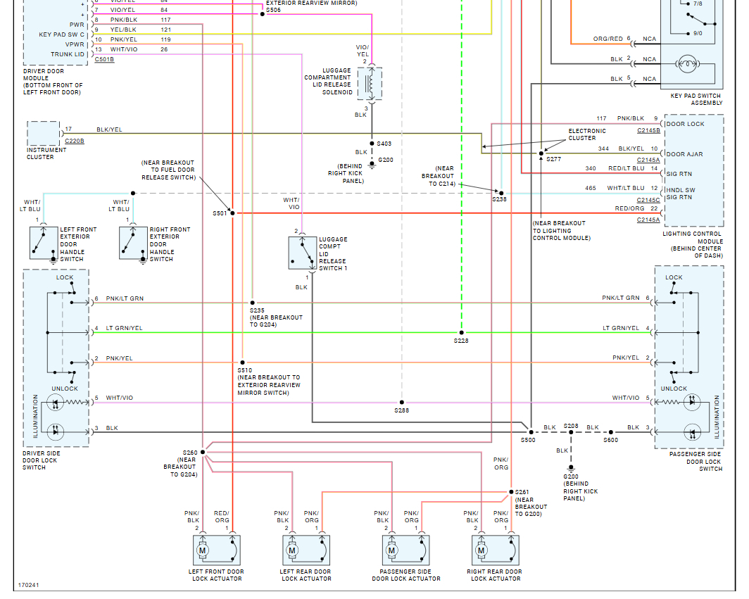
But if I hit the lock button on either door ever light on the dash and cabin lights all turn on while its pressed. The digital dash is more like a test mode because every light is on. I've replaced the LCM and all door switches. Checked all fuses and 5 pin relays so far.
Sep 8, 2024 at 1:29 PM





