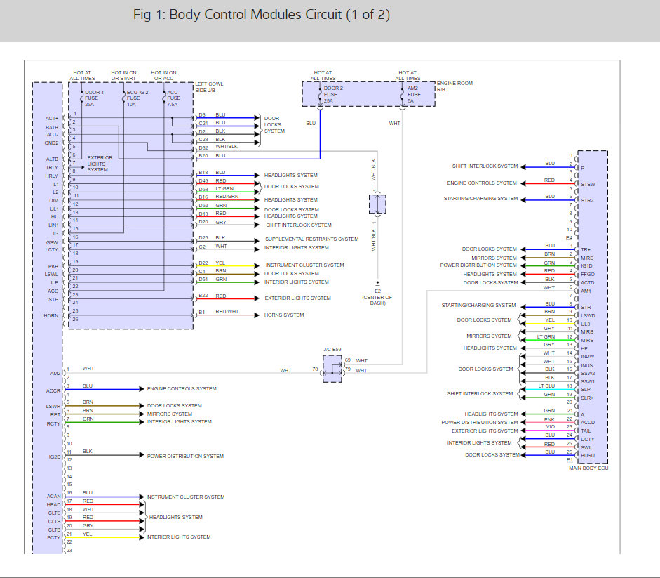
Several weeks ago I started noticing several what I think are electrical issues.
My compass will not stay calibrated, my trip odometers are erased every time I turn it off and my key fob will not unlock the doors.
I noticed all of these issues at the same time.
I hope you can help, no one else has been able to.
I have been to your site several times,
And you have helped me several times on several vehicles
Thank you,
G Bigelow
H., Texas
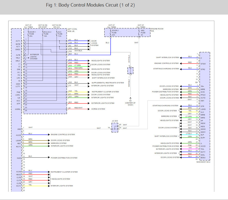
My compass will not stay calibrated, my trip odometers are erased every time I turn it off and my key fob will not unlock the doors.
I noticed all of these issues at the same time.
I hope you can help, no one else has been able to.
I have been to your site several times,
And you have helped me several times on several vehicles
Thank you,
G Bigelow
H., Texas
Jun 22, 2019 at 11:56 PM
















