my headlights turns my car on like a second ignition switch?

2000 CHEVROLET ASTRO
145,000 MILES • 4.3L • V6 • AUTOMATIC
Avatar
ADANSERNA45
  • MEMBER
  • 1 POST
i have a problem with my 2000 Chevy Astro, whenever i turn on my headlights with car off and the key off the the ignition switch, it turns my car on and also does the same with the car on, acting like a second ignition switch.
Feb 19, 2026 at 3:56 PM
Advertisement
Avatar
JACOBANDNICKOLAS
  • CERTIFIED EXPERT
  • 110,175 POSTS
Hi:

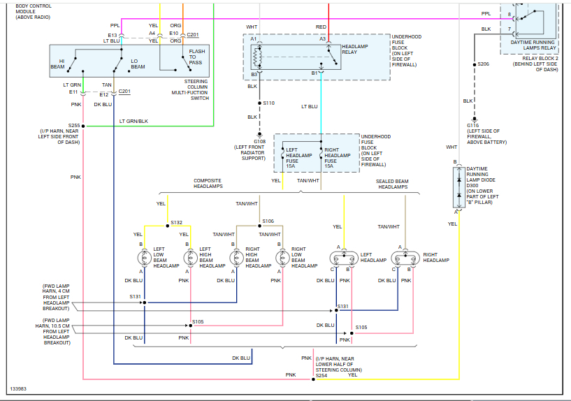
It sounds like you have a short at the fuse box between the headlight relay and the starter relay.

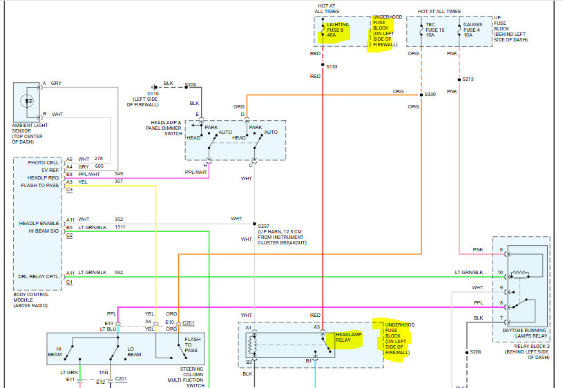
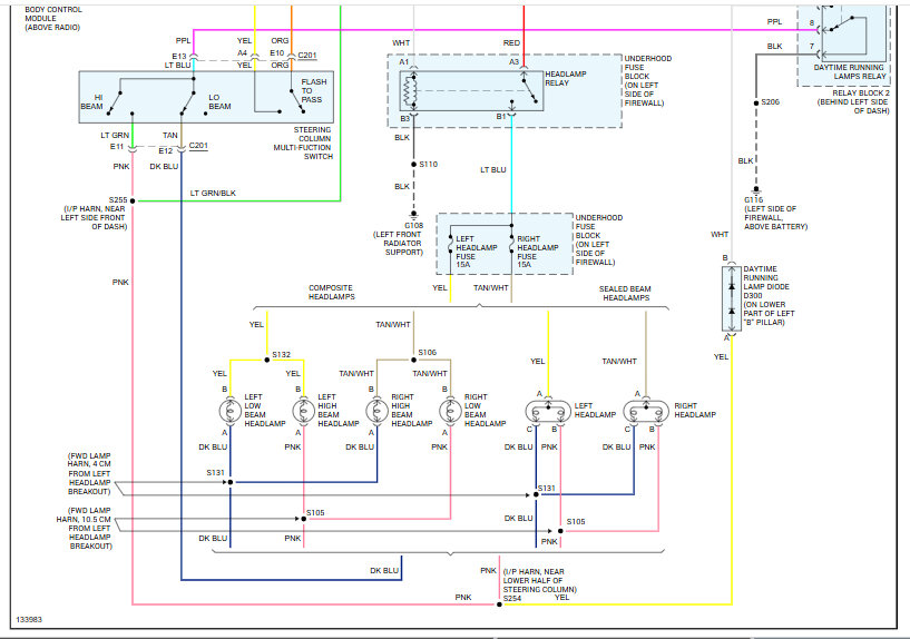
I've attached the headlight wiring schematic below and highlighted two items: a fuse and the relay. We need to see if this is where the problem is coming from, so I need you to first remove the relay and see if the problem stops.

If it does, we need to inspect the connectors in the relay box and the wiring. Try removing the relay first. I suggest that because the fuse should be providing power at all times to the relay. If it still happens, then we need to remove the fuse indicated to see if that stops the problem.

Note: I had to cut the schematic in half to make it readable.

Pic 3 below shows the relay locations. Note that the starter relay and headlight relay are side by side. If you remove the headlight relay and the same thing happens, remove the starter relay to see if that stops it.

Let me know what you find.

Take care,

Joe

See pics below

Feb 19, 2026 at 7:07 PM