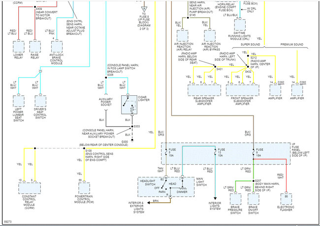
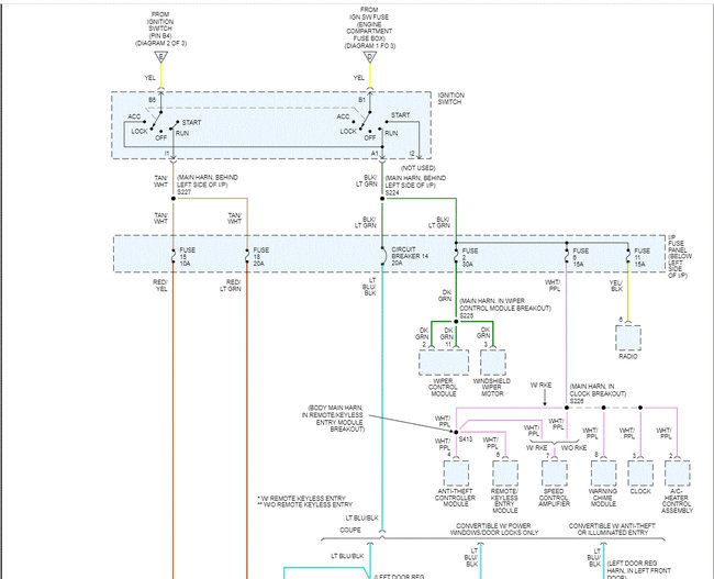
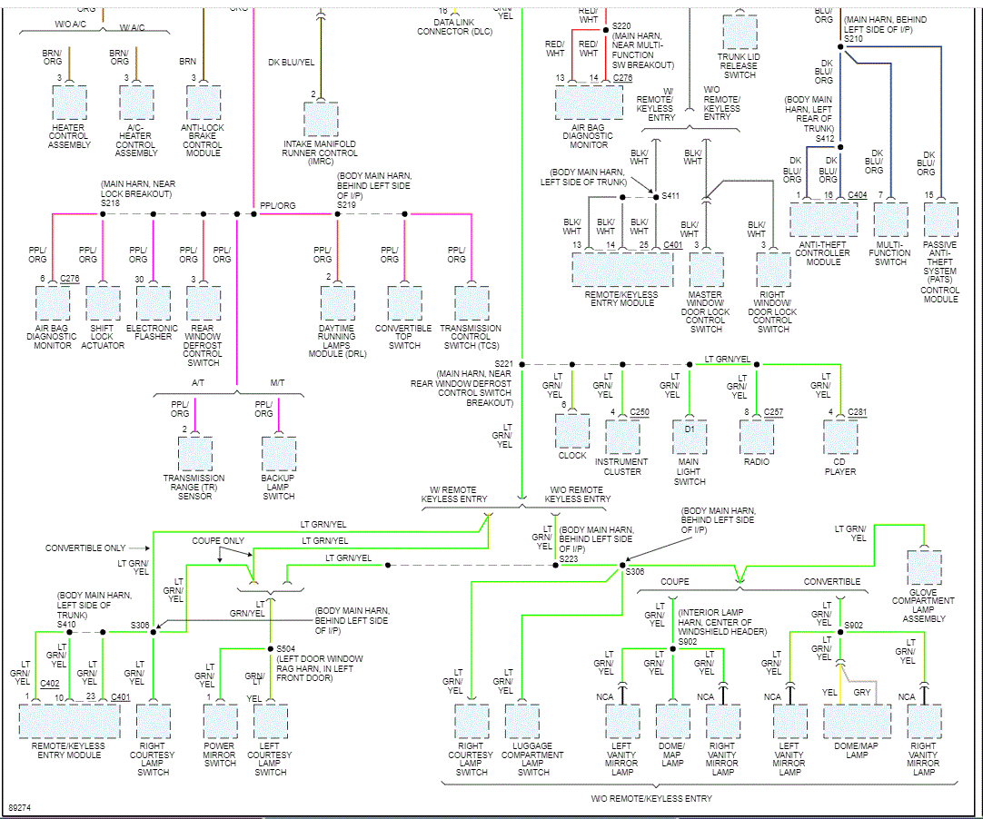
Upon moving it, it just shut off. Checked the fuses and one was blown so I replaced it, but it continues to blow the fuse when I try starting it. I think my fuel pump runs on it. I don't have the right diagram for my fuse panel. The guy I bought it from gave me a 1996 owner's manual and my mechanic told me what I have is not right. Could you start by providing the correct diagram for my car listed above? Then I'm going to help in trying to figure out where I have a short and how to fix it. It is blowing the fuses on the same blade of each fuse I try.
May 4, 2022 at 3:48 AM









