Electrical issue after battery drained and possibly over charging the battery

2009 TOYOTA SIENNA
170,000 MILES • 3.8L • V6 • 4WD • AUTOMATIC
Avatar
TOYOTAMANDRIVER
  • MEMBER
  • 6 POSTS
Car had been running very well. A couple of days ago, I had left the key on overnight after raising the windows due to a coming thunderstorm. After having to recharge the battery twice, the gear shift selector was locked in place. I did find an emergency button (indicated in the car manual) which did allow me to release it from park. But, it's very stiff. I didn't drive it at this point.

Afterwards, I began checking and found numerous other, I suppose electrical problems, such as: I can't unlock the rear deck lid (van) while other doors would lock and open, the automatic window will not work, the automatic driver's seat will not function, the heat gauge would not register at all, the gas pedal would not allow me to rev up the engine to no more than 2,000 RPMs, the cabin lights work in the front but not the rear, turn signals will not work, radio and disc player will not work, fan and air conditioning will not work, rear tail lights and brake light won't work, and the windshield wipers won't work. The headlights, however, do work - normal and long range and the horn.

Is it possible that I overcharged the battery? I have looked at some of the fuses, but is there a master fuse which would have responded negatively after overcharging the battery?

Using the car manual, I have checked a few of the fuses in four different locations.

Will be gone for a while to a doctor's appointment and will check back for your answer later.

Aug 5, 2021 at 1:28 PM
Advertisement
Avatar
KASEKENNY
  • CERTIFIED EXPERT
  • 18,907 POSTS
It is unlikely that you overcharged the battery but we should check the battery just to be safe.

Here is a guide that will show how to load test it which is what we need to do:

https://www.2carpros.com/articles/car-battery-load-test

However, the next likely thing we need to do is run through all the fuses and check and make sure we don't have a number of blown fuses.

https://www.2carpros.com/articles/how-to-check-a-car-fuse

Once we work through this we will have a better idea what the issue may be. However, if the battery is ok and fuses are fine then we are going to have to pick one of the systems and start checking power to find what the possible issue is on that. Once we fix that one system then we can move onto the next that is not fixed but hopefully these are all related and that fixes everything.

However, trying to tackle all these in one bit just gets overwhelming so we need to focus on one and work through it.

Below you will find the fuse box layouts for your review.

Let us know what you find with this and we can go from there as I am thinking the battery may be damaged causing these issues.

Thanks
Aug 7, 2021 at 8:50 PM
Avatar
TOYOTAMANDRIVER
  • MEMBER
  • 6 POSTS
Hello,

I'm back on track to find some answers. Thank you for what you sent.

I had the battery fully charged and tested. It's fine.

I looked at all three different fuse blocks and individual fuses. A visual check of each fuse did solve one problem. Two of them were burnt and severed. One helped me with the accelerator and it now functions. The other was a radio fuse (single), but it didn't make any difference. It is still off.

The fuses I checked were visually checked as I didn't have a tester. I was told by the Toyota service department that there is a second fuse box in the engine department beneath the one that the pictures I have from you shows. They indicated to me that it wasn't a good idea for me to try to get to that fuse box??

The driver's side fuse block was quite disturbing, but I think I have it figured out. The schematic on the cap versus the instructions in the book didn't match well. However, the engine compartment fuse block on my van does not have the section 22-29 and 31-34 fuses. That was confusing as well.

At this point now, I still have the full list of the various vehicle components that don't work which I previously sent to you. The only exception now is that the accelerator can rev up the engine. Because there are so many things not working correctly, I don't feel I can drive the van safely.

I do wonder what the "hidden" fuse box in the engine compartment may contain. As to the missing sections of fuses in the book and the page you sent, I can only assume that the fuses and their functions were combined with something else.

What would you suggest now??
Aug 16, 2021 at 1:25 PM
Advertisement
Avatar
KASEKENNY
  • CERTIFIED EXPERT
  • 18,907 POSTS
At this point, I don't think there is one issue causing these issues.

I suspect you may have an issue with the body control module causing a number of them but the driver seat does not run through that.

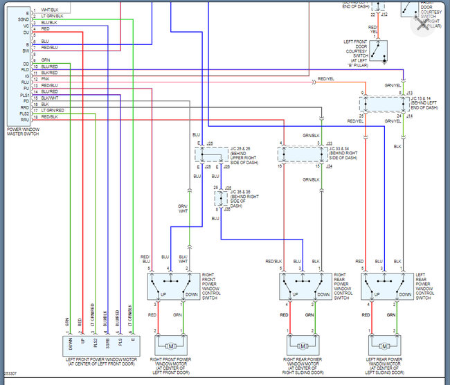
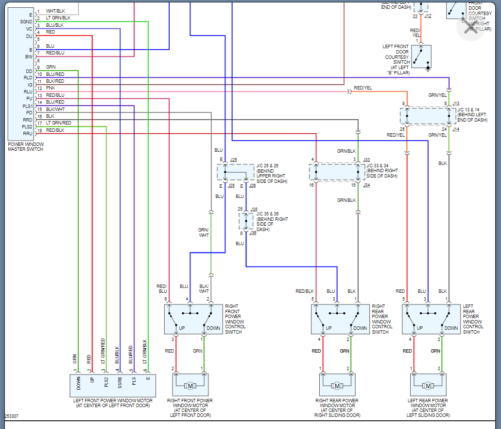
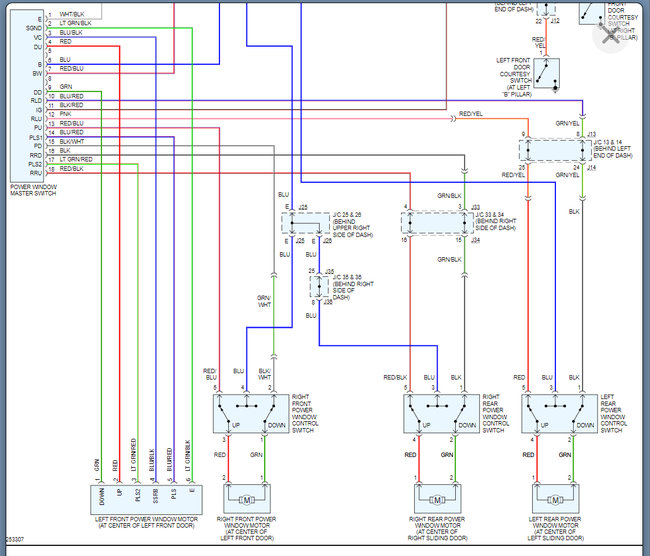
So what I would suggest is we start with the power window issue. Basically I would remove the door panel and check power at the motor and then work backwards through the system to find where the issue is.

https://www.2carpros.com/articles/door-panel-removal

Basically we need to pick one of these items and start working through the issue. If it fixes all of them then that is just a bonus.

Here is a guide that will help with this:

https://www.2carpros.com/articles/how-to-check-wiring

Below you will find the detail on this. Please run through this and let us know what you find.

Thanks
Aug 17, 2021 at 4:48 PM
Avatar
TOYOTAMANDRIVER
  • MEMBER
  • 6 POSTS
Thank you so much for your helpfulness! Before I tackle the window as you suggested, let me ask a couple of questions and explain one thing.

I did buy and use a fuse tester that lights up on all the three panels of fuses. Again, it was only visual before. All of them tested good except for number 37 and 38 in the engine compartment fuse block. This was strange since the headlights did work.

Here's another confession: In the engine compartment fuse block, number 1 and 2 have never been tested. These are a clear, purple box fuse(?), 30 amp. They don't seem to want to come out by pulling them, so I hadn't yet been able to figure out how to test them. So, how are they tested?? Do I need to pull harder. I don't want to break them. Could they be the answer?

Now, several other questions.
1. Is there another fuse panel under the one shown in the engine compartment?
2. Where would the missing fuses in the engine compartment fuse block go to? The functions they protect are relevant functions listed to those missing fuse sections (22-29, 31-34).
3. Where is the location of the body control module you mentioned? How expensive is it? This is a 12 year old vehicle with high mileage. The dealer and a shop are quoting five plus hours at a minimum of $130.00 per hour to try to find the answer. I do have to weigh the benefits versus the losses.

By the way, my key fobs also don't work at all. Add that to the list of problems!

Thanks! I'll wait to hear your answers


Aug 20, 2021 at 10:19 AM
Avatar
KASEKENNY
  • CERTIFIED EXPERT
  • 18,907 POSTS
I do not show any fuse block under the other fuse block in the engine compartment.

I am sure there was some confusion in what they meant because that is not normally what they do as the fuse box is meant to be easily accessed to check the circuits.

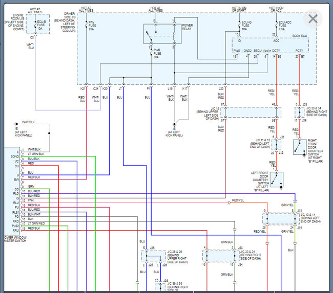
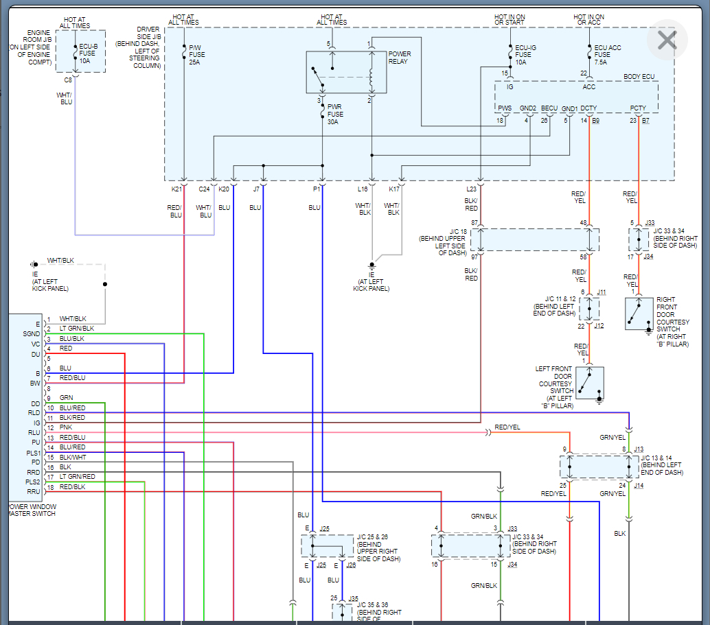
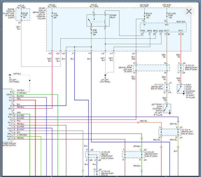
Take a look at the diagram below that will help with this.

Fuse 1 and 2 in the engine box are considered max fuses. They are larger then normal fuses and will just pull out like a normal fuse. They are pretty tight but it doesn't appear they are the issue as they are for some systems that you said are working.

See below.

As for the body ECU, that is called the gateway module in these diagrams.

I think I attached the info that you are asking for but let us know if I missed something. Thanks
Aug 20, 2021 at 6:29 PM
Avatar
TOYOTAMANDRIVER
  • MEMBER
  • 6 POSTS
Thank you for your recent response and the diagrams. I mentioned that I had found two fuses which didn't light up with my tester....#37 and 38. I replaced them with new ones, still no response. Remember, all the rest in the fuse panel light up.

I don't understand how the headlights can work when the fuses don't seem to be testing as functioning. Could this in any way hint as part of a solution to problems I am facing?

The vehicle, remember, had been running perfectly for the past year until the day I came out and found the battery dead. And after charging and having it tested, I found all the rest of these various functions that didn't work. So since the car readily starts and with the manual button I can shift gears, would it harm the vehicle to drive it? Or could that endanger or create new problems in additional systems.

Two things finally. One, I'm still not sure that you are realizing that my engine compartment fuse block doesn't have the fuses listed #22-29 or #31-34. There is no place for them. That area is covered by a long, clear narrow see through plastic cover in which I can see two long silver rods that extend from side to side. So? Either those functions listed in the owners manual were either rerouted elsewhere or somehow were not needed for my vehicle.

I did buy a Hanes Auto Repair Manual and note that fusible links, relays, and switches are among other possible problems to consider.

Finally, the key fobs do work to open and close the car and start the engine. I'd forgotten that the battery cables were removed!!

The car starts readily and idles but leads to overheating, so it's possible the cooling fans on the radiator also do not work.

Frankly, I may be reaching the point where I don't have the skills or equipment to be successful unless you have some suggestions about those fusible links, relays, or switches that I could readily test.

Thank you for spending so much time trying to help me!
Aug 24, 2021 at 12:02 PM
Avatar
KASEKENNY
  • CERTIFIED EXPERT
  • 18,907 POSTS
Can you get a picture of this item that is in the fuse locations? I suspect these are mega fuses but I need to see them and that will help explain that.

If you have no power coming through on the left and right head lamp fuses then but the headlights still work then you have a short most likely in the driver side junction block.

Take a look at the wiring diagram below. This is showing that these fuses feed the Body ECU so I suspect this is where the short is.
Aug 24, 2021 at 6:36 PM
Avatar
TOYOTAMANDRIVER
  • MEMBER
  • 6 POSTS
I have two pictures I took on my phone but can't seem to get them to send. The two pictures are of the fuse panel in the engine compartment. Number 2 is an enlargement of the special long plastic covered area I mentioned.

Could you please send me your phone number, so I could message them to you? We won't use your number for any other purpose unless you ask us to or share it with anyone else.

Thanks
Aug 26, 2021 at 3:48 PM
Avatar
KASEKENNY
  • CERTIFIED EXPERT
  • 18,907 POSTS
Got them. Thanks. I suspect it was because they were too large of a file. I attached them below.

Those are called mega fuses or also called multi fuses.

Basically they are a number of fuses put into one fuse.

I attached a picture out of another Sienna that is newer. Looks a little different but same idea.

I still think you have an issue with the body ECU which is part of the fuse block because if you have no power on these fuses going to these but they still work then they are getting power somewhere.

However, I just want to confirm that you have daytime running lights? If you do not then these fuses should be empty.
Aug 26, 2021 at 7:24 PM
Avatar
TOYOTAMANDRIVER
  • MEMBER
  • 6 POSTS
Hi!
Toyotamandriver here. Sorry I haven't been in touch. I am just three weeks out after having Covid19. Now I must get back on track with my Toyota Sienna problem.

In our last conversation, you didn't answer my questions about two different sets of fuses in the under the hood box. These were fuses numbered 1 and 2. You thought they probably were max fuses. Can they be tested and how? The second set of fuses listed in the owner’s manual are covered up with a clear plastic cover and show no evidence of any kind of fuses under it. This is the set of fuses listed as 22-34 all with vital functions. How can these be tested?

Other things such as fusible links and relays, etc., are there simple tests to see if they work?

I did recharge the battery as you asked and later had it bench tested at an auto parts store. But not load tested, apparently, as I can’t drive the car anywhere (legally). One thing that was mentioned to me at the auto parts store was an unusual sparking at the negative post, which on other batteries on hand which he showed me does not occur. So, it could be possible that there is an internal short or problem in the battery. I am trying on this end to find someone who might know anything about internal battery problems. However, since the battery starts the engine and the car is running, then how would that affect all these other functional problems? The alternator?

Thanks again for your help!

Toyotamandriver
Oct 12, 2021 at 12:52 PM
Avatar
KASEKENNY
  • CERTIFIED EXPERT
  • 18,907 POSTS
You can open the cover of these fuses and check for voltage at end to end but you can see that the metal weak links are intact.

If this all started after the battery was drained, have you replaced the battery? I understand you charged it but how did you test it?

Did you just put a meter across the battery, or did you load check it?

https://www.2carpros.com/articles/car-battery-load-test

I highly doubt this is a fuse issue. If all these issues started after this battery issue, then I suspect you are onto something with the battery. However, can you get a video of what you are saying it sparks on the negative cable?

They are correct that this should not spark at all. The only way it would spark is if the there is still a load from the battery to the ground stud. Meaning there is resistance from the negative battery post to the ground stud. So this could be a wiring issue with the ground cable or a loose ground connection.

I would suggest testing this by doing a voltage drop as the vehicle sits on the ground cable. You do this by turning the starting the engine and putting your red lead on battery negative cable clamp and then the black lead of your meter on the ground stud for this cable. You should have basically no voltage on this cable. However, if you do then that is an issue as well.
Oct 12, 2021 at 2:57 PM