Headlights dim

2004 CHEVROLET MONTE CARLO
197,000 MILES • 3.8L • 6 CYL • 2WD • AUTOMATIC
Avatar
BERRY4271
  • MEMBER
  • 4 POSTS
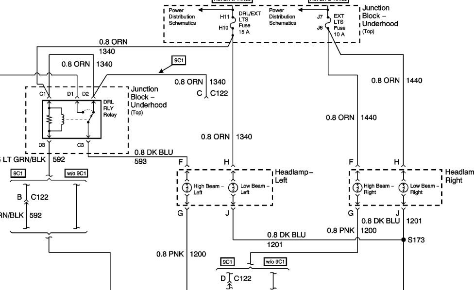
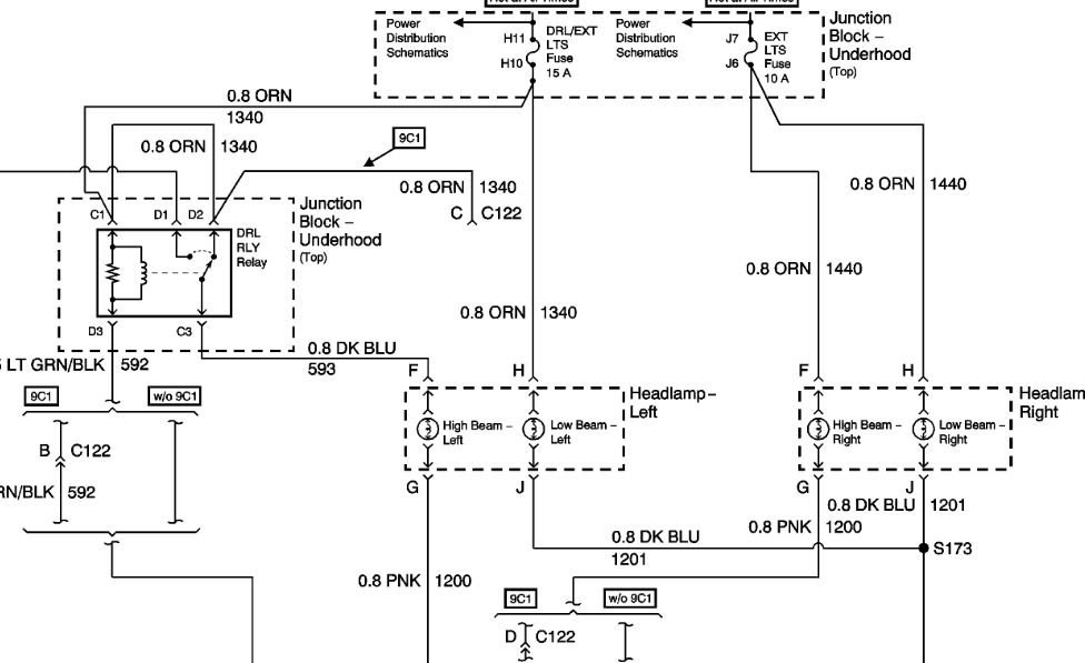
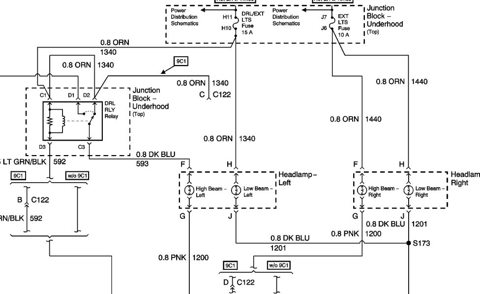
Just bought car wrecked in front. Passenger side headlights work fine the driver side headlights are on but very dim and the bright and dim are on at same time. Replace bulbs and checked the ground did not do any difference.
Jun 23, 2018 at 6:49 PM
Advertisement
Avatar
ASEMASTER6371
  • CERTIFIED EXPERT
  • 52,796 POSTS
Good morning.

Do you have a volt meter to do some voltage checks?

You need to verify the voltage at the orange wire at the headlight that is dim.
Do that with the connector off first then check it with the headlight hooked up.

Roy
Jun 24, 2018 at 7:14 AM
Avatar
BERRY4271
  • MEMBER
  • 4 POSTS
Thanks Roy, I checked orange wire unhooked 12 volts when hooked it was 8.6.
Jun 25, 2018 at 3:30 PM
Advertisement
Avatar
ASEMASTER6371
  • CERTIFIED EXPERT
  • 52,796 POSTS
Okay, that is why it is dim. You have a voltage drop in that wire back to the fuse box. Check the voltage at the fuse block and see if it is the same.

Roy
Jun 25, 2018 at 4:38 PM
Avatar
BERRY4271
  • MEMBER
  • 4 POSTS
Roy Thank you! It was the ext. light fuse was blown. Lights work great now. Thank you
Jun 25, 2018 at 5:49 PM
Avatar
ASEMASTER6371
  • CERTIFIED EXPERT
  • 52,796 POSTS
You are welcome.

Good job finding it.

Roy
Jun 25, 2018 at 5:50 PM