Electrical ground location

1990 CHEVROLET 1500
115,000 MILES • 0.5L • V8 • 2WD • AUTOMATIC
Avatar
MBARNUM
  • MEMBER
  • 2 POSTS
Can you tell me where the ground location is that comes directly off the turn signal flasher?
Oct 26, 2017 at 7:30 AM
Advertisement
Avatar
STRAILER
  • CERTIFIED EXPERT
  • 53,854 POSTS
Is it a two terminal flasher? If so there is no ground it is an in circuit device.
Oct 27, 2017 at 12:22 PM
Avatar
MBARNUM
  • MEMBER
  • 2 POSTS
It is a three terminal flasher.
Oct 27, 2017 at 12:57 PM
Advertisement
Avatar
STRAILER
  • CERTIFIED EXPERT
  • 53,854 POSTS
Hello again,

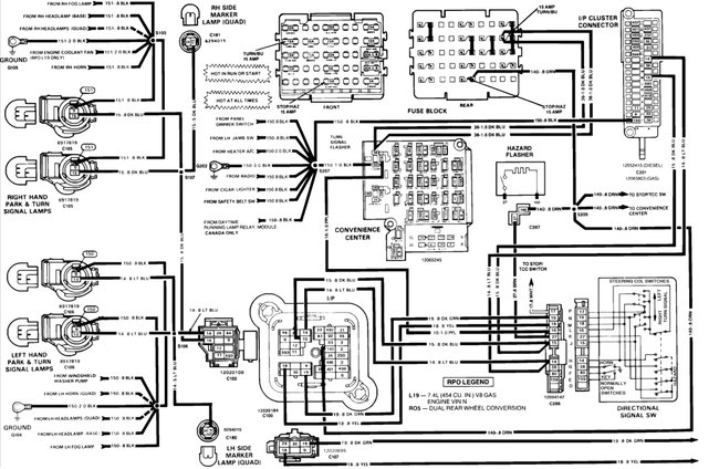
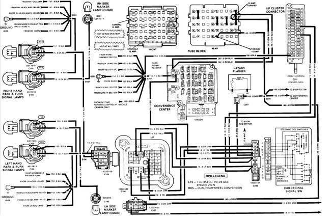
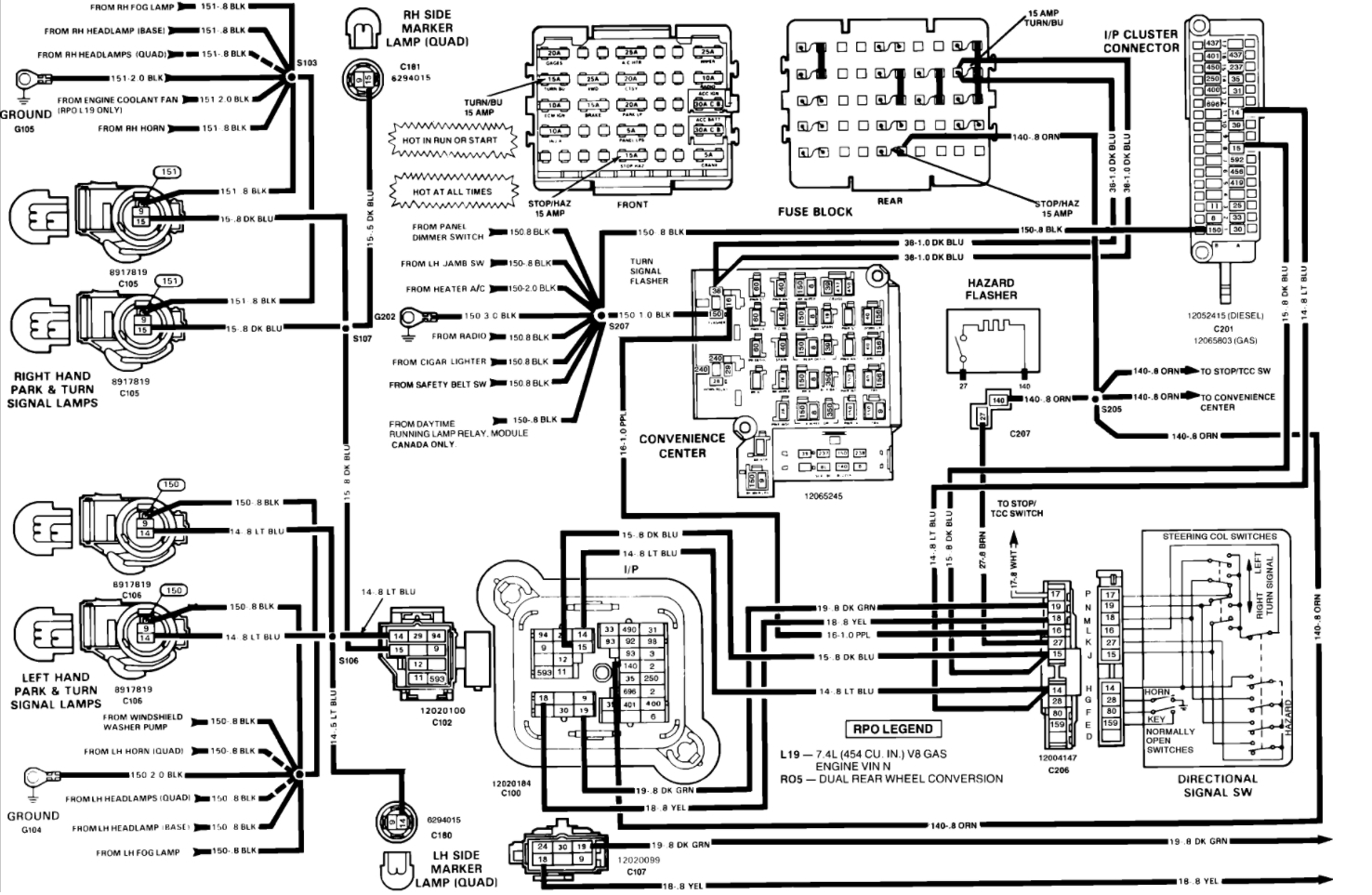
Here is a list of all of the electrical system grounds.

Ground G100: RH Front Of Engine
Ground G102: LH Front Of Engine
Ground G104: Behind LH Headlamp, On Radiator Support
Ground G105: Behind RH Headlamp, On Radiator Support
Ground G106: RH Rear Of Engine Compartment, Near Battery Junction Block
Ground G107: LH Front Of Engine
Ground G108: Front Of Engine, At Coolant Outlet
Ground G109: RH Rear Of Engine Compartment Near Battery Junction Block
Ground G110: RH Rear Of Engine Compartment Near Battery Junction Block
Ground G111: RH Rear Of Engine Compartment Near Valve Cover
Ground G200: Under LH Side Of Instrument Panel
Ground G202: Behind LH Side Of I/P, On ALDL Bracket
Ground G300: Near Fuel Tank
Ground G301: Below RH Side Of Rear Window
Ground G302: Under LH Side Of Instrument Panel
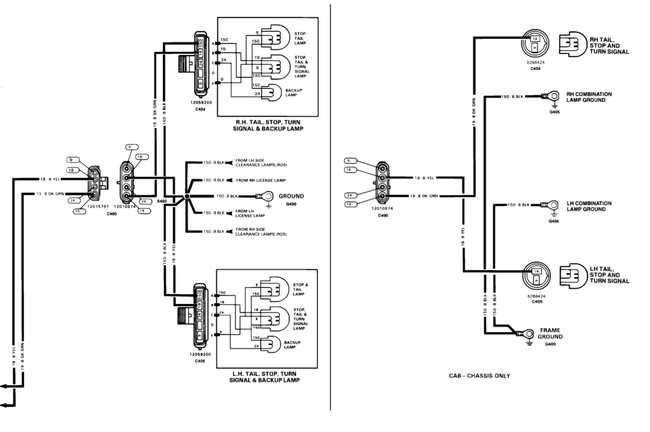
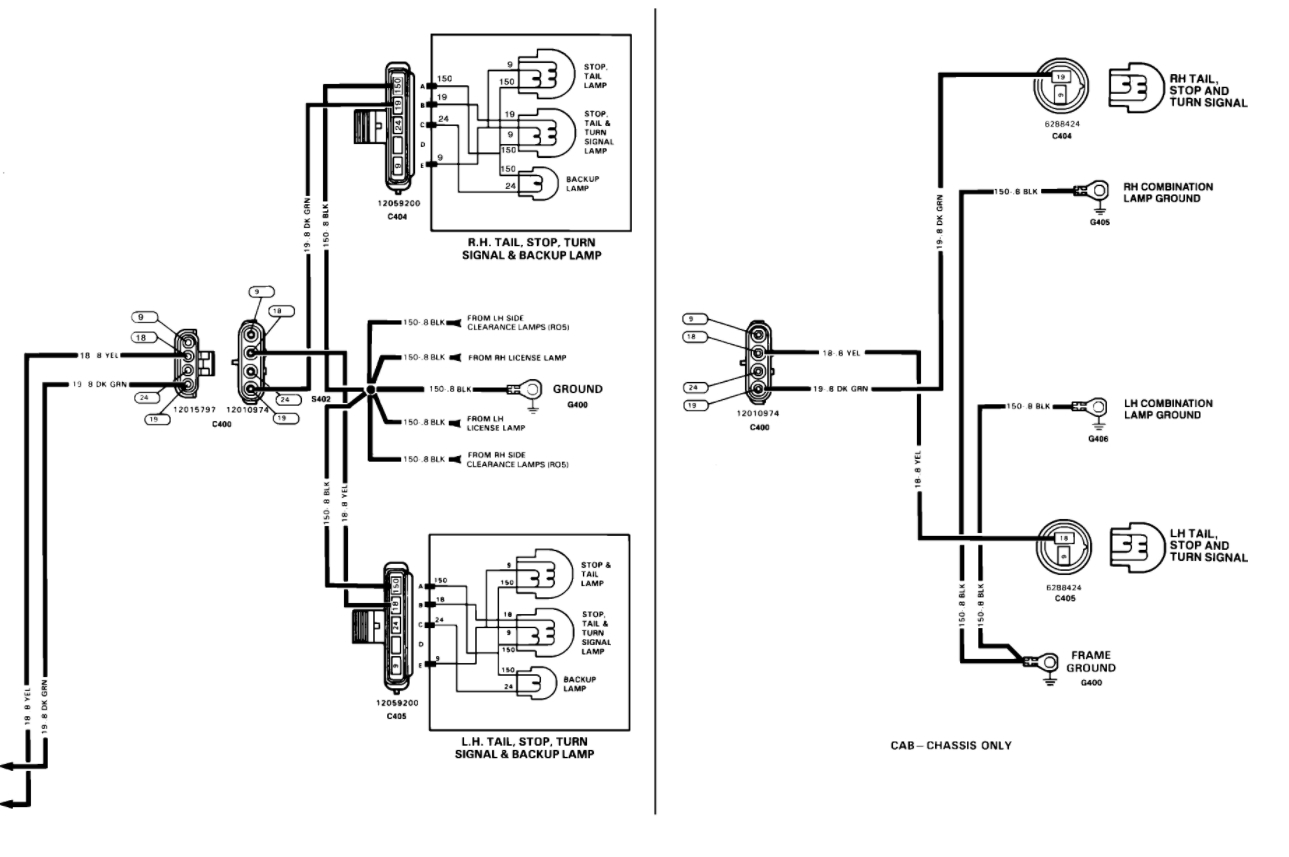
Ground G400: LH Rear Frame
Ground G401: Under Tailgate

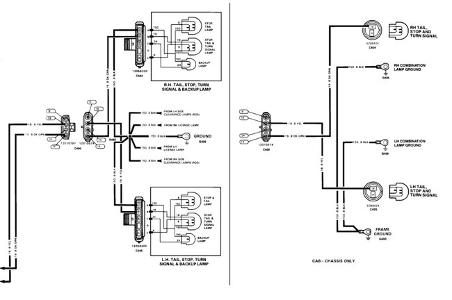
Here is the wiring diagram for brake turn signal and running lights for your 1900 chevy truck (below)

Let us know what happens and please upload pictures or videos of the problem.

Cheers, Ken
Oct 28, 2017 at 3:34 PM