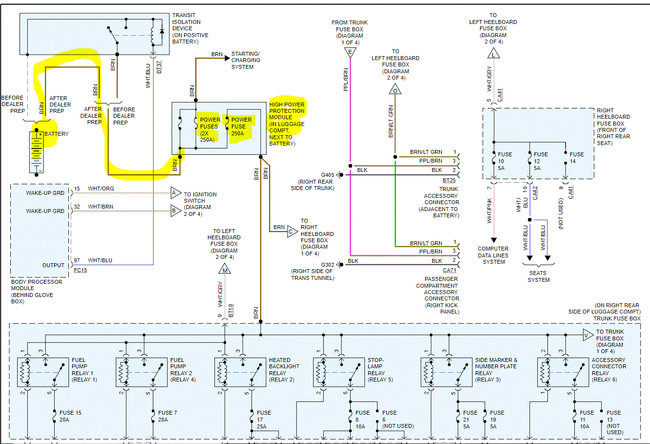
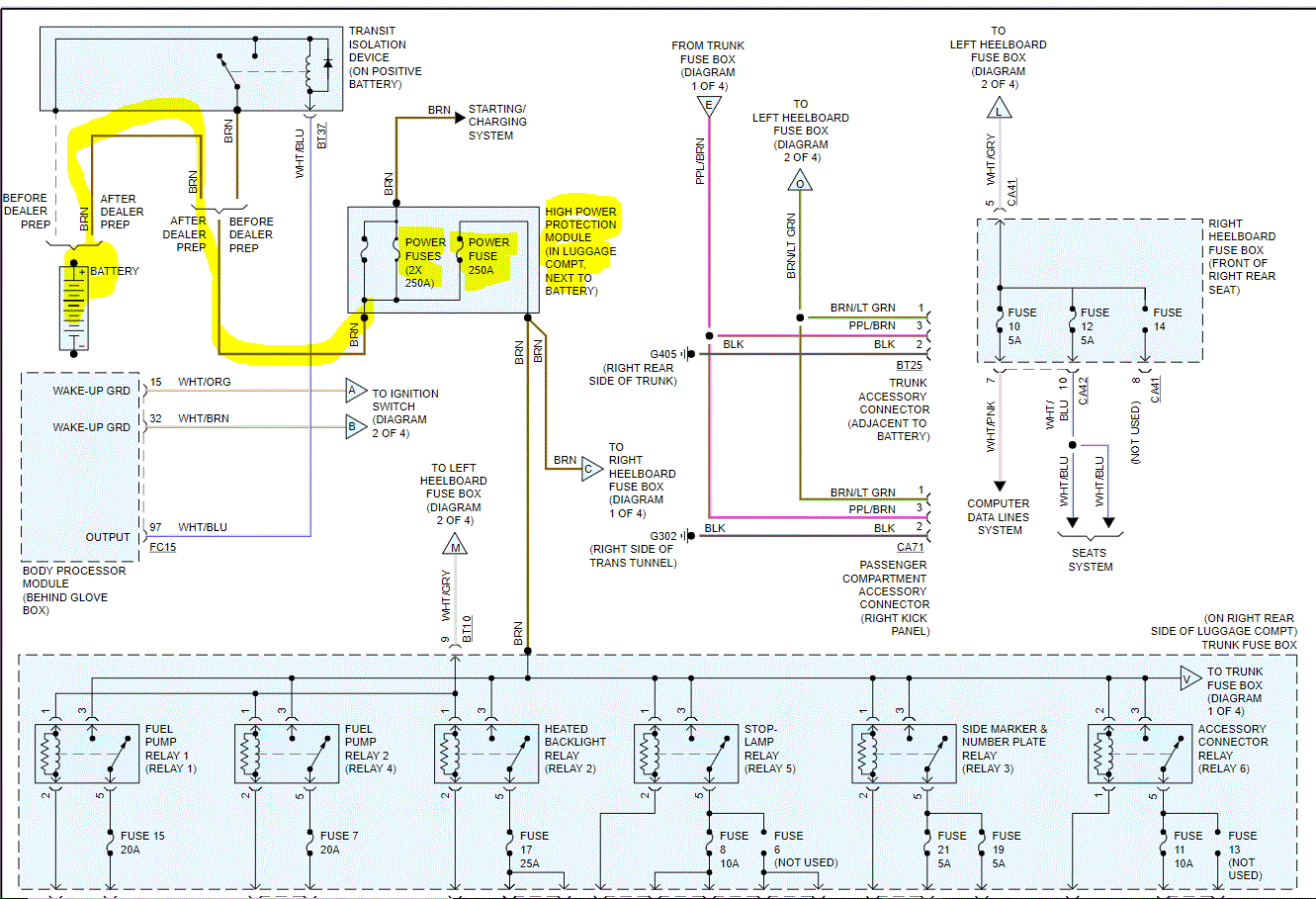
Symptoms:
- Car completely "blacks out" intermittently through the week whether it be after a drive or getting in the car to start.
- Multimeter reads consistently around 13.8 volts at idle .
- In order to start car, both positive and negative cables have to be disconnected, then reconnected. Car starts up fine without any problems.
(Before disconnecting, positive cables is usually warm; even at times when car has been sitting overnight)
Assumption:
According to O'reilly and AutoZone, with their on car battery/alternator testers, they concluded that the built in voltage regulator on the alternator is the issue.
Action:
- Purchased and installed a brand new AGM Interstate battery.
- Purchased and installed a brand new alternator.
Notes:
- Experiencing same symptoms of the complete "black out" of the car.
- Multimeter with New Alternator/Battery reads consistently around 14.2 volts at idle.
Need help identifying fault in order to resolve issue.
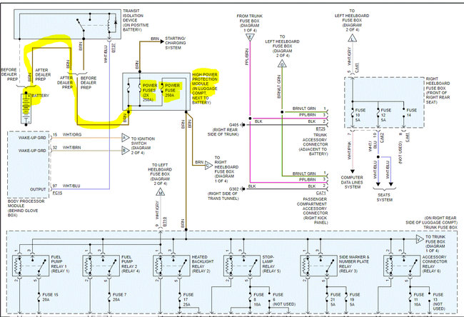
- Car completely "blacks out" intermittently through the week whether it be after a drive or getting in the car to start.
- Multimeter reads consistently around 13.8 volts at idle .
- In order to start car, both positive and negative cables have to be disconnected, then reconnected. Car starts up fine without any problems.
(Before disconnecting, positive cables is usually warm; even at times when car has been sitting overnight)
Assumption:
According to O'reilly and AutoZone, with their on car battery/alternator testers, they concluded that the built in voltage regulator on the alternator is the issue.
Action:
- Purchased and installed a brand new AGM Interstate battery.
- Purchased and installed a brand new alternator.
Notes:
- Experiencing same symptoms of the complete "black out" of the car.
- Multimeter with New Alternator/Battery reads consistently around 14.2 volts at idle.
Need help identifying fault in order to resolve issue.
Jul 6, 2021 at 2:46 PM









