Electrical failure - no power to window or heater fan

2012 TOYOTA TACOMA
120,000 MILES • 4.0L • 6 CYL • 4WD • AUTOMATIC
Avatar
STEVEN MURPHY
  • MEMBER
  • 1 POST
Check Engine light is on.
No power to windows, fan(heater/air) or speedometer.

Everything else runs fine.

Checked all the fuses.

Now what to check?
Dec 18, 2019 at 2:38 PM
Advertisement
Avatar
KASEKENNY
  • CERTIFIED EXPERT
  • 18,907 POSTS
I think we are going to need to separate these into separate posts because I don't think they are related. Before you start a new post let's tackle the window issue. If we fix that and it doesn't resolve the others then we can start a new post with the next one. We need to keep one issue per post so that anyone else who is having that issue can find it.

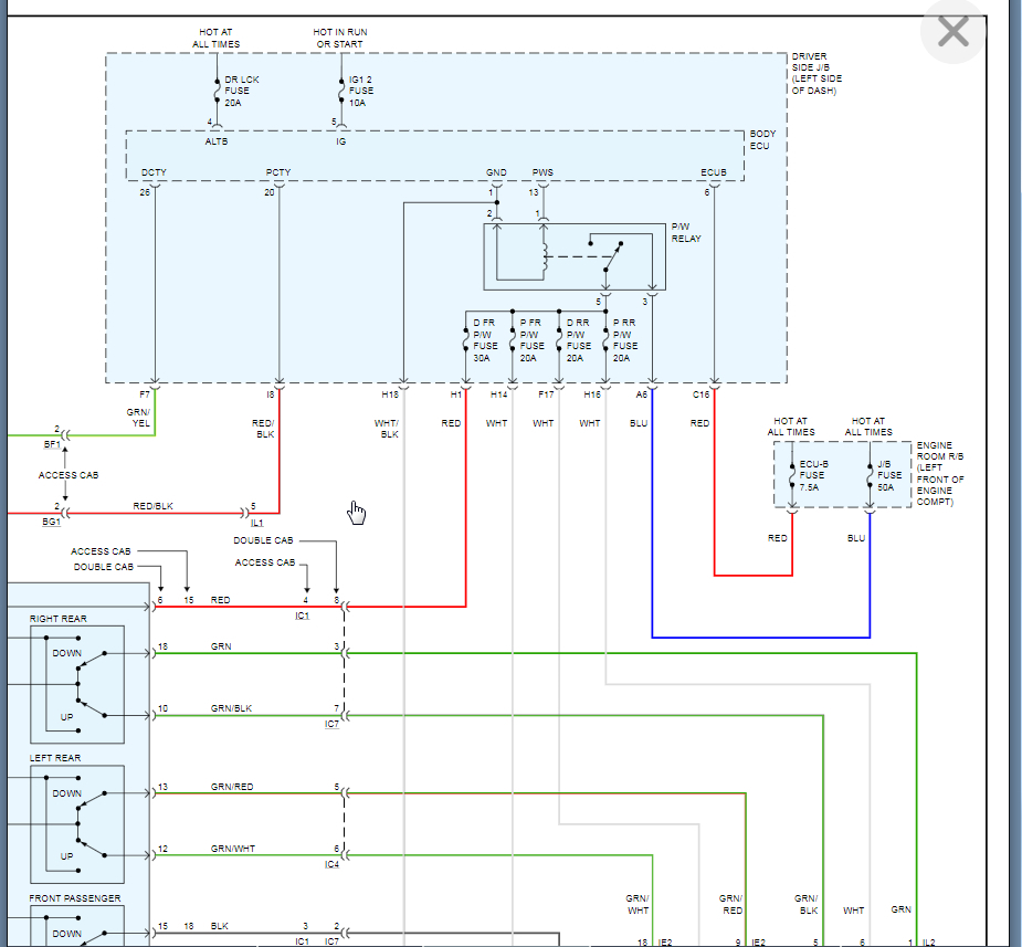
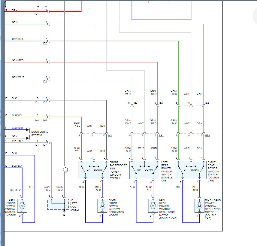
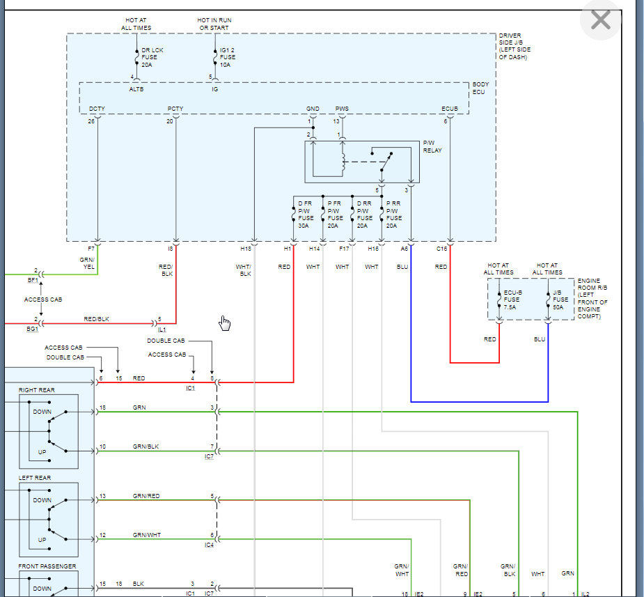
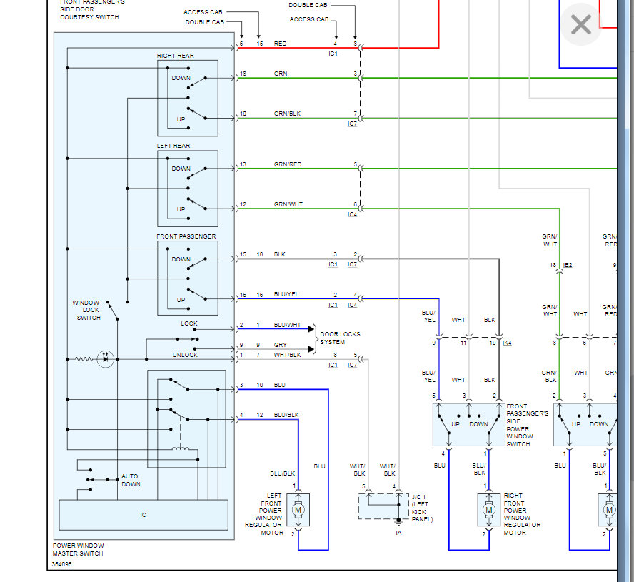
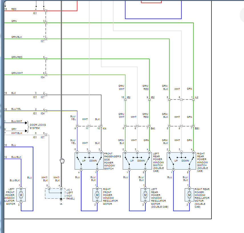
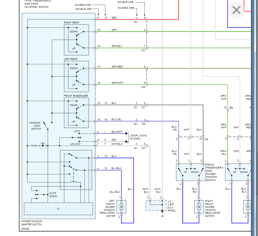
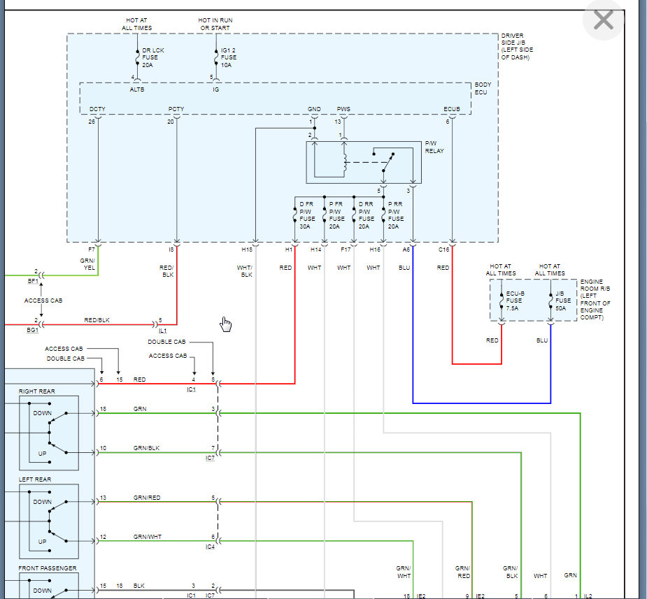
So let's look at the window issue. This power comes from the body computer which is on the left side of the dash. If you don't have power to any window then we need to check the relay (assuming the fuses are good as you stated). However, if there are specific windows that don't work then there are fuses down from the relay. Just let me know where you have power on the windows and we can go from there.

We will work through each issue but we need to focus on one at a time. Thanks
Dec 19, 2019 at 3:48 PM