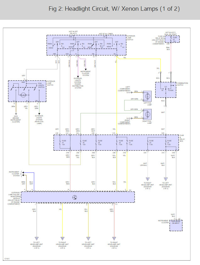
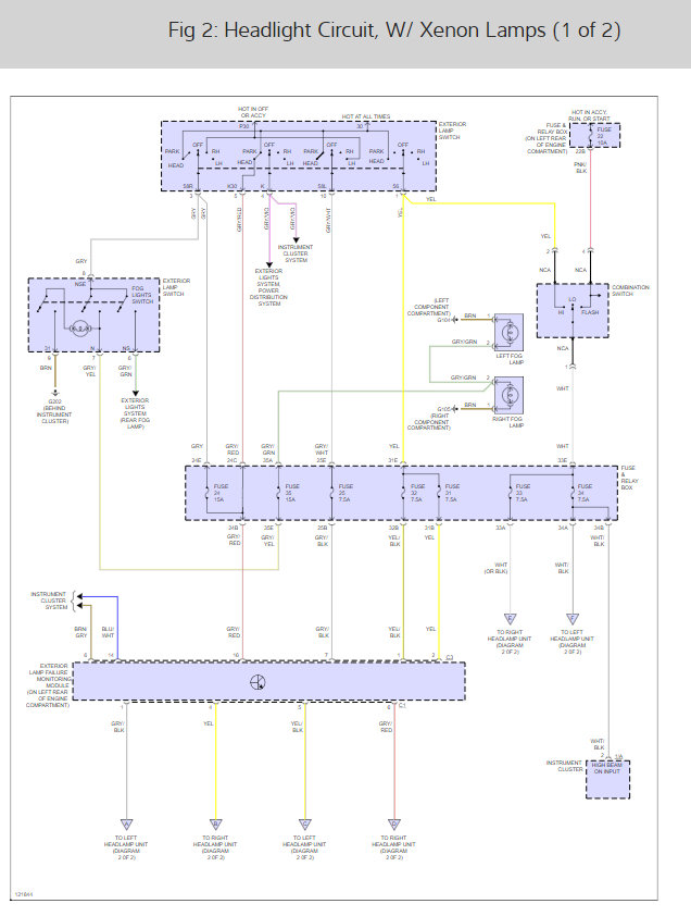
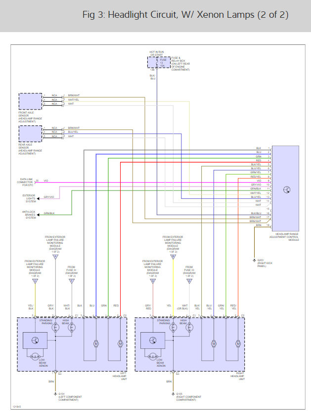
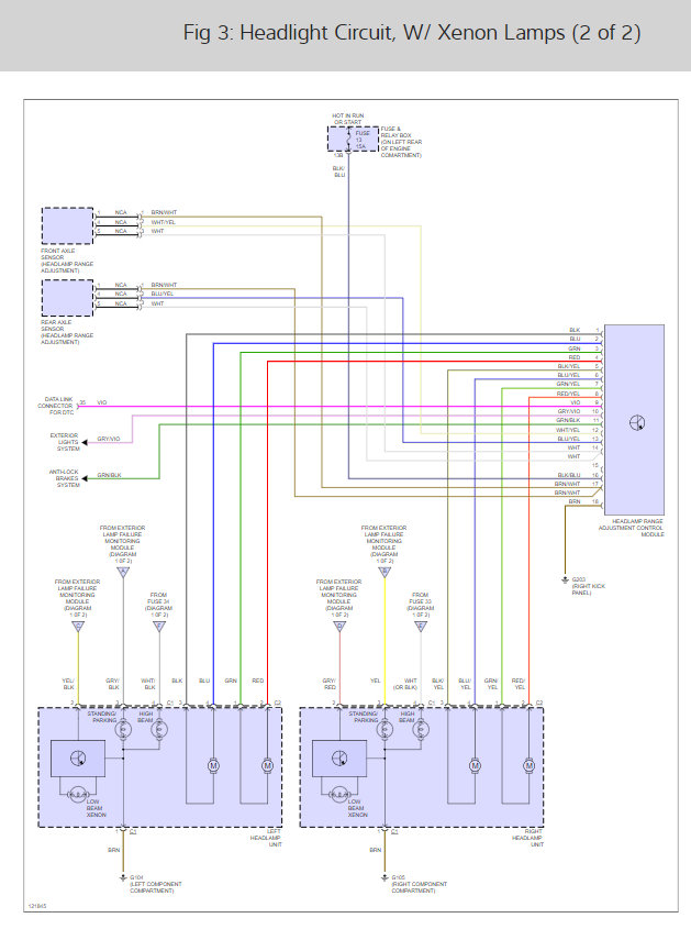
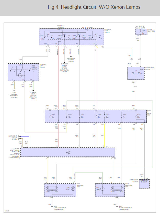
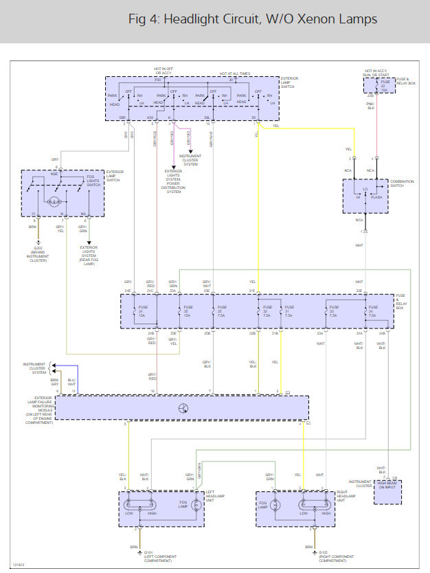
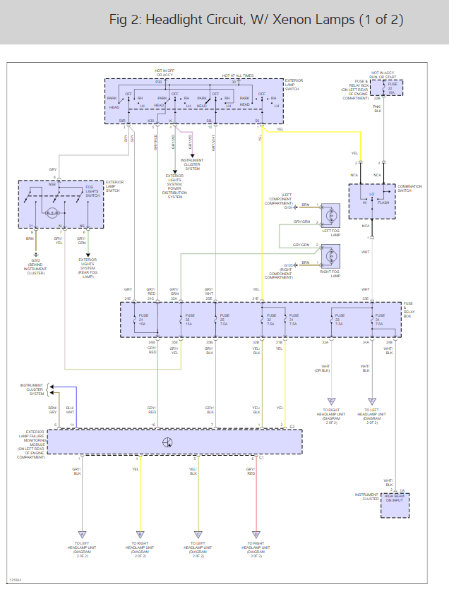
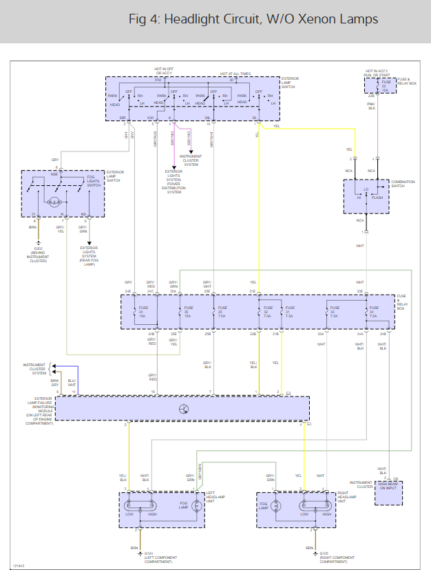
Neither the hi beam nor the low beam on the driver's side turns on when you turn the lights on. I checked the bulbs and they appear to be okay. Then I checked the fuse under the hood and it was not blown. Can you tell me where I can find the relay for this? Also, today someone told me I had no rear taillight or turn signal on the driver's side. Can you point me in the right direction? Thank you for your help
Apr 2, 2018 at 2:59 PM





