Electrical diagram for the rear-view mirror needed?

2017 LINCOLN MKZ
29,000 MILES
Avatar
MECHANICFIXIT
  • MEMBER
  • 15 POSTS
I'm looking for an electrical diagram of the rear-view mirror. I'm planning on wiretapping it to power a dash cam camera. The car listed above is a black label.
Dec 25, 2024 at 10:11 AM
Advertisement
Avatar
MECHANICFIXIT
  • MEMBER
  • 15 POSTS
I forgot to upload, here are some pictures.
Dec 25, 2024 at 10:13 AM
Avatar
STRAILER
  • CERTIFIED EXPERT
  • 53,854 POSTS
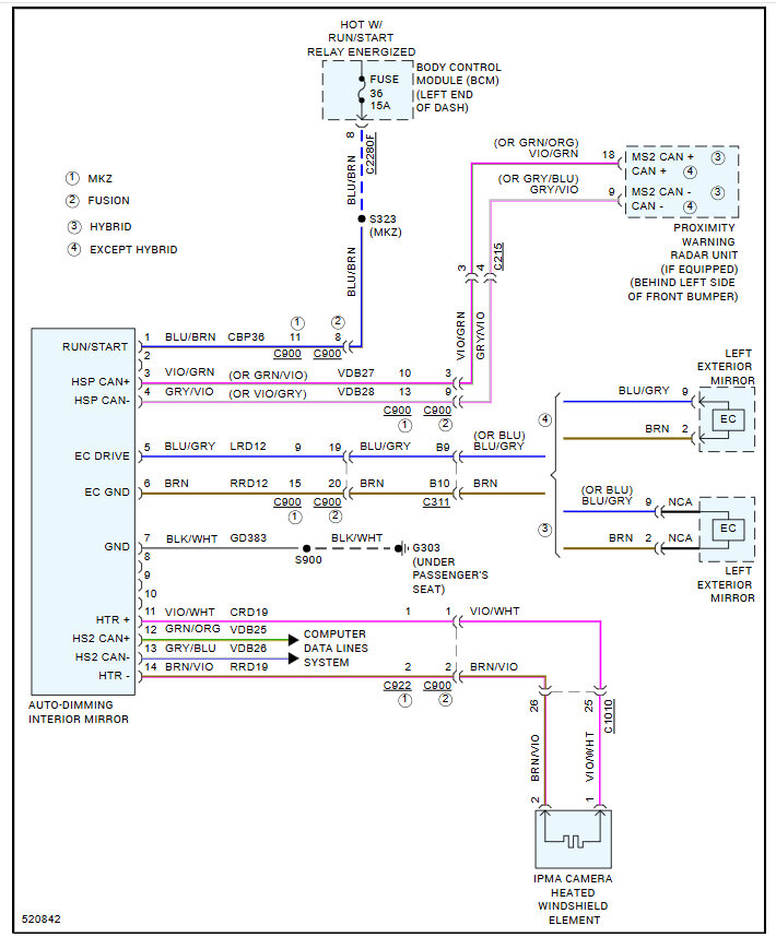
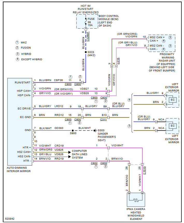
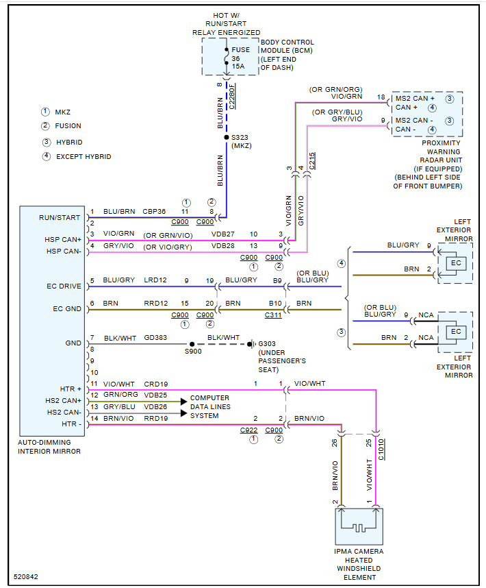
It looks like the blu/brn wire is 12 volts, here is the rear-view mirror wiring diagrams with the rain sensor system which looks like you have. Check out the images (below). Let us know if you need anything else.
Dec 26, 2024 at 12:53 PM
Advertisement