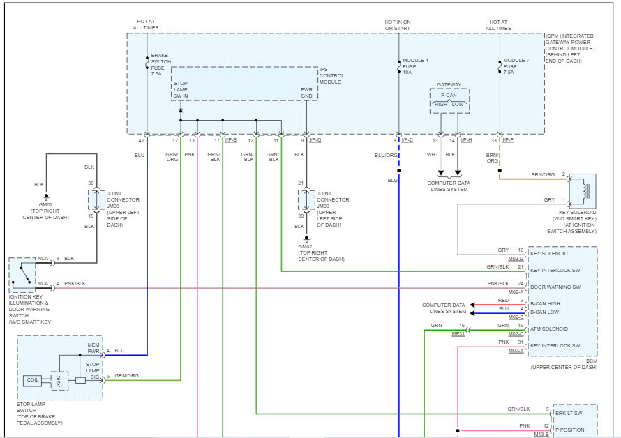
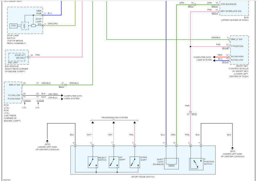
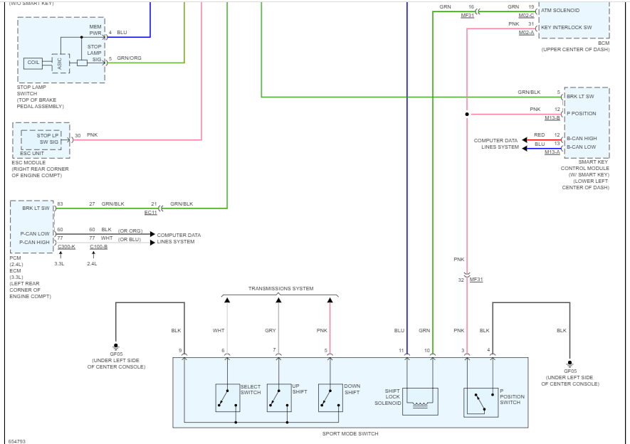
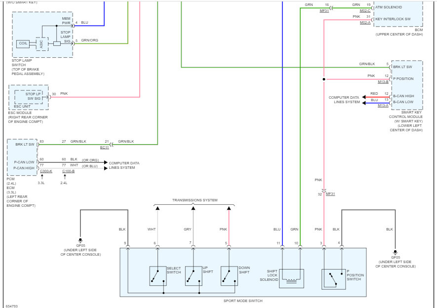
Hi, my car is stuck in park. Just wondering if you have an electrical diagram from shifter interlock solenoid going to main box. The problem is not giving enough voltage into solenoid when the brake is engaged.
Nov 26, 2022 at 2:42 PM

