tail light will not work?

2012 FORD FUSION
51,000 MILES • 2.5L • 2WD • AUTOMATIC
Avatar
ITISME1981
  • MEMBER
  • 15 POSTS
My driver side tail light will not work. Everything else works. It is not the bulb, socket, or the plug that plugs into it. Any suggestions were to start? Thanks.
May 5, 2016 at 9:11 PM
Advertisement
Avatar
STRAILER
  • CERTIFIED EXPERT
  • 53,854 POSTS
Hi ITISME1981

It sounds like the SJB is out and needs to be replaced but to be sure lets do a CAN scan which is the future of automotive repair you can get a CAN scanner from Amazon for about $50.00 here is a video to show you how.

https://youtu.be/InIlnsjOVFA

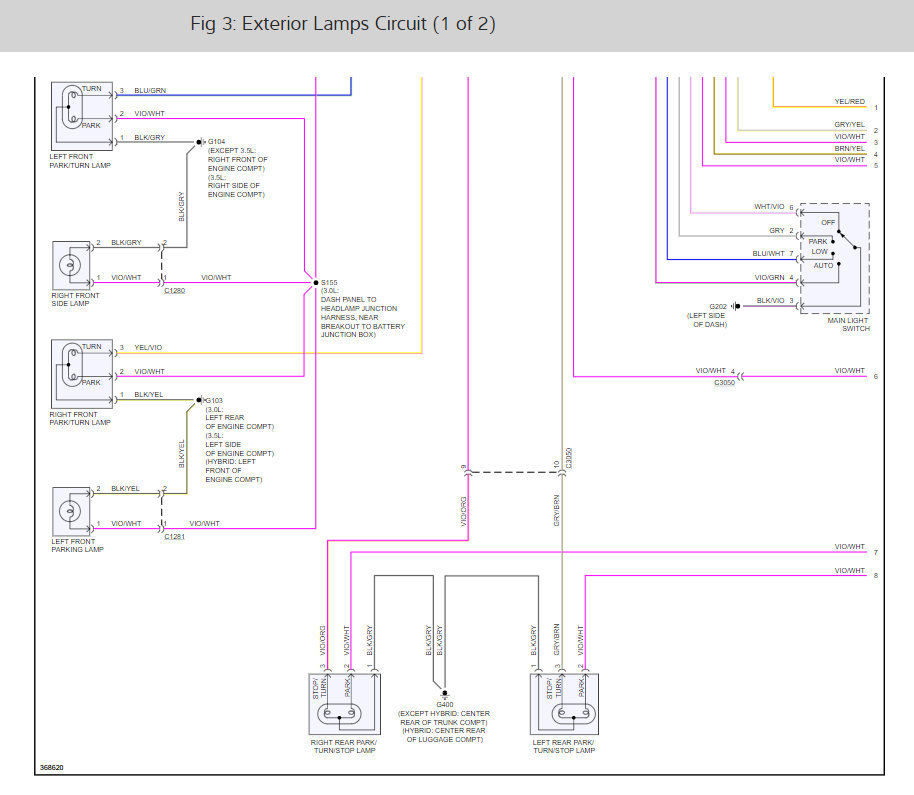
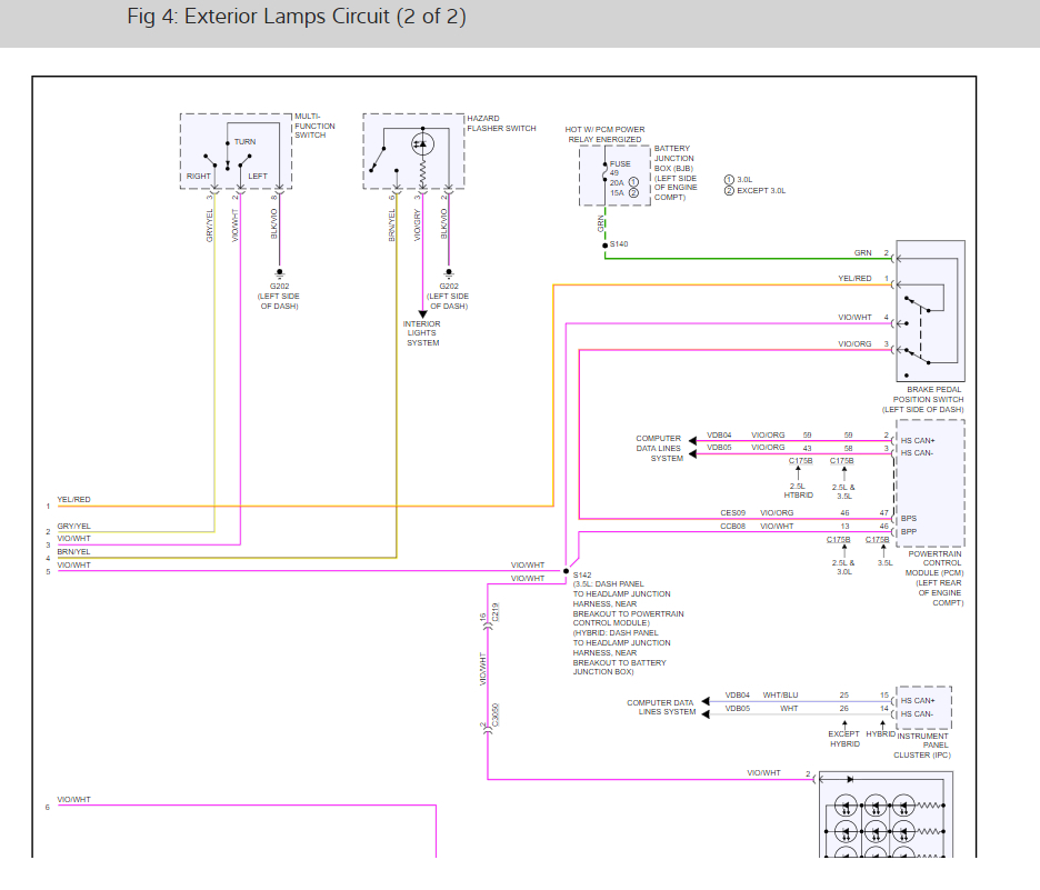
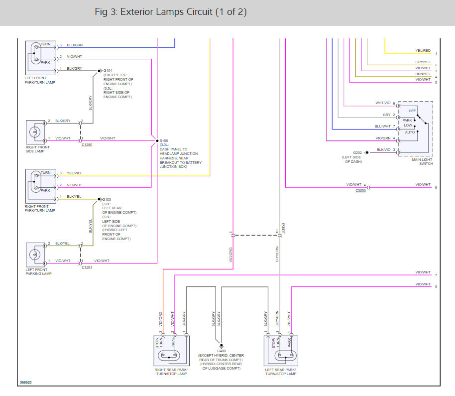
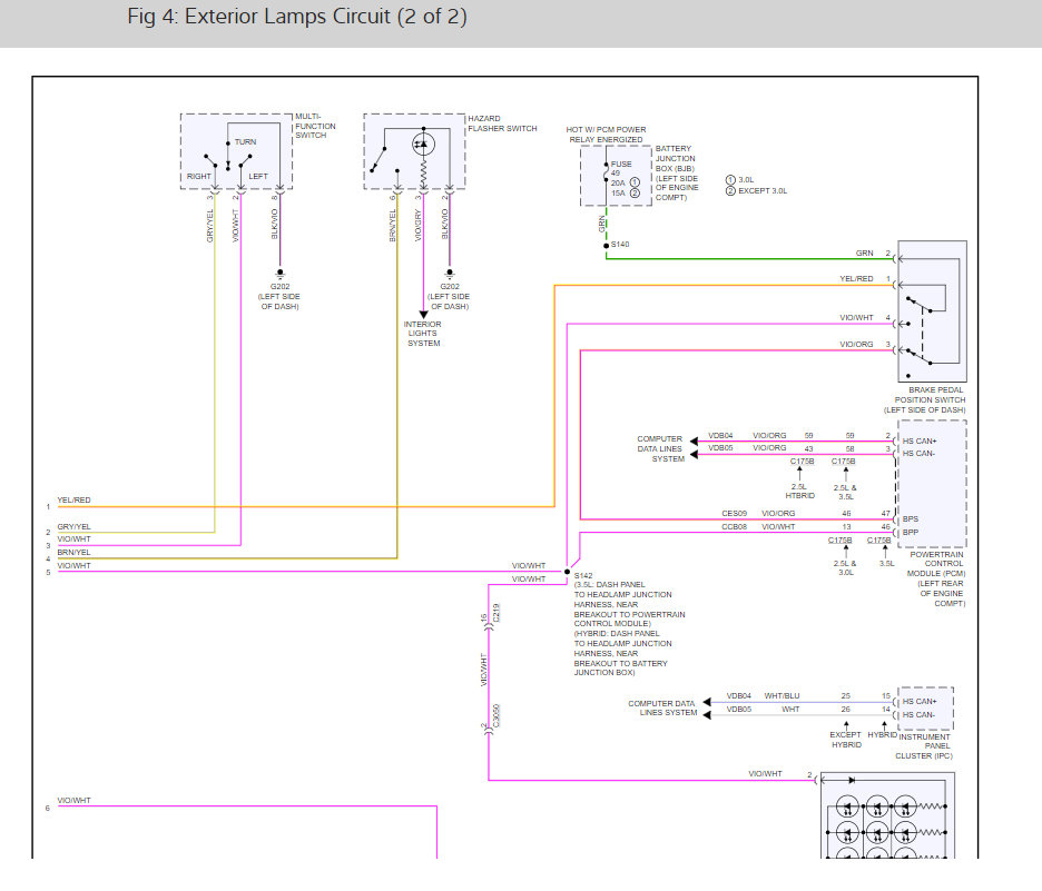
Here is the instructions on how to replace the SJB (smart junction box) in the diagrams below I have also included the tail light wiring diagrams so you can see how the system works. Check out the diagrams (Below). Please let us know what happens.

May 6, 2016 at 1:33 PM
Avatar
NIGELPP
  • MEMBER
  • 5 POSTS
Thanks! I had this repair had to get a new SJB cost me $342.00 fixed it!
Dec 13, 2019 at 1:51 PM
Advertisement
Avatar
TRAVISDALEMA
  • MEMBER
  • 1 POST
My. tail lights don't come on did not notice till I replace one of the front head light what can I do to fix it myself the bulbs appear to be good share and I have looked at fuses and they look to be ok also what can be done to find the problem?
Dec 13, 2019 at 1:52 PM (Merged)
Avatar
WRENCHTECH
  • CERTIFIED EXPERT
  • 20,761 POSTS
You can't just look at fuses. You have to test them all using a test light.
Dec 13, 2019 at 1:52 PM (Merged)
Avatar
THATSMEJOHNP
  • MEMBER
  • 1 POST
Ok i checked all the fuses with a test light and they are good still cant figure out why they dont work
Dec 13, 2019 at 1:52 PM (Merged)
Avatar
WRENCHTECH
  • CERTIFIED EXPERT
  • 20,761 POSTS
You'll have to follow the circuit using a wiring diagram and first determine which is missing, power or ground and then determine where.
Dec 13, 2019 at 1:52 PM (Merged)
Avatar
LUIS DAVILA
  • MEMBER
  • 7 POSTS
how can i fix left tail light on 1999 Ford windstar van. I check for power and is none, traces the wire still no nothing.cluster light indicating tail light malfunction. no matter what I do, no luck.i put a pig tail from right taillight to left, it work but the warning light at cluster stain on, I appreciate your help please. Thank, Luis Davila
Dec 13, 2019 at 1:52 PM (Merged)
Avatar
JDL
  • CERTIFIED EXPERT
  • 16,098 POSTS
Do the other tail lamps-- marker lites--tag lites, at the rear work? They are all connected, same voltage source. Gray wire with yellow tracer. You have to backtrack the circuit till you hit voltage. At the moment, I don't know about the warning lamp?
Dec 13, 2019 at 1:52 PM (Merged)
Avatar
RASMATAZ
  • CERTIFIED EXPERT
  • 75,992 POSTS
Check and test the Splice S-411 gray and yellow wire in body main harness near break out to G-400 could be open here to the left light bulb socket,Problem with the headlight switch, park relay and the smart junction box at base of left " A " Pillar
Dec 13, 2019 at 1:52 PM (Merged)
Avatar
SANDRA5037
  • MEMBER
  • 1 POST
The tail lights are no longer working,both of them. The brake lights work and so are the signal lights. It's not the bulbs. When we looked in the fuse box under the steering wheel and changed the fuses,they popped as soon as we put them in. What is the problem??
Dec 13, 2019 at 1:52 PM (Merged)
Avatar
JACOBANDNICKOLAS
  • CERTIFIED EXPERT
  • 110,175 POSTS
For that to happen, there has to be a dead short. Check the light sockets and the wiring going to them for damage. Also, check under the dash at the top of the brake pedal for wiring problems with the brake light switch.

Let me know what you find.

Joe
Dec 13, 2019 at 1:52 PM (Merged)