Headlights, brake lights and turn signals not working

2003 FORD MUSTANG
200,000 MILES • 3.8L • 6 CYL • 2WD • AUTOMATIC
Avatar
RANDYHUNT1980
  • MEMBER
  • 1 POST
I have replaced the blinker switch and relay and fuses and still have no headlights or blinkers and brake lights do not work.
Apr 19, 2018 at 12:40 PM
Advertisement
Avatar
STRAILER
  • CERTIFIED EXPERT
  • 53,854 POSTS
Hello,

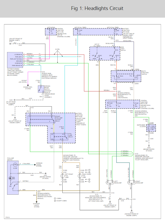
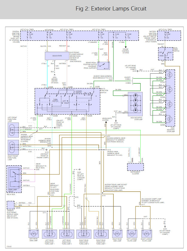
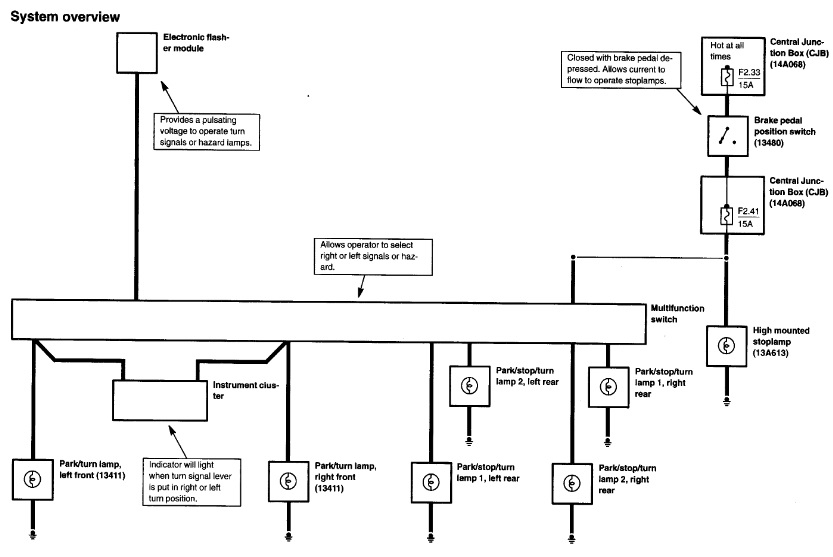
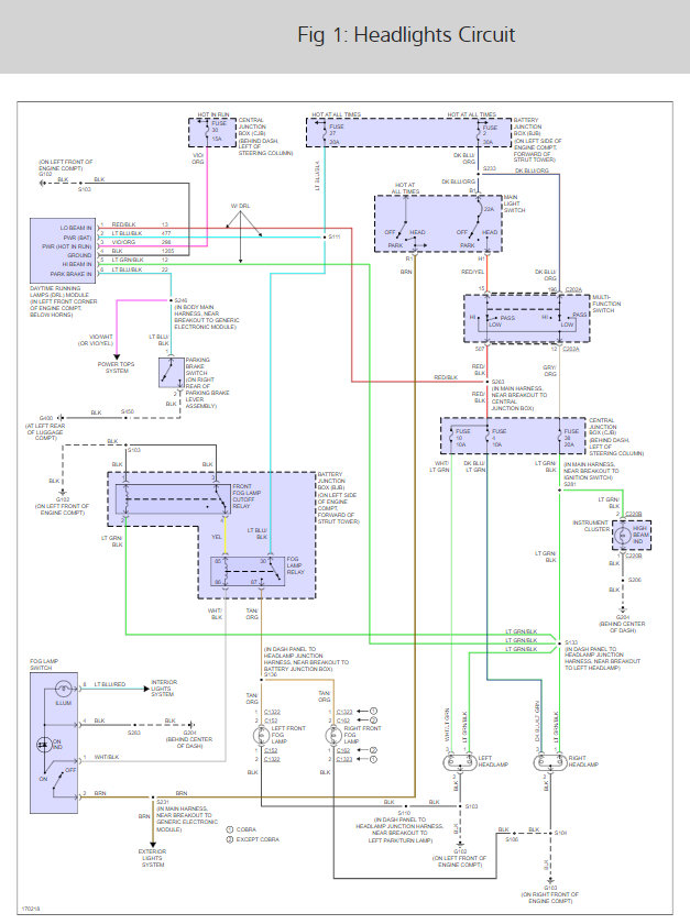
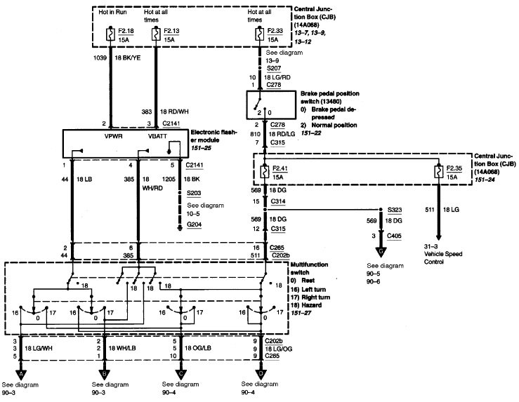
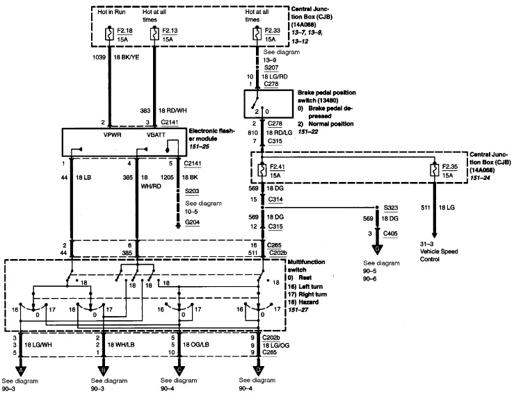
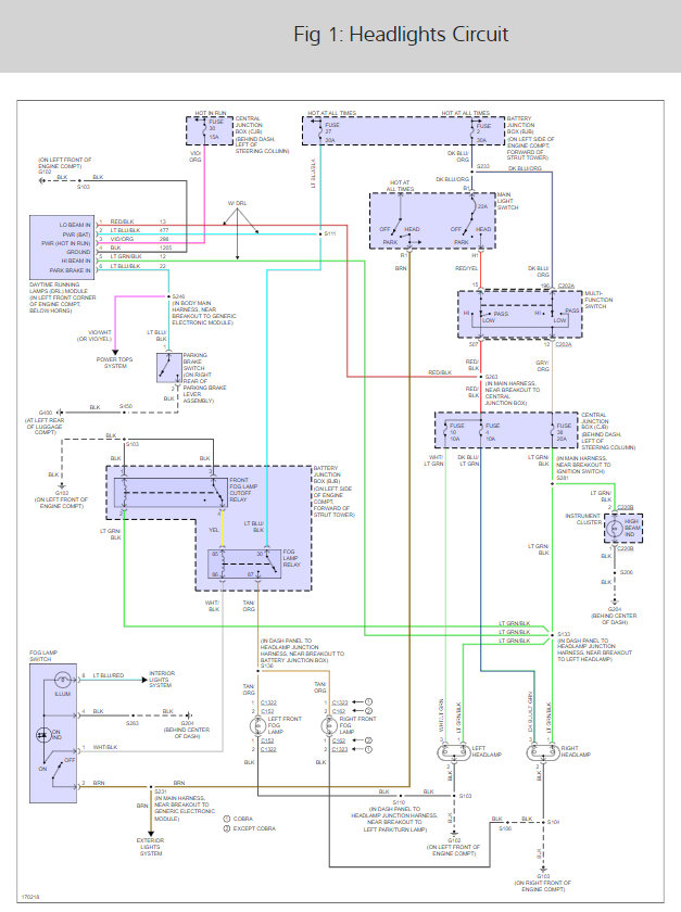
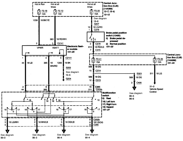
Can you check for power at the fuses 10 and 2 ? Here is a guide and the headlight and blinker wiring diagrams so you can see how it works along with the fuse locations.

https://www.2carpros.com/articles/how-to-use-a-test-light-circuit-tester

We are losing power somewhere please run some tests and get back to me.

Cheers, Ken
Apr 22, 2018 at 11:12 AM
Avatar
CJ MEDEVAC
  • CERTIFIED EXPERT
  • 11,004 POSTS
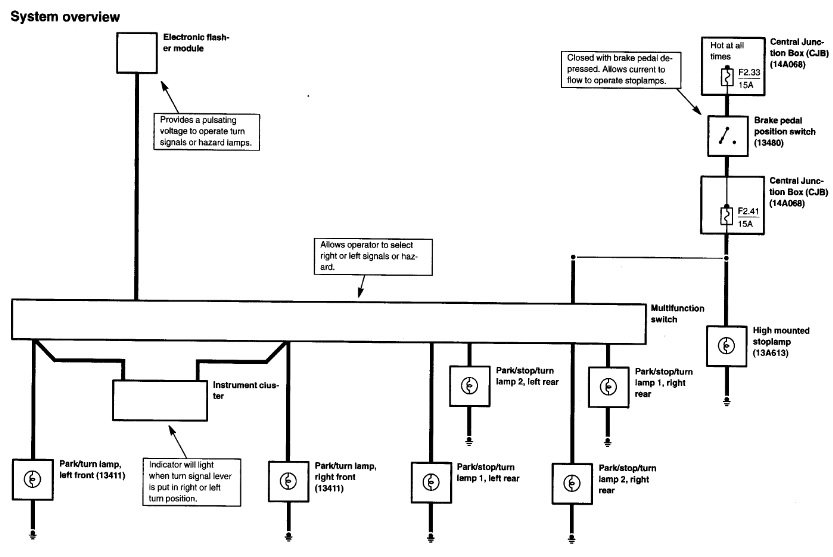
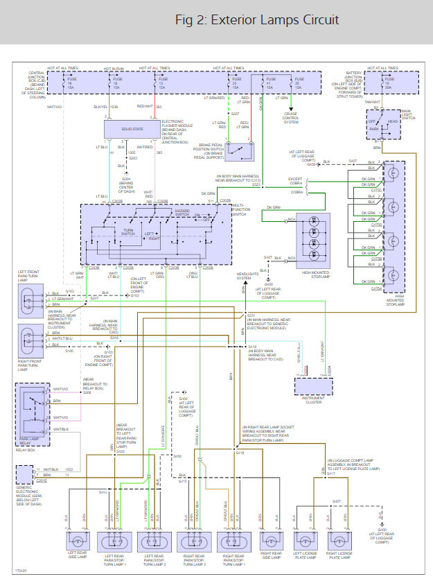
I fell asleep at the computer last night after grabbing a few diagrams from Alldata. Took me a while to find your question again!

Maybe they might aid with what Ken posted for you.

The fuse numbers may be more legible.

The Medic
Apr 22, 2018 at 11:42 AM
Advertisement