Aux battery terminals hooked up in reverse order, will not start on its own

2007 MERCEDES BENZ GL450
156,000 MILES • 4WD • AUTOMATIC
Avatar
MBGL450 OWNER
  • MEMBER
  • 1 POST
I changed the main and auxiliary batteries along with the alternator and I have the battery icon showing up on the instrument panel. I discovered the aux battery terminals were hooked up in reverse order. What do I need to check or replace? Could there be a blown relay? The vehicle will start with a jump but will not restart after turning off.
Feb 6, 2019 at 10:05 PM
Advertisement
Avatar
STRAILER
  • CERTIFIED EXPERT
  • 53,854 POSTS
Hello,

When the car is running does the alternator charge? This guide can help you run the test:

https://www.2carpros.com/articles/how-to-check-a-car-alternator

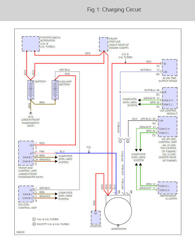
It could be a front SAM controller are something. Here is the alternator wiring diagrams so you can see how they system works. Also please check to make sure the batteries are in good shape because it sounds like one is not working right. Remove the battery cables to check for 12.6 volts on each.

https://www.2carpros.com/articles/how-to-use-a-voltmeter

Check out the diagrams (below). Please run some tests and get back to us.

Feb 8, 2019 at 1:06 PM