No power going to the ignition from the starter to firewall terminal?

1984 CHEVROLET SILVERADO
147,000 MILES • 6.2L • V8 • 2WD • AUTOMATIC
Avatar
DANNY4817
  • MEMBER
  • 1 POST
I can't get power to my ignition from my starter to firewall terminal, checked the fusible links at the starter and they are fine but can't find any other fusible links in the harness but when I try and jumper to terminal the wires start smoking at the stater when I try and start the engine...
Oct 2, 2023 at 9:30 PM
Advertisement
Avatar
STRAILER
  • CERTIFIED EXPERT
  • 53,854 POSTS
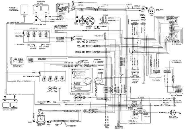
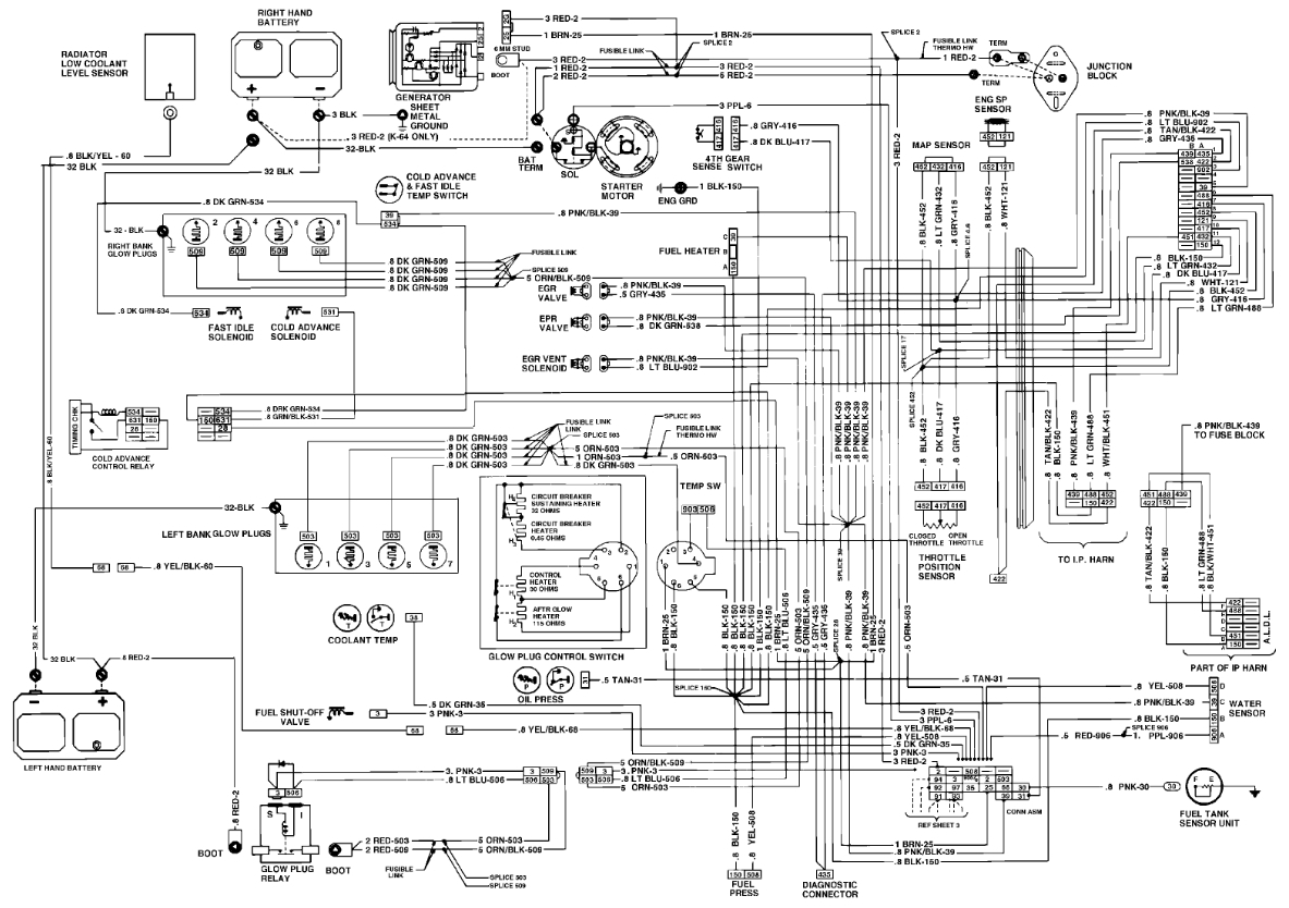
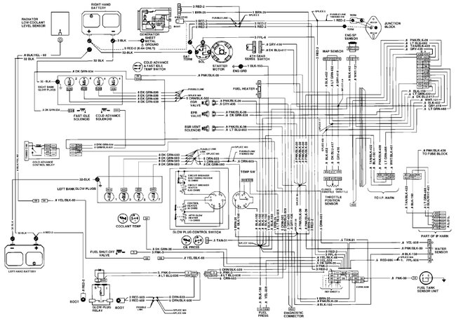
Okay, it sounds like you have a fusible link that is worn/burnt. Here is a guide to help you test them down at the starter and I found the engine and power wiring diagrams for your truck so you can see where the power comes from for testing.

https://www.2carpros.com/articles/how-to-use-a-test-light-circuit-tester

Check out the images (below). Please let us know how it goes.
Oct 3, 2023 at 11:17 AM