Can I get the wiring diagram for the cruise control?

2007 FORD EXPEDITION
156,000 MILES • 5.4L • V8 • 2WD • AUTOMATIC
Avatar
MECANICO3
  • MEMBER
  • 32 POSTS
Need cruise control wiring diagram. Cruise light turns on but not turning on.
Dec 16, 2024 at 6:27 AM
Advertisement
Avatar
AL514
  • CERTIFIED EXPERT
  • 5,464 POSTS
Hello, we can help with that, but have you had a full code scan done on the entire vehicle, it might show a trouble code stored related to the issue. I know on my vehicle if there are any trouble codes stored in the engine computer it automatically turns off the cruise control. In fact it happen today. Set a code for the Evap system but disabled the Cruise control.
Dec 16, 2024 at 11:55 AM
Avatar
AL514
  • CERTIFIED EXPERT
  • 5,464 POSTS
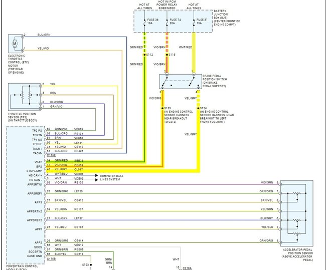
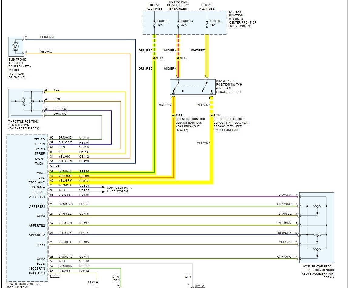
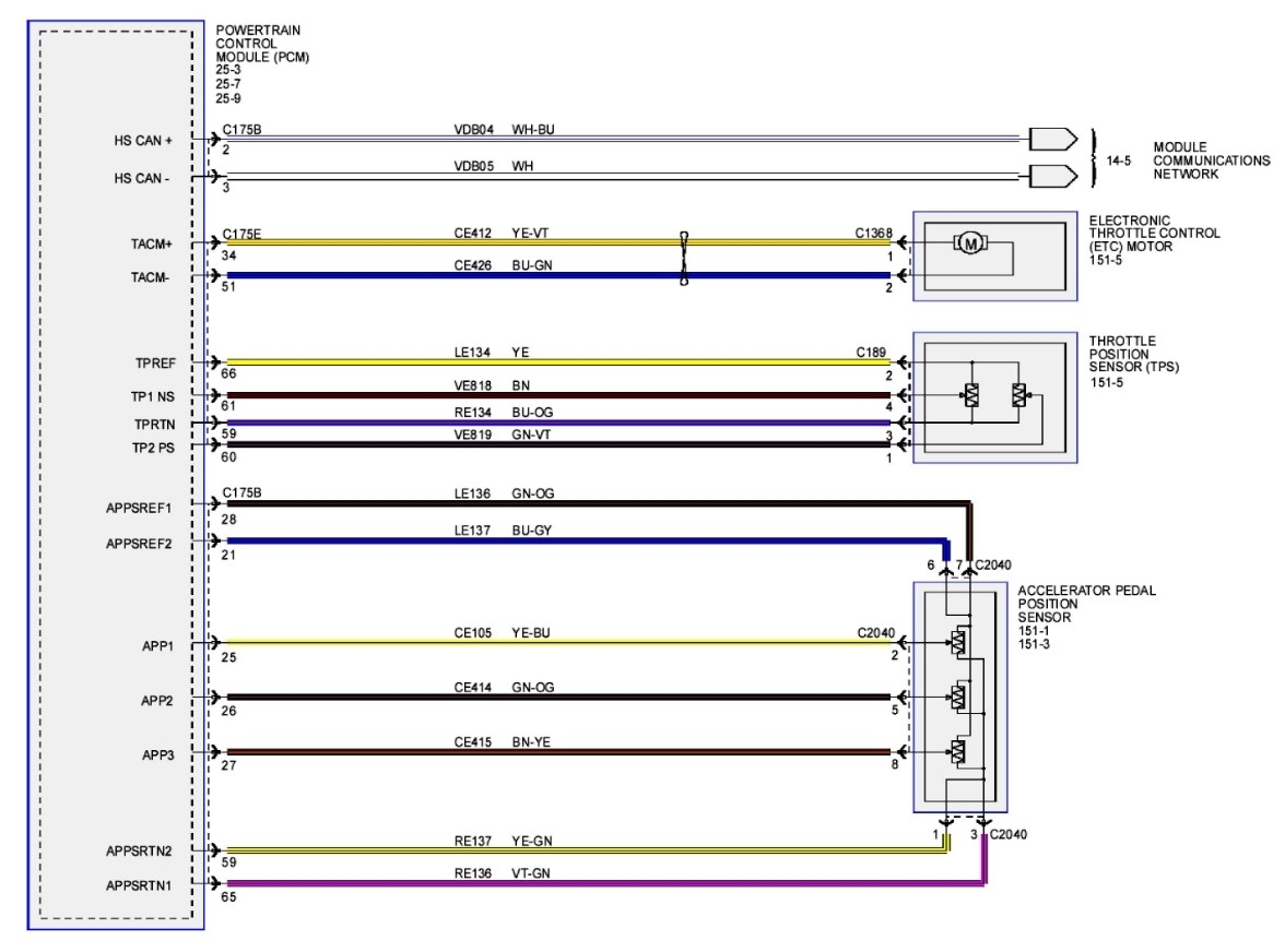
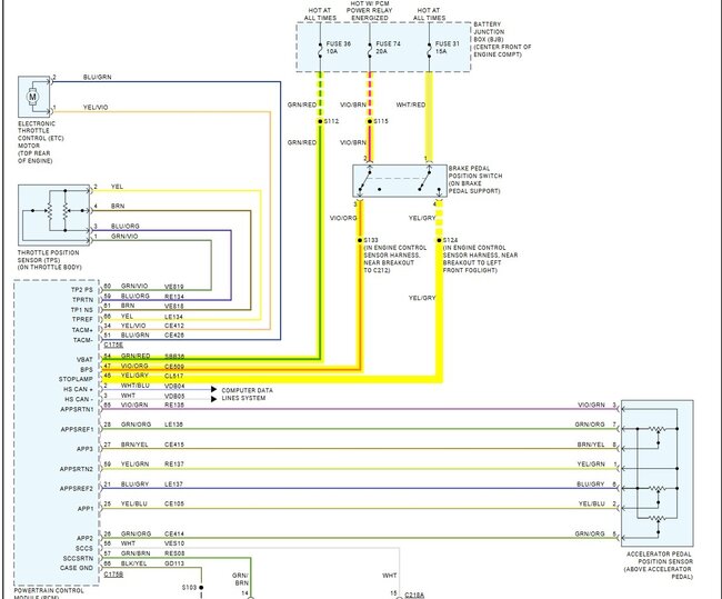
These are the aftermarket Cruise control wiring diagrams to get you started but will post the OEM ones as well.
Dec 16, 2024 at 11:59 AM
Advertisement
Avatar
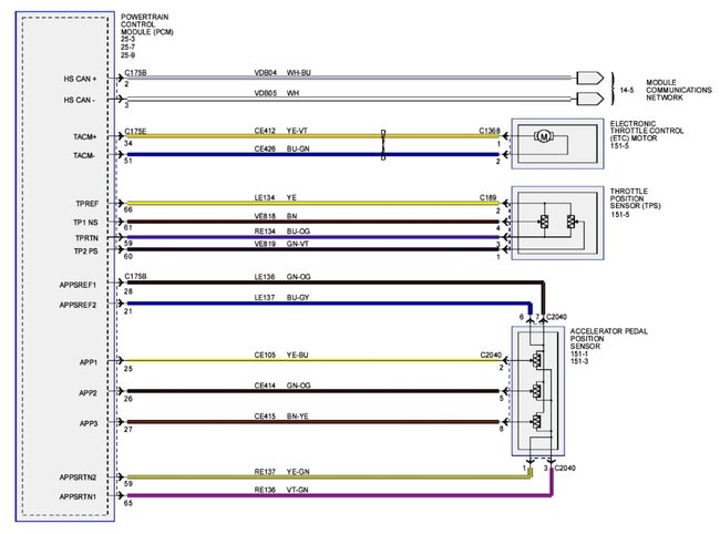
AL514
  • CERTIFIED EXPERT
  • 5,464 POSTS
These are Ford OEM diagrams. How do you like the 07?
Dec 16, 2024 at 12:02 PM