All dash warning lights are on?

2013 KIA SOUL
144,000 MILES
Avatar
RONNIE PILES
  • MEMBER
  • 1 POST
The only gauge that works is the fuel level, the A/C compressor won't engage. The shifter is locked in park. Scanner would not communicate with ECM. Installed a new ECM still the same issues. The engine runs fine and transmission shifts normally. All exterior and interior lights work.
Oct 12, 2022 at 10:01 AM
Advertisement
Avatar
STRAILER
  • CERTIFIED EXPERT
  • 53,854 POSTS
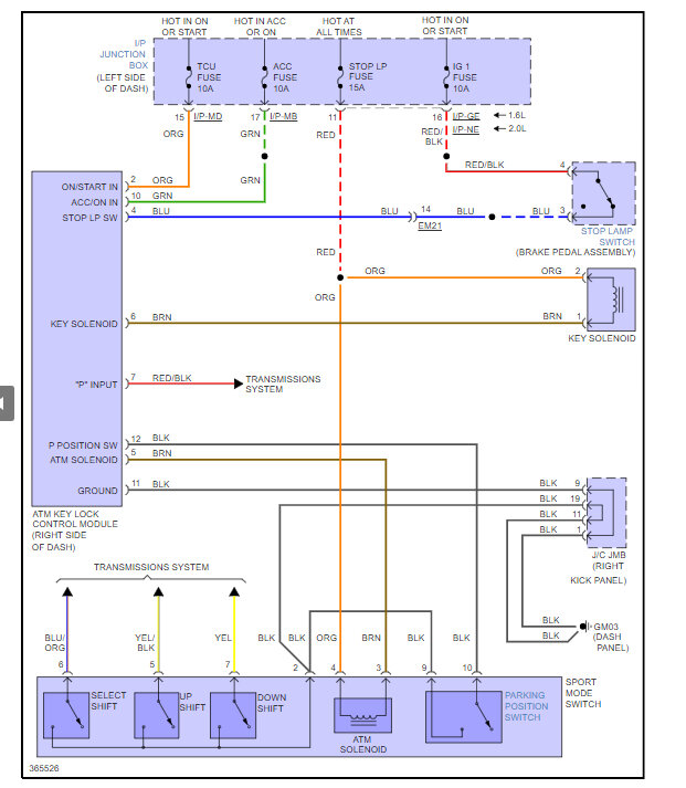
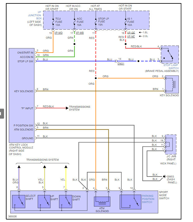
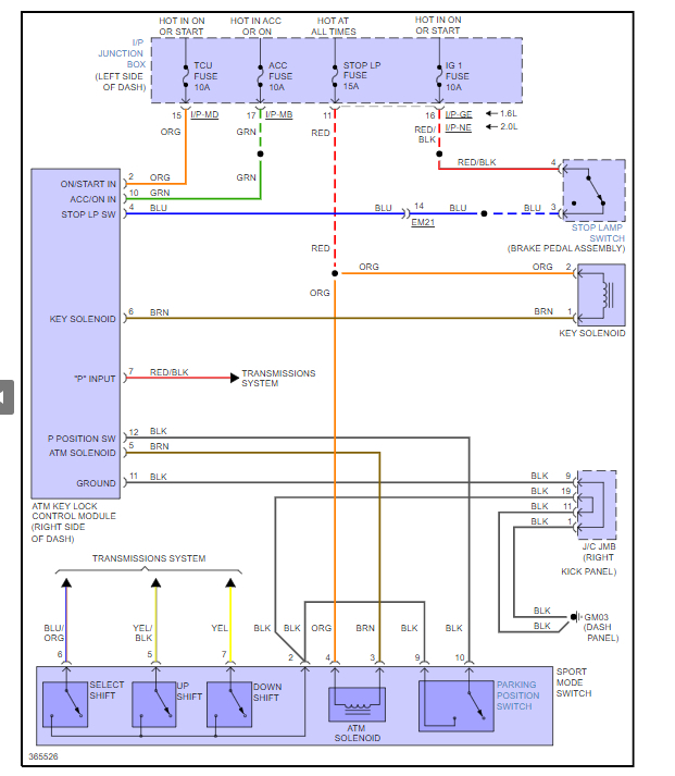
It sounds like you have a instrument cluster or BCM that when out but we should see if the Cluster, Room LP and IG2 fuse are okay inside the under-dash fuse panel on the driver's side. This guide can help, and I have included the fuses in the images below. If fact check all of the fuses for power with the key on.

https://www.2carpros.com/articles/how-to-check-a-car-fuse

Here are the component wiring diagrams so you can see how the system works. You might have a power distribution module PDM that is out. Also check the ACC, IG2 and IG1 relays

https://www.2carpros.com/articles/how-to-check-an-electrical-relay-and-wiring-control-circuit

Check out the images (below). Please let us know what happens.
Oct 12, 2022 at 6:21 PM