my wipers do not work (though the fluid still pumps) and my head lamps do not work?

2002 CHEVROLET CAVALIER
100,000 MILES
Avatar
DOUGLASTHEDRAKE
  • MEMBER
  • 2 POSTS
I successfully replaced my fuel pump. Since then, my wipers do not work (though the fluid still pumps) and my head lamps do not work (though the daytime running lights still work).
Sep 27, 2022 at 6:05 PM
Advertisement
Avatar
STRAILER
  • CERTIFIED EXPERT
  • 53,854 POSTS
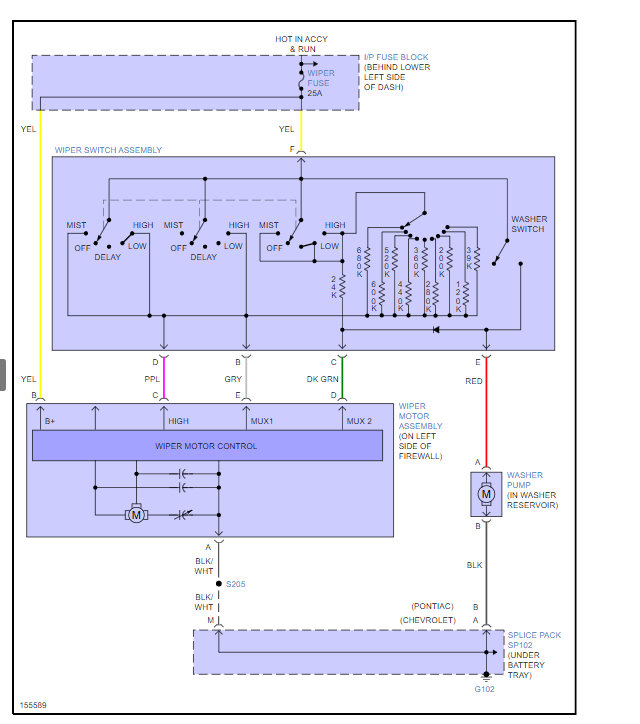
There is a common ground under the battery tray I would look at first, it affects both systems. Also, check the fuses. here is a guide to help and the headlight and wiper wiring diagrams so you can see which fuses to check and how the systems work.

https://www.2carpros.com/articles/how-to-check-a-car-fuse

Check out the images (below). Please let us know what happens.
Sep 28, 2022 at 4:44 PM