lower dash board, shift console, and tailgate lights do not turn on

2007 PONTIAC G6
115,000 MILES • 3.5L • 6 CYL • 2WD • AUTOMATIC
Avatar
JONATHANSCOTT123
  • MEMBER
  • 5 POSTS
Hello. I have the car listed above GT model. The lower dash board lights, shift console and tailgate lights do not come on. I replaced the fuse and rely switch and lights still do not come on. Can you tell what is wrong and how to fix it?
Jan 14, 2020 at 10:10 AM
Advertisement
Avatar
STRAILER
  • CERTIFIED EXPERT
  • 53,854 POSTS
Hello,

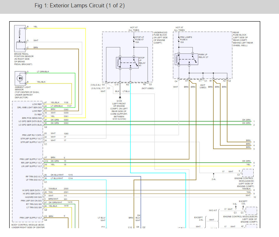
There is a tail light relay #27 and fuse #6 that needs to be checked. here are two guides and the fuse and relay locations in the diagrams below. Rear fuse panel

https://www.2carpros.com/articles/how-to-check-a-car-fuse

and

https://www.2carpros.com/articles/how-to-check-an-electrical-relay-and-wiring-control-circuit

Check out the diagrams (below). Please let us know what you find. We are interested to see what it is.

Jan 15, 2020 at 12:44 PM
Avatar
JONATHANSCOTT123
  • MEMBER
  • 5 POSTS
Both fuse and relay were replaced with new lamps still do not work
Jan 15, 2020 at 1:47 PM
Advertisement
Avatar
JONATHANSCOTT123
  • MEMBER
  • 5 POSTS
Would the BCM connection or BPPF having gone bad cause this with the tail lamps, lower dash lights, console shifter and door locks not coming on?
Again back up lights come on and brake lights.
Jan 15, 2020 at 1:50 PM
Avatar
STRAILER
  • CERTIFIED EXPERT
  • 53,854 POSTS
The BCM controls these circuits. I have included the wiring diagrams so you can see how the system works with the instructions on how to replace the BCM in the diagrams below. Check out the diagrams (below). Please let us know what happens.



Jan 16, 2020 at 10:05 AM
Avatar
JONATHANSCOTT123
  • MEMBER
  • 5 POSTS
I took the car to a GM dealer they checked the BCM and said not is not the problem. wanted $139.00 to do a diagnostic then cost to fix. Any other idea what could be wrong I can check and see if I can fix it? Thank you.
Jan 20, 2020 at 12:39 PM
Avatar
STRAILER
  • CERTIFIED EXPERT
  • 53,854 POSTS
Looking at the wiring diagrams I see an interior light fuse. can you check to see if it has power please?
Jan 21, 2020 at 9:38 AM
Avatar
JONATHANSCOTT123
  • MEMBER
  • 5 POSTS
It is late just seeing the message I will check in the morning. thank you and this would affect the tailgate lights as well? Will have to check the diagrams as to whether the fuse is in the side fuse box inside right side of car or under the hood. Thank you.
Jan 21, 2020 at 9:07 PM
Avatar
STRAILER
  • CERTIFIED EXPERT
  • 53,854 POSTS
Okay, let me know I want to get this fixed for you.
Jan 22, 2020 at 9:41 AM