headlights not coming on

2003 MITSUBISHI GALANT
150,000 MILES
Avatar
ALSAN99
  • MEMBER
  • 2 POSTS
Hi thanks for the chance. Turn car on and lights do not come on, head lights, rear lights, fog lights, dash lights. Only turn signal when lever moved to right or left. brake light do come on when applied. Fuses are okay. Help please!
Thanks
Sep 20, 2017 at 10:53 AM
Advertisement
Avatar
STRAILER
  • CERTIFIED EXPERT
  • 53,854 POSTS
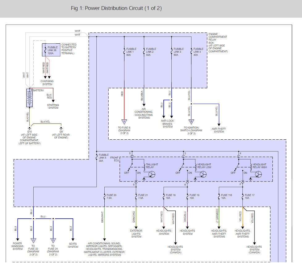
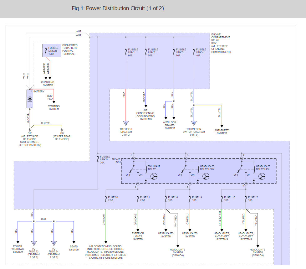
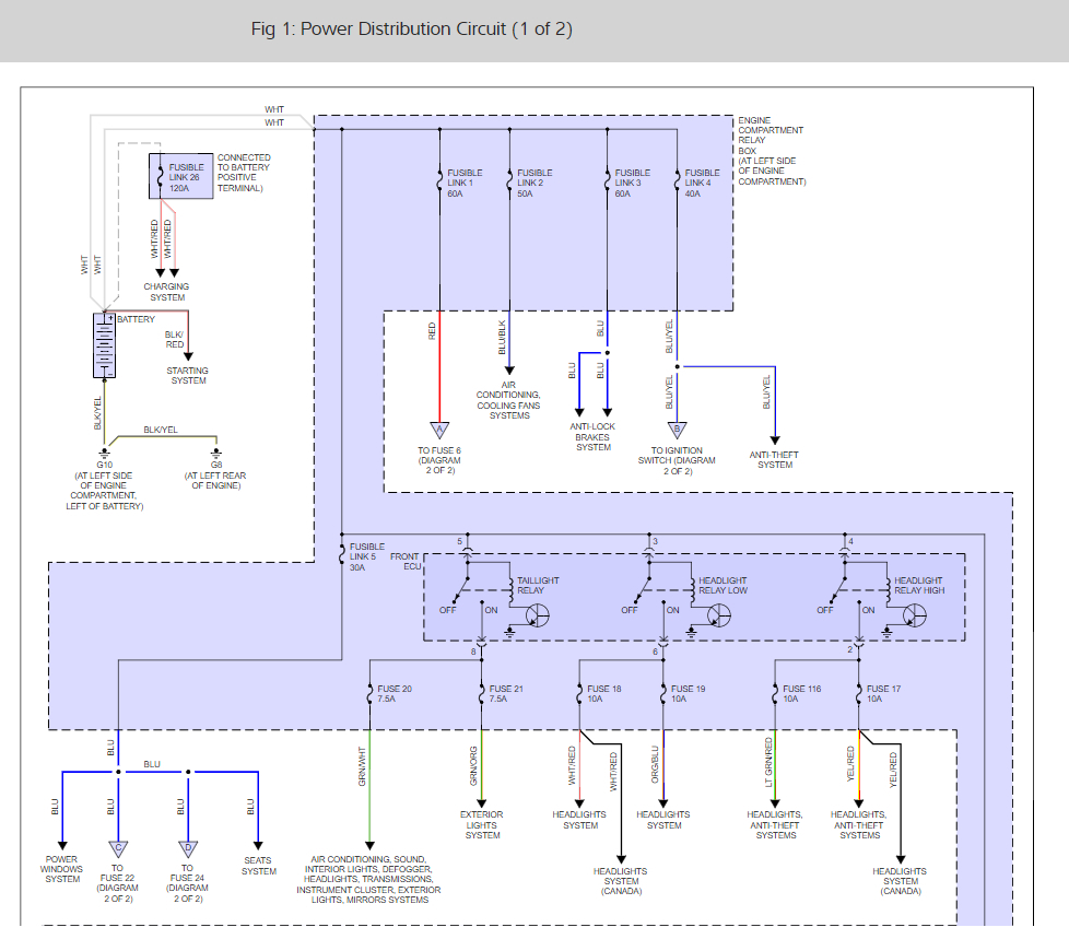
A few things come to mind for this problem, of course we should make sure the battery is okay. An auto parts store can do this for you for free. Next is you have a fusible link that is out here is a guide and some diagrams (Below) so you can do some testing there.

https://www.2carpros.com/articles/how-to-replace-a-car-battery

and

https://www.2carpros.com/articles/how-to-check-a-car-fuse

If they check out the next place I would test is the ignition switch. Check to see if power is flowing through it.


Please let us know what happens and upload pictures or videos of the problem.

Cheers, Ken
Sep 21, 2017 at 2:21 PM
Avatar
ALSAN99
  • MEMBER
  • 2 POSTS
I thank you for your time. I will try this as soon as possible.
Sep 22, 2017 at 7:42 PM
Advertisement
Avatar
STRAILER
  • CERTIFIED EXPERT
  • 53,854 POSTS
Please let us know what happens so it will help others.

Cheers, Ken
Sep 23, 2017 at 12:20 PM