Replaced battery. Alternator is good. Car runs and starts good shut off cranks but hard to start. It will start if you leave it sit for awhile. Bought a cheap tester that you hook up to battery and the other end to check fuses.. dome light connection is bad somewhere.
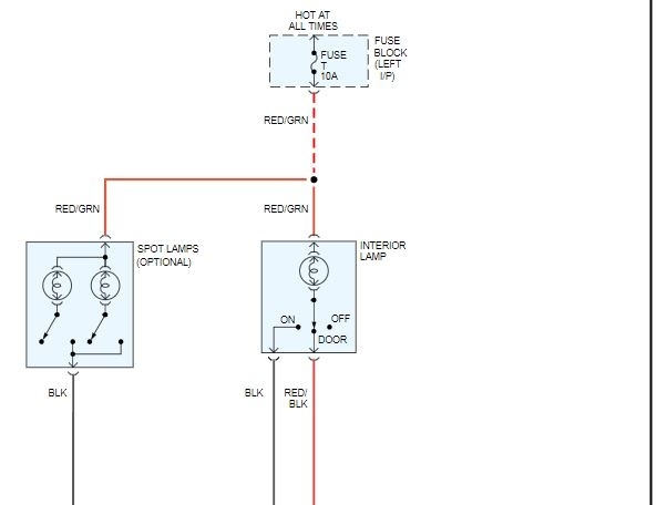
But i can't find a diagram of the wires. could you help? Thank you. it is a pickup not a 180sx sorry.
But i can't find a diagram of the wires. could you help? Thank you. it is a pickup not a 180sx sorry.
Aug 17, 2019 at 9:09 AM

