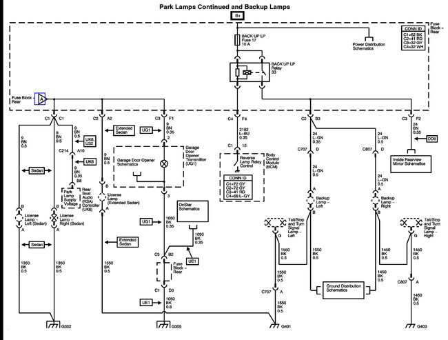
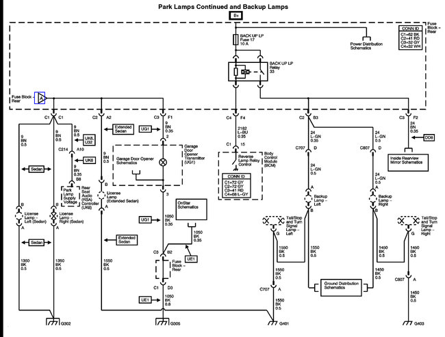
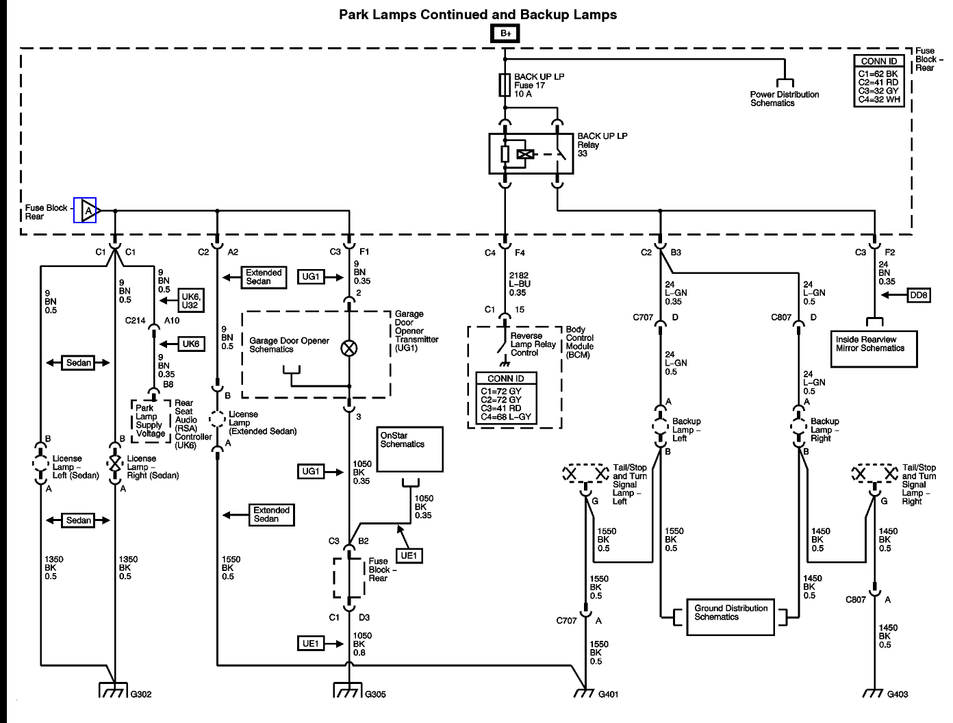
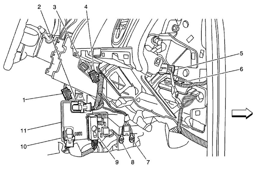
Okay, in that case you have a short in the system, finding it will be the trick. That is because that relay feeds more than just the lights. In the attached you can see how it feeds the lights front and rear as well as other items. The short will be on the brown wired portion of the circuit as a short after a light wouldn't blow the fuse.
Does the fuse blow instantly on insertion or only when you turn on the lights?
To start testing you could remove connector two on the rear fuse panel. That would break the power feed to the rear lights. If the fuse still blows the problem is more likely to be in the wiring from the fuse box forward.
If it does not blow you will need to check for the brown wire being shorted in the rear of the car.
The easier way to do this is with a short finder. Either a fox and hound or one of the older mechanical styles. The other option is to follow the lighting harness and look for damage or a short.
Images (Click to enlarge)
May 11, 2018 at 6:08 PM