My son recently drove this car and the battery light came on?

2007 DODGE CHARGER
153,000 MILES • 5.7L • V8 • 2WD • AUTOMATIC
Avatar
DOUG NSTACY JOLLY
  • MEMBER
  • 1 POST
Hello,
My son recently drove this car to Tennessee and the battery light came on. He took it to a local Advance and the battery and Alternator tested fine. We need to check the fuses.
Nov 29, 2016 at 5:42 PM
Advertisement
Avatar
KASEKENNY
  • CERTIFIED EXPERT
  • 18,907 POSTS
Here is a guide that will help with testing and replacing fuses and relays:

https://www.2carpros.com/articles/how-to-check-a-car-fuse

https://www.2carpros.com/articles/how-to-check-an-electrical-relay-and-wiring-control-circuit

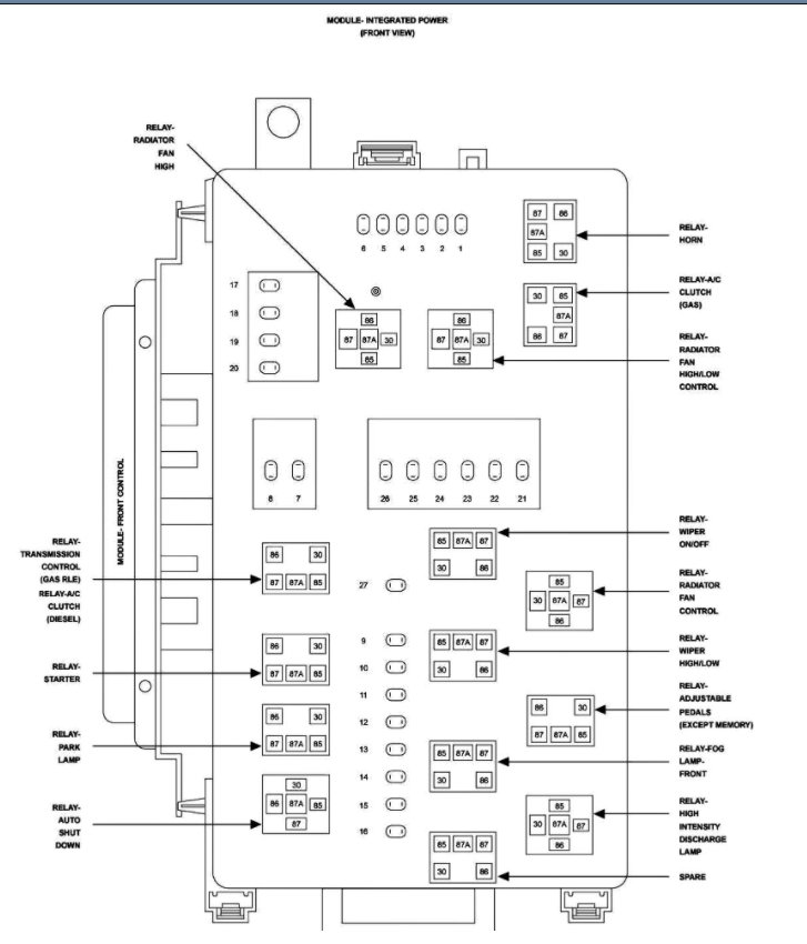
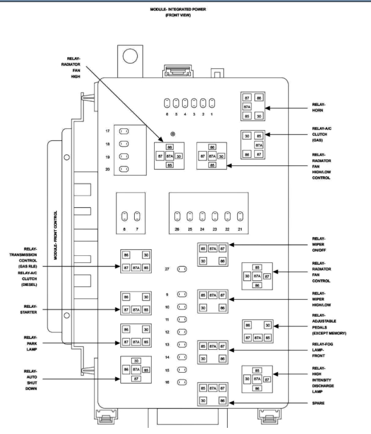
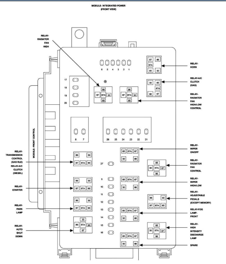
Plus below is chart and description of the fuses for this vehicle. Please let us know if you need other info. Thanks
Jun 28, 2021 at 7:50 PM