The taillights kept blowing fuses causing taillights and license plate lamps to not work?

2013 FORD EDGE
139,000 MILES • 3.5L • V6 • 4WD • AUTOMATIC
Avatar
HMP1128
  • MEMBER
  • 1 POST
The backup camera was not working as well. I took it to a car shop, and they ran a diagnostics test and found a short circuit. The shop said I needed to have the liftgate panel replaced. Can’t I just replace the wiring harness and if so, what part number do I get? The vehicle listed above is a Limited Edition.
Oct 11, 2022 at 5:40 PM
Advertisement
Avatar
STRAILER
  • CERTIFIED EXPERT
  • 53,855 POSTS
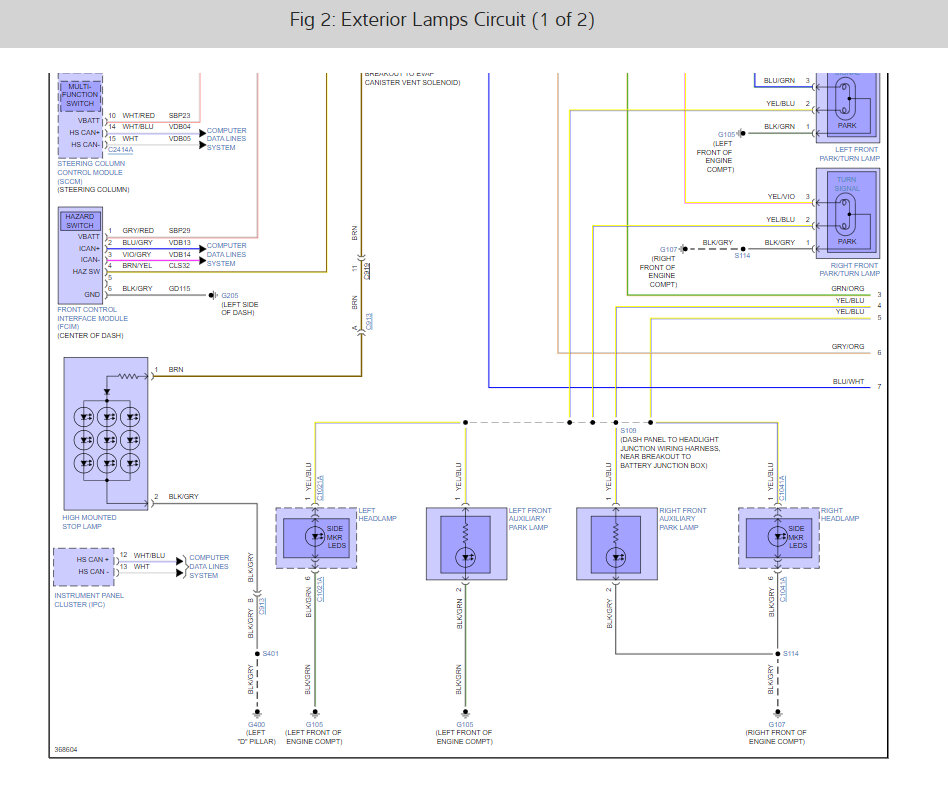
It would be easier to find the problem which won't be that hard, I would remove the taillights and front marker light bulbs to see if one of them has melted, which is usually what happens. Here is a wiring diagram for the running lights so you can see how the system works. Also, i have included how to remove the bulbs as well. Can you tell me which fuse is blowing? Check out the images (below). Let us know what happens and please upload pictures or videos of the problem.







Oct 12, 2022 at 12:33 PM