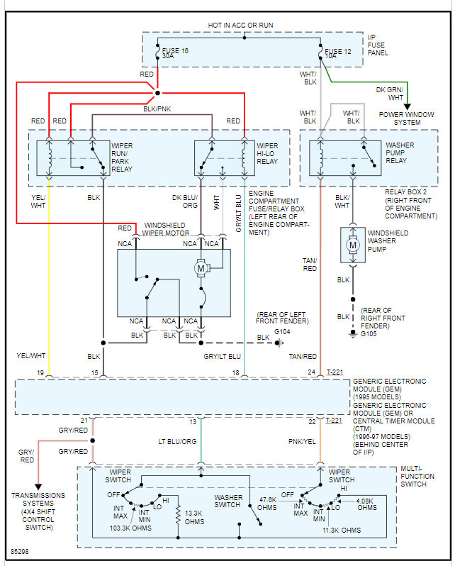
Yes. That is exactly what is happening. If it is not the GEM itself which many not be a visible failure, it is a circuit issue coming off of the GEM.
However, there are no circuits that all these system have in common coming out of the GEM which is why I suspect that is the issue. Basically when it is raining the humidity is high and it can cause issues.
The only way to fix this is to test it when it fails. So we need to wait until it rains and test it. Or start the vehicle turn the wipers on and start spraying the vehicle down with water.
This includes the undercarriage and wheel well areas to try and find when the wipers shut off.
Let me know if you have questions on this. Thanks
Sep 4, 2021 at 8:24 AM