Electrical diagram

2001 MITSUBISHI MIRAGE
17,000 MILES • 1.8L • 4 CYL • 2WD
Avatar
BEBO1313
  • MEMBER
  • 2 POSTS
First of all! I want to say thank you very much for the free question. I am needing good detail electrical diagram please. Thanks!
Oct 26, 2018 at 8:00 PM
Advertisement
Avatar
JACOBANDNICKOLAS
  • CERTIFIED EXPERT
  • 110,175 POSTS
Hi and welcome to 2CarPros.com.

Can you tell me what component or system you need the schematic to cover?

Let me know.
Joe
Oct 28, 2018 at 12:01 AM
Avatar
BEBO1313
  • MEMBER
  • 2 POSTS
Engine and PCM.
Nov 16, 2018 at 8:39 PM
Advertisement
Avatar
JACOBANDNICKOLAS
  • CERTIFIED EXPERT
  • 110,175 POSTS
Hi and welcome back.

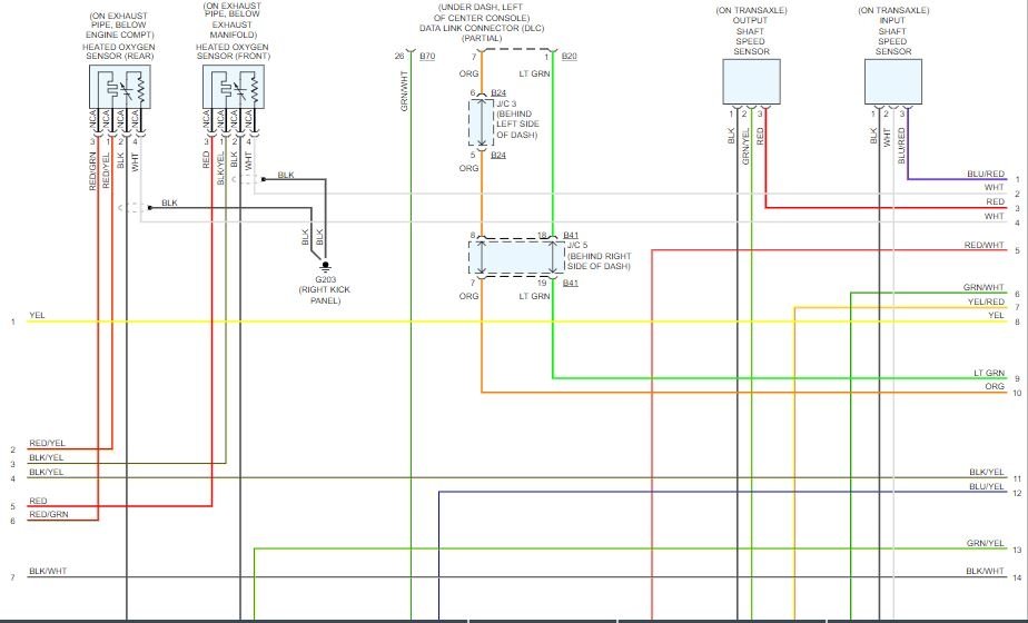
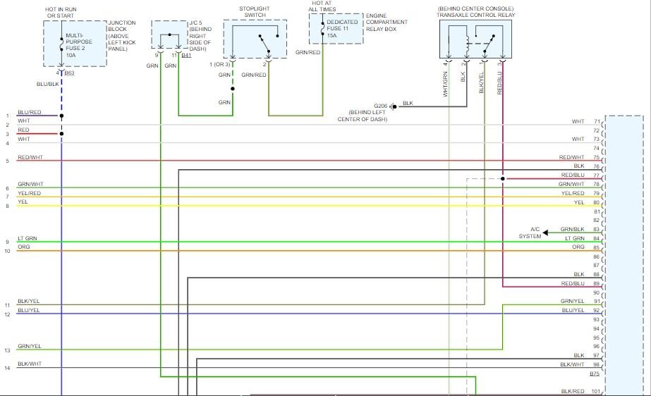
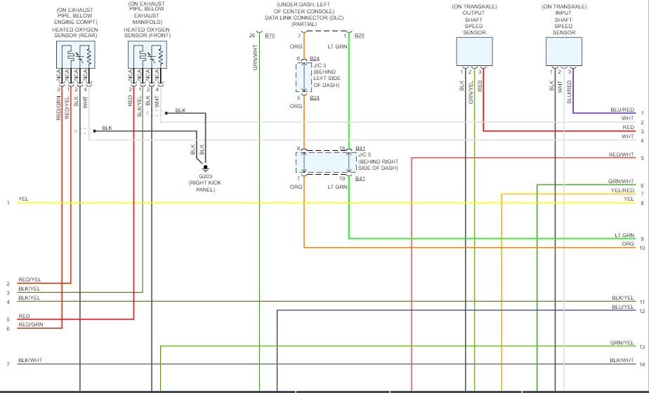
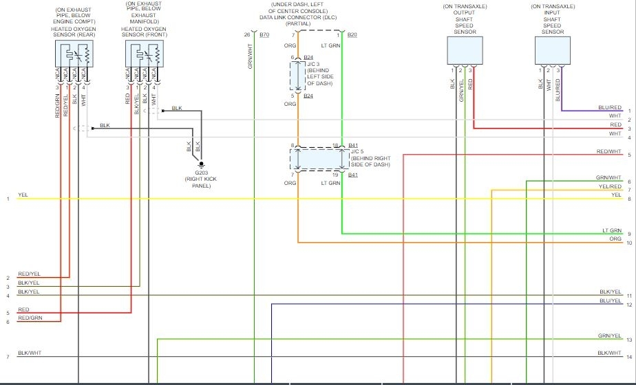
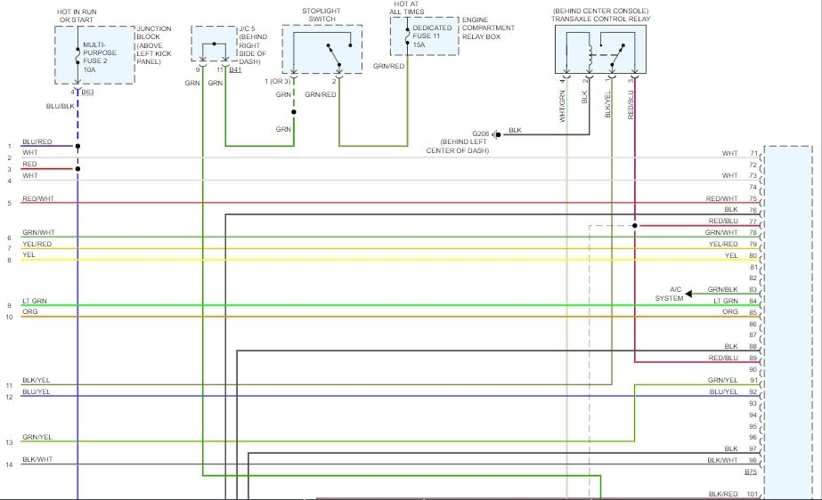
Here are the schematics you requested. Let me know if you have other questions or need help with anything.

Take care,
Joe
Nov 16, 2018 at 9:35 PM
Avatar
ELCHAPZ81
  • MEMBER
  • 5 POSTS
Thank you for the diagrams but I cannot really read because they are very blurry.
Nov 18, 2018 at 5:29 AM
Avatar
ELCHAPZ81
  • MEMBER
  • 5 POSTS
2001 Mitsubishi mirage 1.8 electrical diagrams engine and PCM.
Nov 18, 2018 at 5:33 AM
Avatar
JACOBANDNICKOLAS
  • CERTIFIED EXPERT
  • 110,175 POSTS
Welcome back.

Sorry, they are quite extensive and most likely are blurry because of that. I tried breaking them in half. The order I have them in goes top to bottom of the schematics. Odd numbers will be the top and even numbers will be the bottom.

Let me know if this is any better.

Joe
Nov 18, 2018 at 6:11 PM
Avatar
ELCHAPZ81
  • MEMBER
  • 5 POSTS
Way better! I really appreciate it and thank you very much!
Nov 18, 2018 at 10:18 PM
Avatar
JACOBANDNICKOLAS
  • CERTIFIED EXPERT
  • 110,175 POSTS
Happy to help. Let me know if you run into trouble or have questions.

Take care,
Joe
Nov 19, 2018 at 5:42 PM