None of my windows go down?

2011 NISSAN CUBE
161,000 MILES • 4 CYL • 2WD • AUTOMATIC
Avatar
DOENUTZ
  • MEMBER
  • 5 POSTS
None of my windows go down from any switches on the doors. I tested for continuity with the key on and don't seem to have power going to the master switch. I thought maybe it was the relay or fuse, so I replaced the relay under the hood and tested all the fuses in both fuse boxes but still no power.
Jun 19, 2025 at 3:43 PM
Advertisement
Avatar
STRAILER
  • CERTIFIED EXPERT
  • 53,854 POSTS
Okay we are going to turn the key on (or start button) and test for power at the fusible link G 40 amp in the fusible link box on the left side of the engine compartment and then fuse #2 and #8 in the fuse panel on the left side of the dash.

This guide can help:

https://www.2carpros.com/articles/how-to-check-a-car-fuse

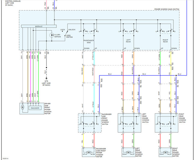
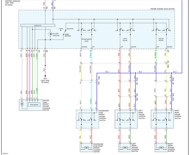
So, the window switch gets its power through the fuses and then from the BCM which might be out if the fuses have power through them. Here is the window wiring diagrams so you can see how the system works. Check out the images (below). Please let us know what happens.
Jun 20, 2025 at 12:49 PM
Avatar
DOENUTZ
  • MEMBER
  • 5 POSTS
Thanks. That was more helpful than the Nissan parts guy at the dealership. How do you replace the bcm or do I need to to have a garage do that. Thank you.
Jun 20, 2025 at 3:19 PM
Advertisement
Avatar
DOENUTZ
  • MEMBER
  • 5 POSTS
I don't see a G40 fusible link in the fuse box under the hood. This is what I have.(See photo). What the name of the #2 and #8 fuses? Mine just have labeled names. Thank you
Jun 20, 2025 at 3:58 PM
Avatar
STRAILER
  • CERTIFIED EXPERT
  • 53,854 POSTS
Lol, thank you, here is the location of the link G, let me know if it is okay. You can change the BCM, but you will need it preprogrammed, you can get a preprogrammed unit by searching Google or Ebay. Here is the BCM as well which looks like it is under the dash on the driver's side toward the middle. Check out the images (below). Please let us know what happens.
Jun 22, 2025 at 11:48 AM
Avatar
DOENUTZ
  • MEMBER
  • 5 POSTS
All the fuses you suggested have continuity. Found the power window BCM fuse down on the side of the battery. Are there any other places to check before I replace the back? Thank you
Jun 23, 2025 at 4:05 PM
Avatar
STRAILER
  • CERTIFIED EXPERT
  • 53,854 POSTS
Replace the back? do you mean BCM? there are no other fuses, also did you check for power at the fuses?
Jun 24, 2025 at 12:15 PM
Avatar
DOENUTZ
  • MEMBER
  • 5 POSTS
Yes I meant BCM. I did check for power at all fuses and they all are good. I guess I'll try replacing the BCM next. Thank you for your time.
Jun 25, 2025 at 8:08 AM
Avatar
STRAILER
  • CERTIFIED EXPERT
  • 53,854 POSTS
You are welcome, that would be the next step. Please let me know if that fixes it.
Jun 25, 2025 at 11:03 AM