short circuit in the electrical system?

2003 FORD TAURUS
150,000 MILES • 3.0L • 6 CYL • 2WD • AUTOMATIC
Avatar
MECANICO3
  • MEMBER
  • 32 POSTS
I am getting a short to positive (not to ground) and cannot seem to find the problem. PCM, engine harness and harness that connects to central fuse box are 100% good, but like I said a have a short to power on fuse number thirty seven and thirty and thirty eight. Any help would be very appreciated.
Jan 11, 2017 at 7:25 AM
Advertisement
Avatar
HMAC300
  • CERTIFIED EXPERT
  • 48,601 POSTS
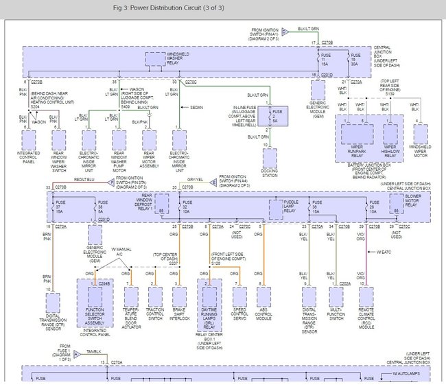
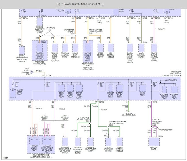
I would start by disconnecting each circuit to see if fuse still blows one is GEM module so start there it may effect the other two. see picture.
Jan 11, 2017 at 12:35 PM
Avatar
MECANICO3
  • MEMBER
  • 32 POSTS
Forgot to mention that the weird part is that I am not getting any fuses blown whatsoever.
Jan 11, 2017 at 7:50 PM
Advertisement
Avatar
HMAC300
  • CERTIFIED EXPERT
  • 48,601 POSTS
try disconnecting ABS unit see if it goes away.
Jan 12, 2017 at 5:19 AM
Avatar
MECANICO3
  • MEMBER
  • 32 POSTS
Also, when I disconnect the harness from PCM or the connector (c270a) that connects to the central fuse box if i am correct the problem goes away. Had never encountered something like this. I have disconnected everything in engine compartment and still same problem.
Jan 12, 2017 at 6:05 AM
Avatar
HMAC300
  • CERTIFIED EXPERT
  • 48,601 POSTS
I forgot about the mechanic thing. the only thing I can tell you then to check wiring going to fuse box it may be the fuse box or smart junction box which I think is below fuse box is bad.
Jan 12, 2017 at 7:41 AM
Avatar
MECANICO3
  • MEMBER
  • 32 POSTS
Will keep searching. Thanks.
Jan 12, 2017 at 11:34 AM
Avatar
CARADIODOC
  • CERTIFIED EXPERT
  • 34,306 POSTS
Hi guys. I was reading through this, and nothing makes sense. First of all, no symptoms or problems were ever listed. Second, you are supposed to have twelve volts on the fuses. That is not a short. If you mean there is voltage on those fuses when there is not supposed to be, that should not be that hard to isolate.

Fuse 30 is for the horn and is fed from fuse 1 which is always hot. You are supposed to have voltage on fuse 30 all the time. Fuse 37 and 38 are fed from the ignition switch. Unplug that switch. If the voltage on those two fuses drops to 0 volts, suspect a melted switch, which is common on Fords, or, on some models, it is out of adjustment. The clue to an adjustment problem is usually the symptoms will change when turning the switch to the "accessory" position.

If the voltage is still on those fuses when the ignition switch is unplugged, it has to be coming through something on those circuits. In HMAC300's very first reply, he mentioned the GEM module which has also caused a lot of trouble for Ford. That is fed through fuse 38, and is a good suspect. Just pull out that five-amp fuse. If voltage is gone on fuse 37 when fuse 38 is removed and the ignition switch is off, replace the GEM module. If the twelve volts is still there, remove fuse 37, then see if the voltage on fuse 38 drops to 0 volts. If it does, fuse 37 feeds the transmission range sensor. I do not think there are other voltage sources for that sensor, but I did not look for that on the wiring diagram, so I do not know for sure. Unplugging that sensor would make the twelve volts go away if something in it is shorted to a voltage source.
Jan 12, 2017 at 1:26 PM
Avatar
MECANICO3
  • MEMBER
  • 32 POSTS
Welcome to conversation Caradiodoc, thanks for the interest but here we go as I mentioned in the beginning there is a short to positive meaning (ground to power) that's what makes it untrue but let me tell you that it does exist. I first saw the problem in shift solenoid 1. Now in this vehicle all solenoids are suppose to have 12 volts and they do, but somehow wire (purple/orange) coming from Pcm pin #1 is being grounded therefore making that shift solenoid on because the solenoid has 12 volts and trans running very rough. But will do what you suggested as soon as I am done with other project today.
Jan 13, 2017 at 10:24 AM
Avatar
HMAC300
  • CERTIFIED EXPERT
  • 48,601 POSTS
one other thing as this was a problem going to shift solenoid if trans harness looks like pic i'd be t the problem is there.
Jan 13, 2017 at 12:28 PM
Avatar
MECANICO3
  • MEMBER
  • 32 POSTS
Trans. harness is good. Red /blue wire from ignition is also affected by the problem. Maybe i'm too lazy that i still have to check entire wires inside car .
Jan 13, 2017 at 12:43 PM
Avatar
STRAILER
  • CERTIFIED EXPERT
  • 53,854 POSTS
Hey MECANICO3,

I checked this wiring diagram and the only thing I see that could be giving you the problem that I can see is the GEM, try disconnecting it and see if the fuses still blows.


Generic Electronic Module (GEM) Under left side of dash.

Please run some tests and get back to us.

Best, Ken
Jan 18, 2017 at 5:50 AM
Avatar
MECANICO3
  • MEMBER
  • 32 POSTS
2CARPROS KEN, did it and no change. The only thing I need is a scanner with live parameters to help point to some direction. Went to my college for help but haven't heard from them (auto shop).
Jan 22, 2017 at 4:39 AM
Avatar
STRAILER
  • CERTIFIED EXPERT
  • 53,854 POSTS
Please let us know what happens so it will help others

Best, Ken
Jan 24, 2017 at 4:45 AM
Avatar
MECANICO3
  • MEMBER
  • 32 POSTS
Will Do !
Jan 24, 2017 at 7:14 AM