4x4 switch on dash has 2.4 volts negative feeding out on hi lo and neutral?

2008 CHEVROLET 2500
270,000 MILES • 6.6L • V8 • 4WD • AUTOMATIC
Avatar
CONNELLYM
  • MEMBER
  • 1 POST
4x4 switch on dash has 2.4 volts negative feeding out on hi lo and neutral, what's the problem?
May 6, 2023 at 2:55 PM
Advertisement
Avatar
STRAILER
  • CERTIFIED EXPERT
  • 53,854 POSTS
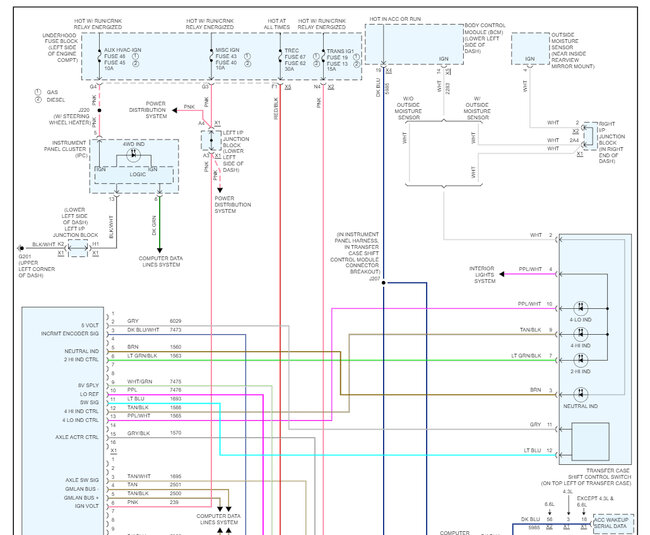
It sounds like the transfer case control module is not working correctly but I would check the grounds and power inputs to confirm here is a guide to help and the transfer case wiring diagrams to help with the tests and so you can see how the system works.

https://www.2carpros.com/articles/how-to-check-wiring

Check out the images (below). Please let us know what happens.
May 7, 2023 at 10:18 AM