turn signal wiring diagrams please?

2002 CHRYSLER PT CRUISER
104,000 MILES • 0.6L • 6 CYL • 2WD • AUTOMATIC
Avatar
BUGZ64
  • MEMBER
  • 16 POSTS
I am looking for a wiring diagram for under the hood. Since Pt Cruisers don't have daytime running lights I purchased led tube lights that are 24in long. Flexible and bendable. But I need to splice a red into the Acc. A yellow into the positive on the turn signal & a black into the negitive battery post.The neg. battery post is simple on the drivers side. But I don't know were the Acc and the positive turn signal wires are on either side. And don't know where the neg would be at behind the headlight on the passenger side headlight. Couldn't find a wiring diagram. All were for fuse block.
Apr 27, 2021 at 3:03 PM
Advertisement
Avatar
JACOBANDNICKOLAS
  • CERTIFIED EXPERT
  • 110,175 POSTS
Hi,

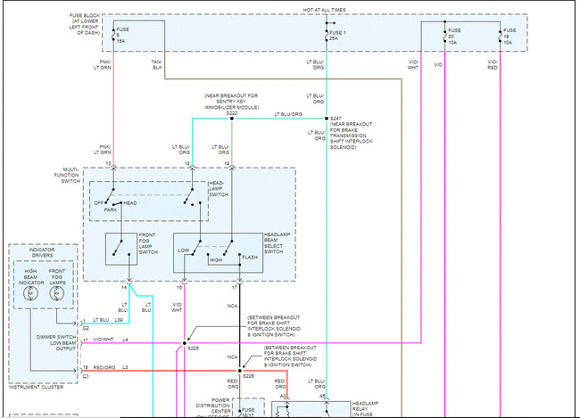
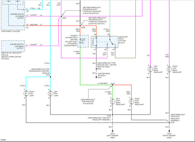
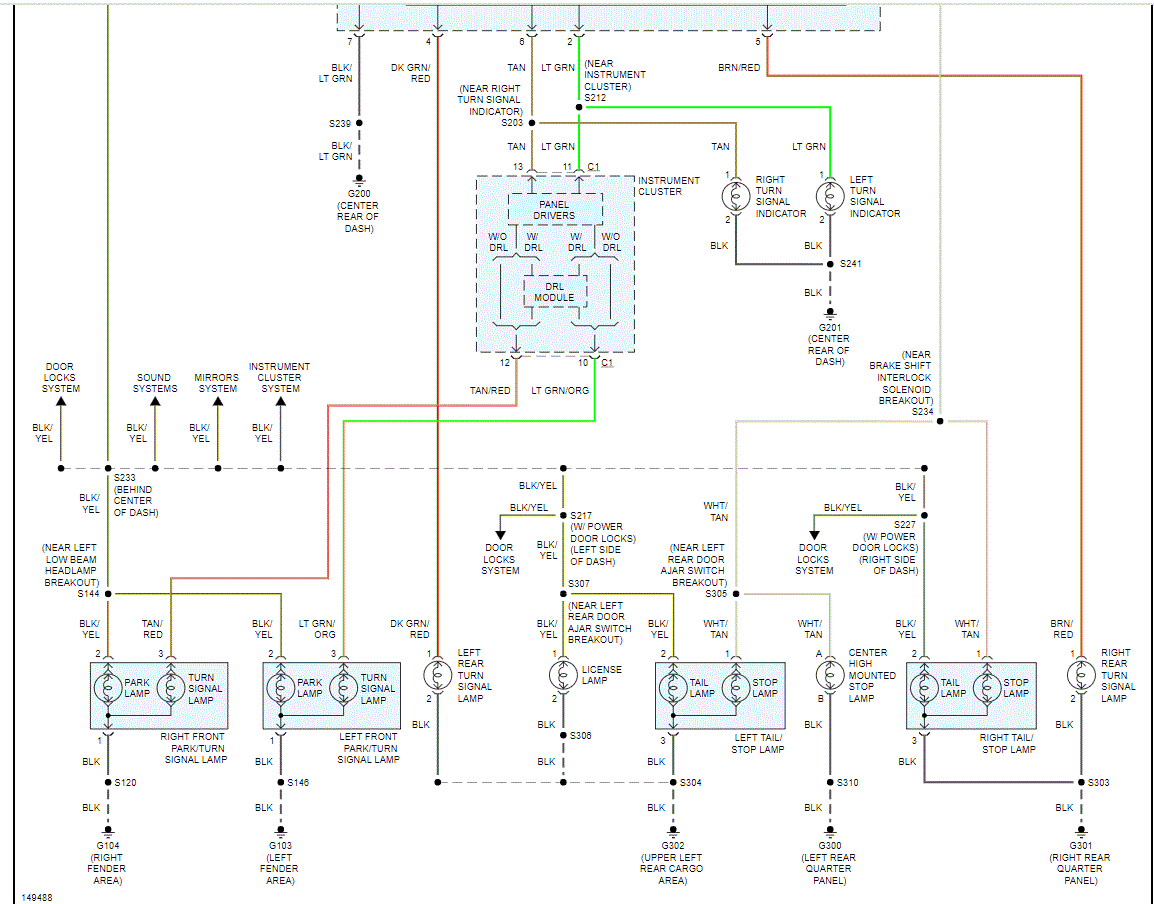
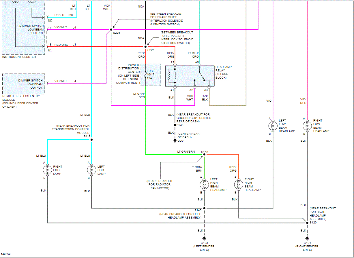
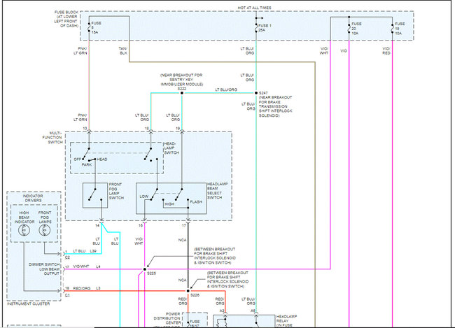
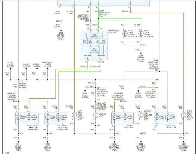
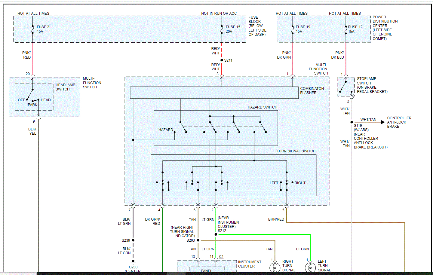
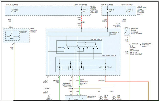
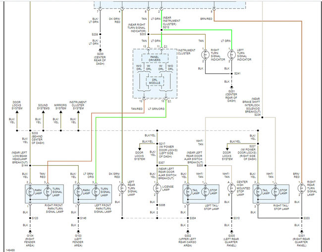
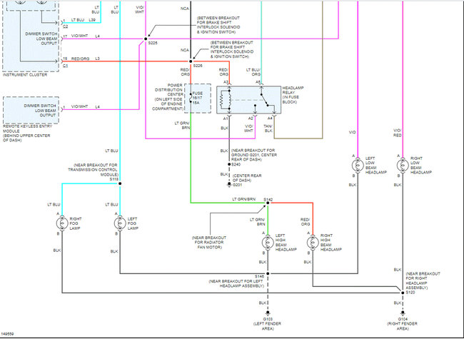
If you look at the first two pics below, they include the exterior lighting circuit schematics. I had to cut the pic in half to make it readable for you, but I did overlap them so you can follow. Pics 3 and 4 show the headlamp circuit schematics.

As far as the grounds, they will be on the inner fenders, left and right sides. They will be a black wire and attached to the sheet metal.

Just FYI. When you attach LED lights to a circuit including incandescent blubs, it may not work or not work correctly. There is a good chance the signals will hyper flash because of the LEDs. The reason for the issues is due to the voltage draw differences between the two styles of lighting. The LEDs use very little power to work. I have never done it, but I know you may have to place a resistor between the power supplies and the LEDs. You may want to check into that before starting.

Here is a link you may find helpful when working with the wiring:

https://www.2carpros.com/articles/how-to-check-wiring

I hope this helps. Let me know if you have other questions.

Take care,

Joe
Apr 28, 2021 at 6:45 PM
Avatar
VIOLETLILA
  • MEMBER
  • 4 POSTS
Thanks for this!
May 5, 2021 at 6:01 PM
Advertisement
Avatar
JACOBANDNICKOLAS
  • CERTIFIED EXPERT
  • 110,175 POSTS
Hi,

You are very welcome. Let me know if I can help or if you have other questions.

Take care,

Joe
May 5, 2021 at 7:21 PM