Headlight, speedometer and odometer are not working

2008 KIA SPECTRA
1 MILES • 2.0L • 4 CYL • 2WD • MANUAL
Avatar
RD66
  • MEMBER
  • 61 POSTS
On the car listed above (Spectra5) the speedometer, odometer, and headlight don't work.
Apr 5, 2022 at 7:35 PM
Advertisement
Avatar
KASEKENNY
  • CERTIFIED EXPERT
  • 18,907 POSTS
The odometer and speedometer are most likely related, but the headlights are most likely not. So, I would suggest we start with the headlights and if that happens to fix the others then that is great. However, if not, then we most likely have a speed sensor or cluster issue.

So, let's check the voltage coming out of the relay going to the head lights.

Here are a couple of guides that will help with this:

https://www.2carpros.com/articles/how-to-check-wiring

https://www.2carpros.com/articles/how-to-check-an-electrical-relay-and-wiring-control-circuit

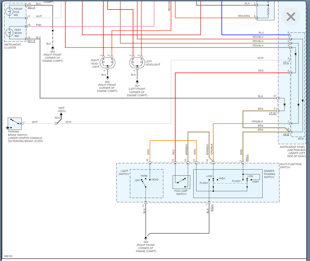
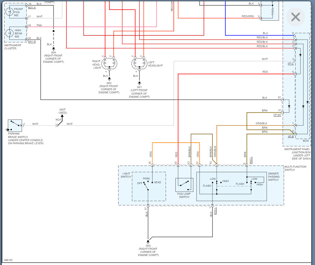
I am attaching the wiring diagram below so let's start with this and we can go from there.

Thanks
Apr 6, 2022 at 2:14 PM
Avatar
RD66
  • MEMBER
  • 61 POSTS
Headlights are working again. I'm thinking it's a bad light switch because now the front parking lights and the cluster light have gone out. i have no codes.
Apr 12, 2022 at 8:32 PM
Advertisement
Avatar
RD66
  • MEMBER
  • 61 POSTS
Just so you know, i replaced the transmission speed sensor (manual transmission) and one wheel speed sensor.
Apr 12, 2022 at 8:34 PM
Avatar
KASEKENNY
  • CERTIFIED EXPERT
  • 18,907 POSTS
Okay. Can you get a picture of the speed sensor that you replaced in the transmission? I just want to verify this was the output sensor.

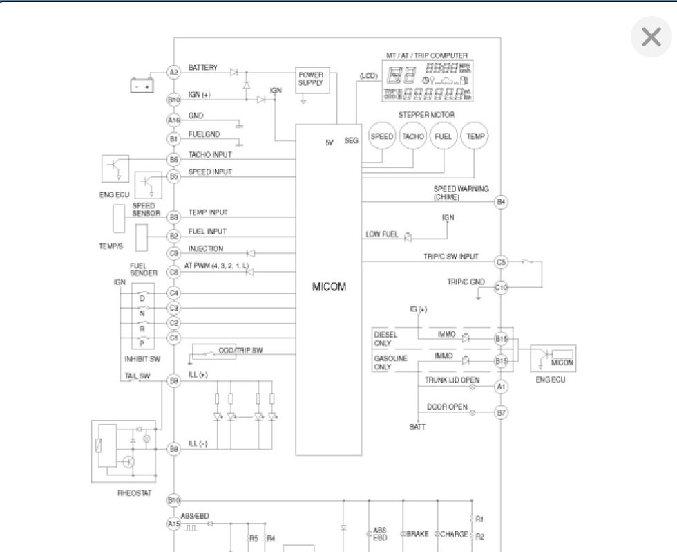
Also, if this is ok then the likely cause of this is the cluster itself. This cluster has a logic circuit board that takes the speed sensor input and displays the speed and odometer. So, if this is getting a speed signal then the cluster is the likely issue.
Apr 13, 2022 at 6:27 PM
Avatar
RD66
  • MEMBER
  • 61 POSTS
Sorry for the delay.
Apr 18, 2022 at 7:48 AM