Front left park/signal bulbs staying on

2011 GMC SIERRA
125,000 MILES • 4.3L • V6 • 4WD • AUTOMATIC
Avatar
NAELCAMRETEP
  • MEMBER
  • 7 POSTS
Even with fuse and relay pulled.
Jan 31, 2022 at 1:53 PM
Advertisement
Avatar
JACOBANDNICKOLAS
  • CERTIFIED EXPERT
  • 110,175 POSTS
Hi,

Which fuse is it that you removed? I'm looking at the wiring schematic and it shows power from the body control module for the light. I assume the rear is not doing this. So, that tells me there is a short to power between the BCM and bulb.

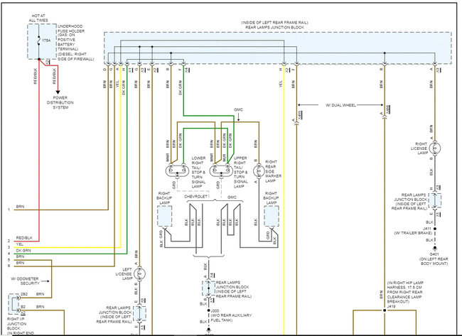
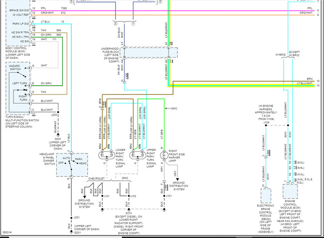
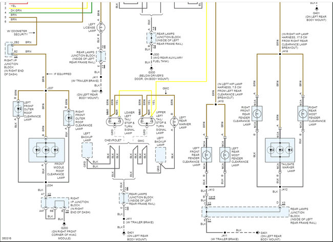
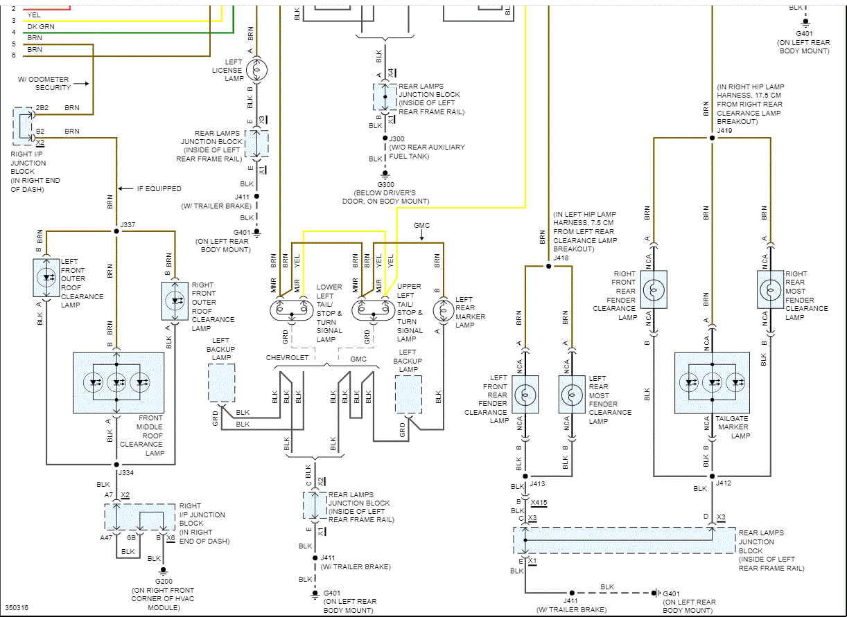
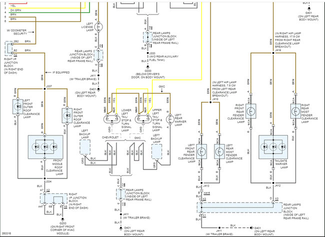
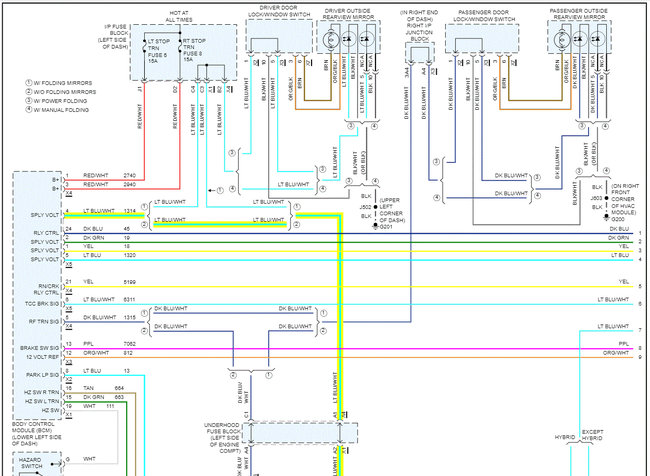
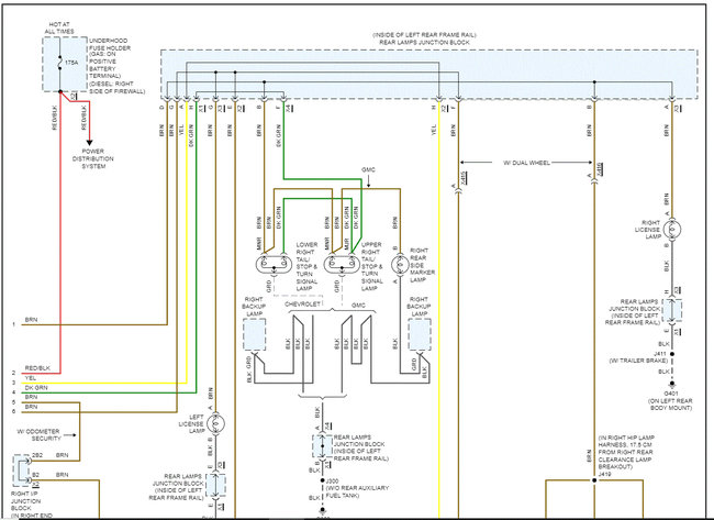
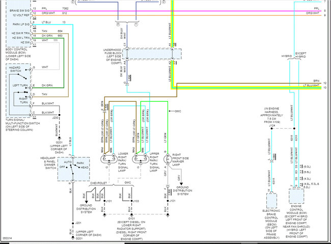
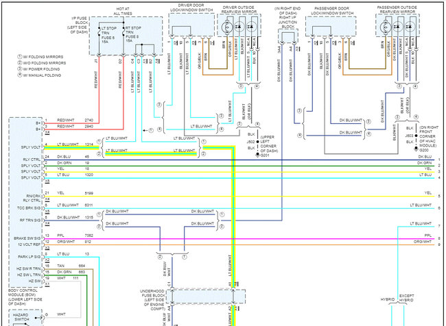
I attached the entire wiring schematic below for the exterior lighting circuits. I highlighted the wiring involved specific to the front/left signal/parking light.

Here is what I want you to do. To determine if there if the short is at or before the BCM, I need you to disconnect the BCM. Only do this after disconnecting the battery. Once the battery is disconnected, disconnect the BCM and then reconnect the battery.

With the BCM disconnected, does the light remain on?

Let me know what you find. Also, if the light is off with the BCM disconnected, inspect the connector at pin 4 (supply voltage). Disconnect the battery, reconnect the BCM, and then reconnect the battery. Once it's back together, check for constant power at pin 4. IF there is, disconnect the signal switch to see if power stops and let me know the results.

By doing this, I am hoping to minimize the number of areas that can be causing the issue.

Here is a link you may find helpful:

https://www.2carpros.com/articles/how-to-check-wiring

Let me know what you find or if you have other questions.

Take care,

Joe

See pics below. Note: The original schematic was 3 pages long. I had to cut each pin in half to make it readable for you. I did overlap them so you can follow from one to the next.
Jan 31, 2022 at 7:37 PM
Avatar
NAELCAMRETEP
  • MEMBER
  • 7 POSTS
followed your instructions. the BCM pin 4 still has v on it with connector pulled. At first i thought the left park light was staying on but it is actually the left signal staying on but not flashing. I cut the blue / white signal wire at bulb connector and the park works fine. but the signal wire is the one with constant 12v with vehicle off and locked. would the flasher be able to supply constant 12 v with everything off and where is it located. There is a lot of confusion online as to the location for this 2011 k1500 Sierra.
Oct 1, 2022 at 10:46 AM
Advertisement
Avatar
NAELCAMRETEP
  • MEMBER
  • 7 POSTS
checked everything you suggested. i still have v on pin four with connecter off . i cut blue /white signal wire and realized park lights work fine but the short is in the signal flasher wire. this blue/white is always live with doors closed and doors locked . So is the signal flasher causing steady 12v to bulb with vehicle off. also where is the signal flasher on this 2011 gmc k1500 sierra.
Oct 1, 2022 at 11:05 AM
Avatar
JACOBANDNICKOLAS
  • CERTIFIED EXPERT
  • 110,175 POSTS
Hi,

This vehicle doesn't have a traditional flasher. It is controlled by the body control module. Here is the thing. If the light blue/white wire has voltage at all times at the BCM, the short must be internal. If you can disconnect the BCM connector and pin 4 still has power, the BCM is faulty. Is that what you are experiencing?

Joe
Oct 1, 2022 at 3:03 PM
Avatar
NAELCAMRETEP
  • MEMBER
  • 7 POSTS
I cut the blue, white wire just before it enters the fuse box under-hood. The wire to the fuse box side is live constant thus causing the lights to stay on after the vehicle is shut off. I then ran both. sides of the cut wire to a toggle switch. When I start the vehicle, I flip the switch on, and everything works fine as it should. When I shut the vehicle off, I just flip the switch off and it turns off the power to the lamps to save my battery. where is the BCM for this setup that I am supposed to be checking at pin four. When fixing this problem, a new problem came up. Now my low beams are staying on after the vehicle is shut off. The dash light switch has no effect to shut them off. I relayed out the low beam to only come on when vehicle is running to solve this problem, but I am not sure what effect this will have as to how the vehicles operate normally. I'm not sure if this problem is caused by the original issue or not.
Oct 2, 2022 at 3:47 PM
Avatar
JACOBANDNICKOLAS
  • CERTIFIED EXPERT
  • 110,175 POSTS
Hi,

The body control module (BCM) is located under the dash on the driver's side of the truck. If you look below, I attached a pic to help you find it.

Let me know if this helps.

Take care,

Joe
Oct 2, 2022 at 9:46 PM
Avatar
NAELCAMRETEP
  • MEMBER
  • 7 POSTS
Light problem taken care of thank you. I now have another issue, same truck. The windshield washer pump is not working. There is no power at fuse number 7. wiper wash button turns on wipers but not washer motor.
Oct 25, 2022 at 3:45 PM
Avatar
JACOBANDNICKOLAS
  • CERTIFIED EXPERT
  • 110,175 POSTS
Hi,

I would be happy to help. However, I have a favor to ask. We try to keep the threads specific to one topic, so it helps others. Could you copy and paste your new question to a new post? Here is the link to get you started:

https://www.2carpros.com/questions/new

I truly hope you understand.

Take care,

Joe
Oct 25, 2022 at 6:26 PM