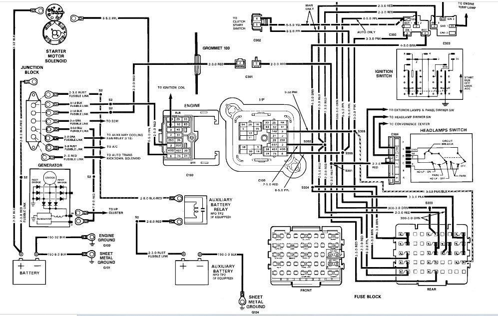
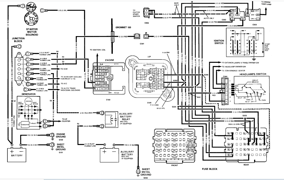
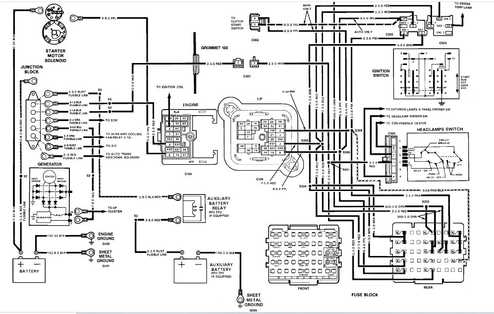
Hello, I have a 89 c2500 that I swapped carburetor for personal reasons. I had power after I got everything hooked up and was about to get it started for the first time. So, I went to hook up my battery and is made a connection and then all of my power was lost. No power to the whole truck anywhere. I have replaced the battery alternator starter and main power wire to the starter. I thought it was a fusible like at the junction block under the hood where the black wire with the red stripe is because that is the one running to the battery and I took a spare wire and tried to run it hot to that point and still nothing. Please help. Thanks
Jun 10, 2023 at 7:01 PM
