electrical issues after getting water over fog lights for hours

2009 CHRYSLER TOWN AND COUNTRY
165,000 MILES • 3.8L • 6 CYL • 2WD • AUTOMATIC
Avatar
ROBERTMOGLIE
  • MEMBER
  • 21 POSTS
Got water over front fog lights for hours.started up and no BUS came on dash. Driver side airbag sensor started smoking. disconnected battery,took out driver and passenger sides side sensors,disconnected power sliding door connections. started up all electrical worked great. next day wipers wont go off,head lights stay on.let run 10 minutes goes off then back on?
Oct 20, 2019 at 8:13 AM
Advertisement
Avatar
KASEKENNY
  • CERTIFIED EXPERT
  • 18,907 POSTS
Hi,

No question you have electrical issues but the problem is you have about 2 miles of wiring in that vehicle and hundreds of connectors. More than likely you have water in a connector but the only way to figure it out is to monitor the bus voltage and start unhooking them to see when the voltage returns. Then you either unhooked the problem connector or it was down stream of this one.

The wipers and headlights staying on is a safety default when you lose the bus network because these components are commanded on via the bus and if this is down then you may not be able to turn them on when you need them so they are just defaulted on.

You are on the right path with unhooking connectors but again, you need to monitor the bus voltage while doing it so you know if you made a difference.

Let me know if you have questions. Thanks
Oct 20, 2019 at 7:32 PM
Avatar
ROBERTMOGLIE
  • MEMBER
  • 21 POSTS
I know the fog lights stayed under water for a good six hours. did not disconnect the front airbag sensors yet. that is next.
Oct 21, 2019 at 7:27 AM
Advertisement
Avatar
ROBERTMOGLIE
  • MEMBER
  • 21 POSTS
Disconnected fog lights and front airbags started up. All dash lights on no gauges, radio runs fine seems worse now.
Oct 21, 2019 at 1:21 PM
Avatar
ROBERTMOGLIE
  • MEMBER
  • 21 POSTS
Now radio out.dash warning it goes off for 5 seconds then comes back on.dash will not let me check codes manually.should i get a volt meter?
Oct 21, 2019 at 3:10 PM
Avatar
KASEKENNY
  • CERTIFIED EXPERT
  • 18,907 POSTS
What is your bus voltage with the key on?
Oct 21, 2019 at 3:11 PM
Avatar
ROBERTMOGLIE
  • MEMBER
  • 21 POSTS
Don't know. when i held the odo button with key off then on. showed sw ver. 647 also can ver. 729. last one lin ver 505.
Oct 21, 2019 at 3:50 PM
Avatar
KASEKENNY
  • CERTIFIED EXPERT
  • 18,907 POSTS
Sorry if I wasn't clear. I meant the voltage of the bus network which you get by measuring voltage at the DLC on pin 6 and ground. Then Pin 14 and ground with the key on.
Oct 21, 2019 at 4:11 PM
Avatar
ROBERTMOGLIE
  • MEMBER
  • 21 POSTS
what is dlc?
Oct 21, 2019 at 4:29 PM
Avatar
KASEKENNY
  • CERTIFIED EXPERT
  • 18,907 POSTS
Sorry. It is the Data Link Connector. It is the one under the driver side dash that you plug a scan tool or code reader into.
Oct 22, 2019 at 5:52 PM
Avatar
ROBERTMOGLIE
  • MEMBER
  • 21 POSTS
Thanks KaseKenny1. i found PCM ,took connectors off cleaned with electrical cleaner put all back on. put in new battery,now it is worse!
Oct 25, 2019 at 11:15 AM
Avatar
KASEKENNY
  • CERTIFIED EXPERT
  • 18,907 POSTS
Yeah, unfortunately, just taking connectors apart and cleaning them is not the issue. You are looking for water intrusion so the inside of the connectors will most likely have green growth in them. Did you measure bus voltage like I suggested? What were the voltages?

The only way I know of actually finding this issue is to measure the voltage and then start unhooking the connectors that were actually under water. Clearly if the entire vehicle was then this is going to be time consuming but if it was just the front end then I am sure we can find it. However, with out measuring bus voltage then you have no idea if what you are taking apart is the issue.
Oct 25, 2019 at 5:27 PM
Avatar
ROBERTMOGLIE
  • MEMBER
  • 21 POSTS
Thanks KaseKenny1. I will try it. I will stay in touch.
Oct 29, 2019 at 12:57 PM
Avatar
ROBERTMOGLIE
  • MEMBER
  • 21 POSTS
how to find and remove the front airbag sensor?
Oct 31, 2019 at 7:00 AM
Avatar
ROBERTMOGLIE
  • MEMBER
  • 21 POSTS
took off front bumper still can't find sensor?
Oct 31, 2019 at 12:12 PM
Avatar
ROBERTMOGLIE
  • MEMBER
  • 21 POSTS
took out head lts. can't find,tried to find photo,not diagram.can not find.
Oct 31, 2019 at 12:56 PM
Avatar
ROBERTMOGLIE
  • MEMBER
  • 21 POSTS
found front air bag sensors disconnect.same. pressed odo.button turn key on ,showed s--64.7/l--50.5/c--72.9/cf--.9 then=187
Oct 31, 2019 at 1:34 PM
Avatar
KASEKENNY
  • CERTIFIED EXPERT
  • 18,907 POSTS
I thought you said you found the airbag sensor smoking so you disconnected the sensors?

Sorry to be a broken record but until you do what i suggested, I am not sure I will be much help.
Oct 31, 2019 at 5:02 PM
Avatar
ROBERTMOGLIE
  • MEMBER
  • 21 POSTS
the side airbag sensor was smoking not the front.
Nov 1, 2019 at 9:05 AM
Avatar
ROBERTMOGLIE
  • MEMBER
  • 21 POSTS
going to buy volt meter.
Nov 1, 2019 at 9:06 AM
Avatar
KASEKENNY
  • CERTIFIED EXPERT
  • 18,907 POSTS
Haha. Sounds great. I guess I made the assumption that you already had one. Let me know what you find and we can go from there. Thanks
Nov 1, 2019 at 3:39 PM
Avatar
ROBERTMOGLIE
  • MEMBER
  • 21 POSTS
Okay Kenny. i have a 2010 Town and Country and a 2009 Town and Country. the 2009 is the one i am working on. measured 2010 pin 14 and ground came to 2.47 volts. on 2009 came to 1.7 volts. measured 6 and ground on both they are 0 on both. what next?
Nov 3, 2019 at 10:23 AM
Avatar
KASEKENNY
  • CERTIFIED EXPERT
  • 18,907 POSTS
Okay. We are making progress. Hopefully I can explain this in clear terms because this is confusing.

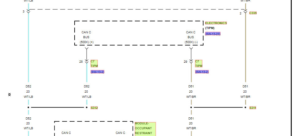
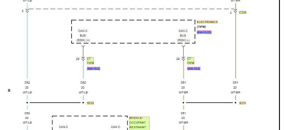
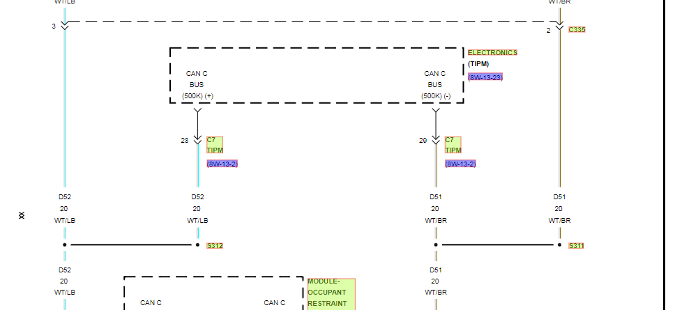
You have a CAN bus network. This is an electrical network that allows the modules to communicate with each other. The voltage on this network needs to be correct or you will get the message of no bus like you are.

These two wires that you checked are the CAN C portion and you have the second portion called interior high speed bus (IHS). Take a look at the first attachment and it illustrates this a little more.

We now need to go to the back of the TIPM under the hood and back probe these specific networks and then unhook connectors (as you were) while watching these network voltages. Clearly you only have one meter so we can only do one at a time. So I want you too measure each wire individually and then let me know what they are. So that is four wires. The CAN C wires should equal 5 volts and be about 2.7 and 2.3 volts. About the same for the CAN IHS.

Based on what you found already, I imagine they are going to be low and then we will just pick one to look at when you are disconnecting connectors. When this voltage returns to normal, you will have just disconnected the issue. Either that specific connector or something down stream of it is the issue. We need to limit this down so that we can make it more manageable to find the issue.

On the back of the TIPM you will find connectors. You want C7 Pins 28 and 29 for CAN C. Then PIN 26 and 27 for IHS.

I am sure you have questions but if you can just get those voltages with the key on we can take the next step. Thanks
Nov 3, 2019 at 4:10 PM
Avatar
ROBERTMOGLIE
  • MEMBER
  • 21 POSTS
Now,thinking about buying a launch obd2 scanner crp123e. diagnostic scan tool. only $169.00 on Amazon.do you agree?
Nov 5, 2019 at 3:19 PM
Avatar
KASEKENNY
  • CERTIFIED EXPERT
  • 18,907 POSTS
You can but that is not going to give you bus voltages. It may help if we have some circuit codes. Maybe it will point us to a specific connector.
Nov 5, 2019 at 7:01 PM
Avatar
ROBERTMOGLIE
  • MEMBER
  • 21 POSTS
tried to hook up cen-tech obd2 code reader to my 2009 van can't read it .hooked up to 2010 same model van, no read.hooked up to 2005 Colorado and it reads perfect.so i know the reader works just not on my vans says bad connection?
Nov 15, 2019 at 11:20 AM
Avatar
KASEKENNY
  • CERTIFIED EXPERT
  • 18,907 POSTS
No. The code reader will not communicate with this type of electrical system. You have what is called a Diag CAN C system which requires specific protocols for the tool to be able to communicate with the vehicle .
Nov 15, 2019 at 7:32 PM
Avatar
ROBERTMOGLIE
  • MEMBER
  • 21 POSTS
i used a different code reader it's not as nice but it worked. it reads p0073 then i/m readiness dtc #1 in red color--cat x the x is red--Hcat shows a zero with a slash in it. evap with red x.ccm green check mark. fue green check mark. also reads cal 1: a2 90 b3 bf. i cleared codes then ran the van. shut off key to on pos. reran and the cat showed up---inc Hcat n/a evap inc.o2s --inc.htr---inc egr--inc.
Nov 16, 2019 at 8:17 AM
Avatar
KASEKENNY
  • CERTIFIED EXPERT
  • 18,907 POSTS
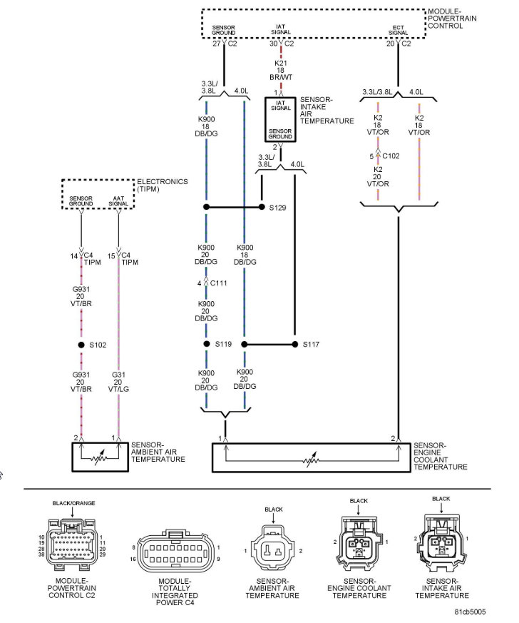
Okay. So I attached the test for this code. If you find that the issue causing this P0073 is a circuit issue you may find the issue for everything else.
Nov 16, 2019 at 3:32 PM
Avatar
ROBERTMOGLIE
  • MEMBER
  • 21 POSTS
Kenny got a new one. 2010 Town and Country headlights come on then off. no code showing,wait an hour then they work. wait on hour then goes on , back off?
Dec 16, 2019 at 1:00 PM
Avatar
KASEKENNY
  • CERTIFIED EXPERT
  • 18,907 POSTS
Sounds like a TIPM issue. However, we need to get a new post started because we can only have one issue per post so all others can find the solution to this issue if they have it. They won't find this specific issue under this heading.

https://www.2carpros.com/questions/new
Dec 18, 2019 at 2:21 PM
Avatar
ROBERTMOGLIE
  • MEMBER
  • 21 POSTS
measured all pins.
Mar 14, 2020 at 3:07 PM
Avatar
ROBERTMOGLIE
  • MEMBER
  • 21 POSTS
check pin 6 w/ground reads--3.o.
check pin14 w/ground reads1.6 volts .
with key on, connecting 4 and 16 12.2 volts.
with key on, terminals 5 andc 16 read 14.2 volts.
with key on, go to 4 and 14 terminals it reads 1.6 volts.
with key on, measuring 4 and 6 terminals for can bus reads 3.0.
I think it should read 2.63.

OHMS:
inserted 6 and 14 probes-- measured 61.5 ohms
Mar 14, 2020 at 5:03 PM
Avatar
KASEKENNY
  • CERTIFIED EXPERT
  • 18,907 POSTS
Pins 6 and 14 should equal about 5 volts and be around 2.7 and 2.3 volts. So if you are using a meter and getting 3 and 1.6 then you have an issue. At this point we need to continue to monitor this voltage and start unhooking the modules on CAN C one at a time and see when the voltage returns to normal.

I assume the last measurement you took for resistance on 6 and 14 was with the battery unhooked because that is a proper termination resistance on those two pins. If that is the case then that means you terminating resisting modules are good which if memory serves is the PCM and WIN.

If unhooking the modules does not result in any change then you most likely have a ground issue and based on the fact that this was in water, that may be the issue.
Mar 14, 2020 at 7:41 PM