Hazard lights blink when the car is turned off

1996 ACURA INTEGRA
170,923 MILES • 4 CYL • 2WD • AUTOMATIC
Avatar
VMRIOS1
  • MEMBER
  • 1 POST
My hazards blink when the car is off and makes a chime noise and it is draining my battery.
Apr 11, 2021 at 10:40 AM
Advertisement
Avatar
KASEKENNY
  • CERTIFIED EXPERT
  • 18,907 POSTS
When you say a chime noise, can you get a recording of this so that we can better understand?

However, I suspect this is either a relay issue or an electrical short.

Also, we need to check and make sure the battery is not damaged. It needs a load check shown in this guide:

https://www.2carpros.com/articles/car-battery-load-test

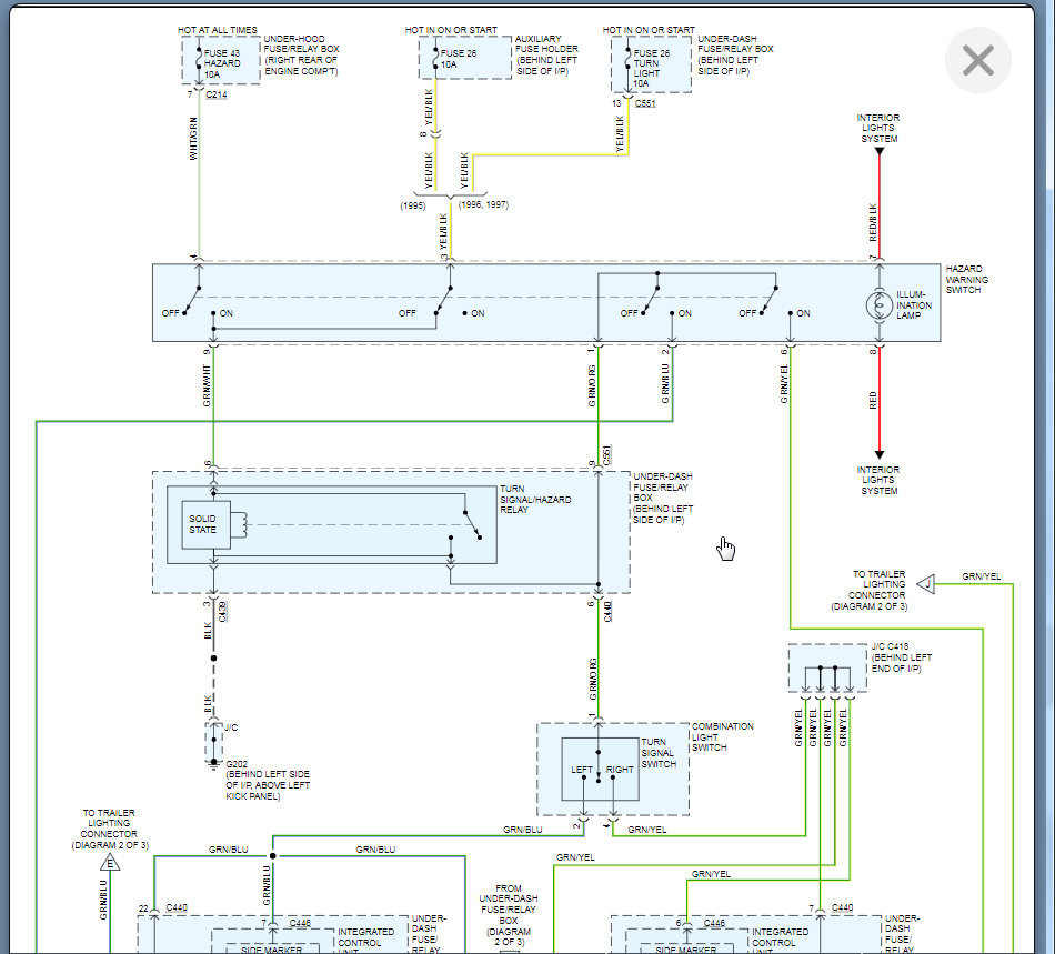
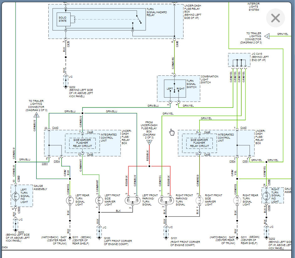
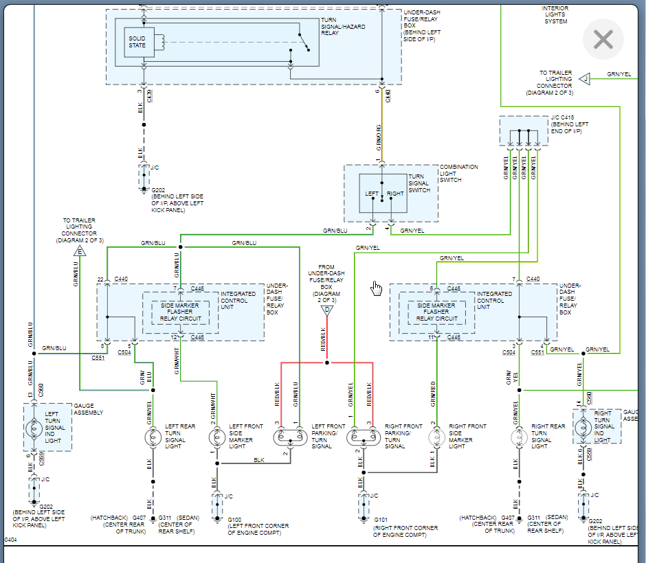
Next thing is we need to remove the fuses when this is happening to find out what circuit the issue is on. I would start with the fuses shown in this diagram below.

Let me know if you have questions on this and what you find and we can go from there. Thanks
Apr 12, 2021 at 4:47 PM