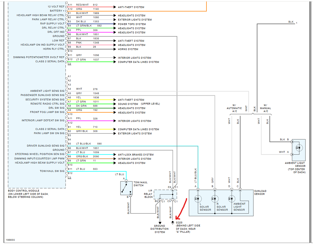
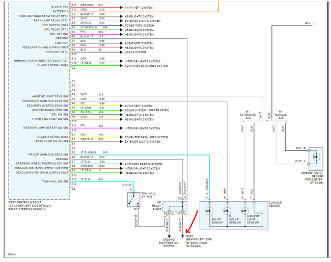
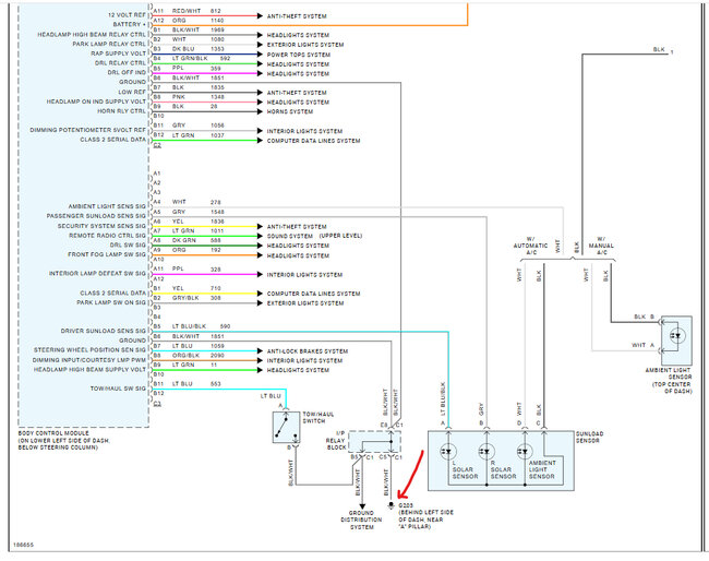
Blower motor not working/dome lights flash on and off/ stalls when making tight turns at slow speeds/windshield wipers won’t cut off after being turned on until I shut the truck off and turn it back on. I can smack the dash, and it makes a difference for the dome lights going on and off.
Jun 5, 2025 at 7:30 PM
