Hi ForrestMoretz,
The fact that the cluster says no BUS means it cannot communicate via the communication network. These vehicles communicate via a PCI bus and they require what is called a terminating resistor. In this vehicle the PCM is that terminating resistor. My bet the PCM is "down" which prevents all other modules from communicating causing the message of "no bus."
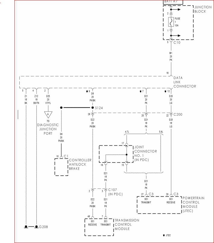
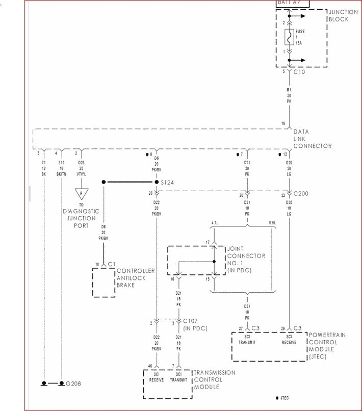
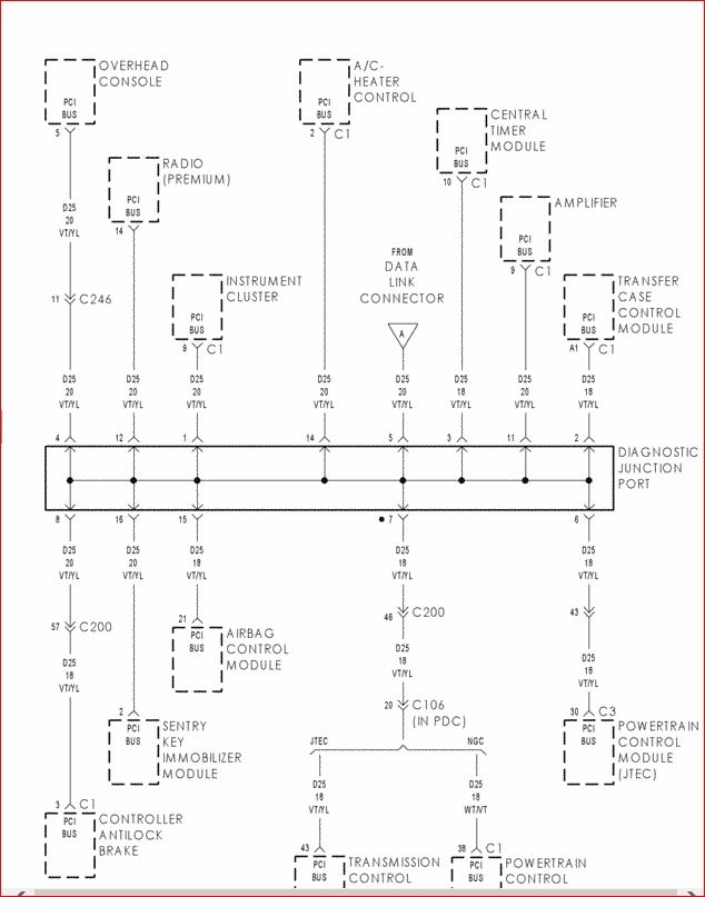
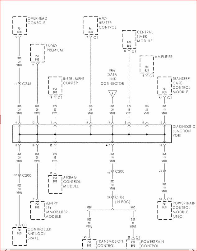
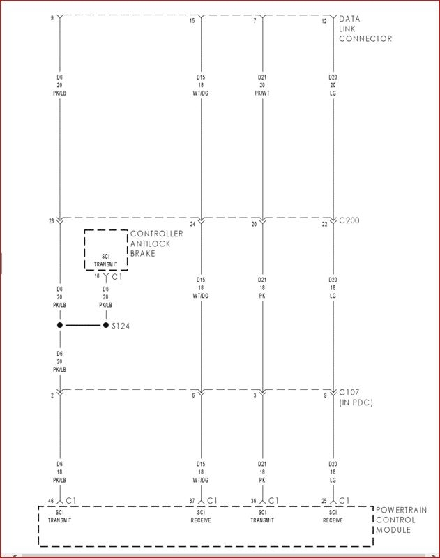
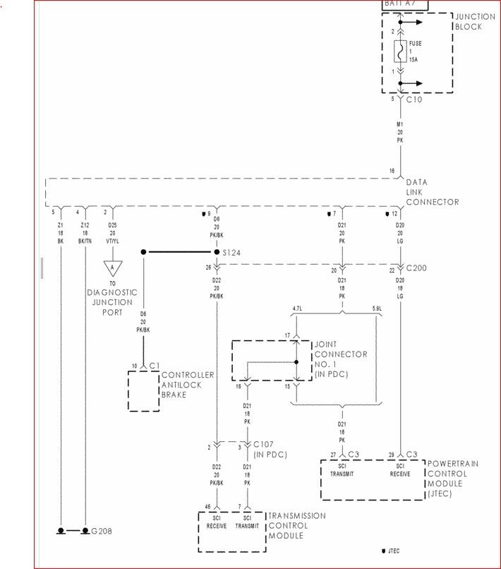
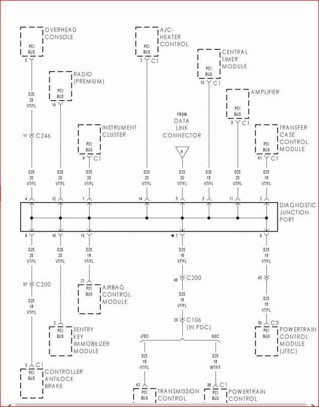
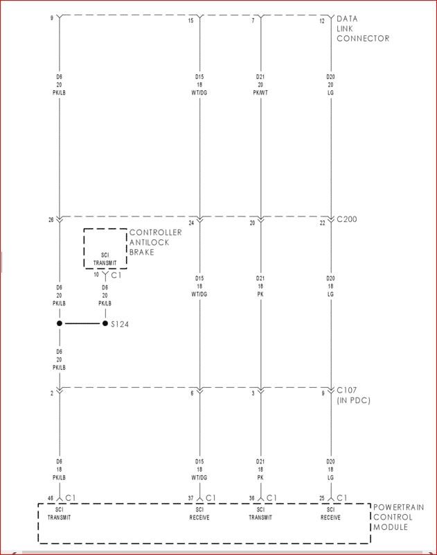
The other major possibility is the bus is shorted to ground. I have included your wiring diagram. If you go to the DLC and measure the PCI bus for a short to ground and then check your SCI communication wires as well.
However, the best way is to hook a scan tool to your DLC and see if you can even communicate with the PCM. My guess is you will not be able to and as long as you don't have a short to ground on your bus, the PCM is most likely your issue.
Here are some links to helpful resources if you want to start tackling this:
https://www.2carpros.com/articles/how-to-check-wiring
https://www.2carpros.com/articles/how-to-use-a-voltmeter
Images (Click to enlarge)
Apr 17, 2019 at 1:26 PM