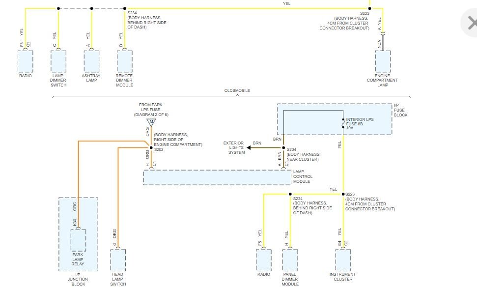
new battery, new cables, ground and positive to starter and to power distributor box at firewall... no power on the inside of the firewall except the check engine and oil pressure lights are on all the time key or not, I have tried everything , I'm at my wits end this problem just...
I'm a mechanic for a living, but working on my own car doesn't pay the bills and i have never been stumped like this before, anybody got any ideas?
I'm a mechanic for a living, but working on my own car doesn't pay the bills and i have never been stumped like this before, anybody got any ideas?
Jan 4, 2021 at 5:25 AM







