Starter not working

2000 OLDSMOBILE INTRIGUE
186,000 MILES • 3.5L • V6 • 2WD • AUTOMATIC
Avatar
CHARLIE SHARP
  • MEMBER
  • 1 POST
No crank. Battery is good. No power at the s wire on the starter. All fuses and relays are good. New ignition switch. Replaced fuel pump and crank sensor for different problems lately. No codes. Grounds are good. Using power probe on the s terminal car starts. Runs for twenty seconds. At the end of my thoughts.
Sep 23, 2018 at 7:53 PM
Advertisement
Avatar
STRAILER
  • CERTIFIED EXPERT
  • 53,854 POSTS
Hello,

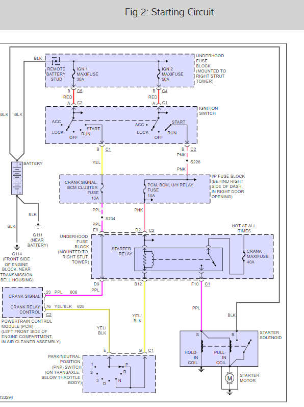
This sounds like the neutral safety switch or starter relay is not working. Can you try putting the gear selector in neutral to see if the starter works? If not we are losing power somewhere. Here is a wiring diagrams and two guides that will help us get the problem fixed:

https://www.2carpros.com/articles/how-to-use-a-test-light-circuit-tester

and

https://www.2carpros.com/articles/starter-not-working-repair

Here are the starter wiring diagrams and relay location below.

Check out the diagrams (below). Let us know what happens and please upload pictures or videos of the problem.

Cheers, Ken
Sep 25, 2018 at 11:05 AM