Drivers side headlights not working?

2018 CHEVROLET MALIBU
90,000 MILES • 1.5L • 4 CYL • TURBO • 2WD • AUTOMATIC
Avatar
MARKN60
  • MEMBER
  • 2 POSTS
I changed the bulb and checked the fuses. Have power at bulb socket. Think I might have a bad ground? Was wondering if I could get a wiring diagram? Thanks
Oct 16, 2024 at 2:13 PM
Advertisement
Avatar
STRAILER
  • CERTIFIED EXPERT
  • 53,854 POSTS
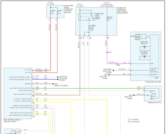
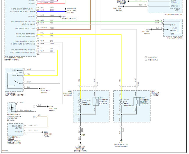
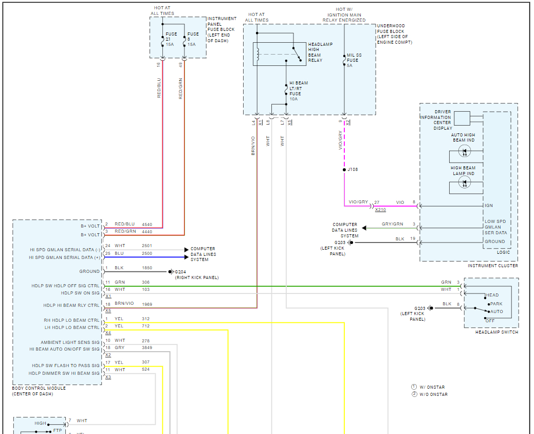
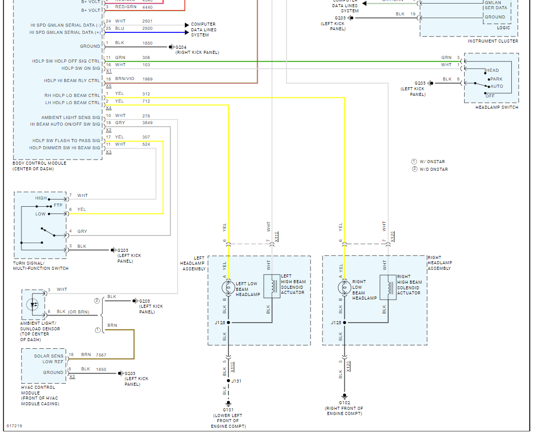
Yep, if you have power the problem can only be the ground, this guide can help you test it, and I have included the headlamp wiring diagrams below.


https://www.2carpros.com/articles/how-to-use-a-test-light-circuit-tester

Check out the images (below). Please let us know what happens.
Oct 16, 2024 at 7:10 PM
Avatar
MARKN60
  • MEMBER
  • 2 POSTS
Thanks Ken. I'll let you know how it goes.
Oct 18, 2024 at 10:26 AM
Advertisement
Avatar
STRAILER
  • CERTIFIED EXPERT
  • 53,854 POSTS
Sounds good, have a great weekend!
Oct 18, 2024 at 11:17 AM