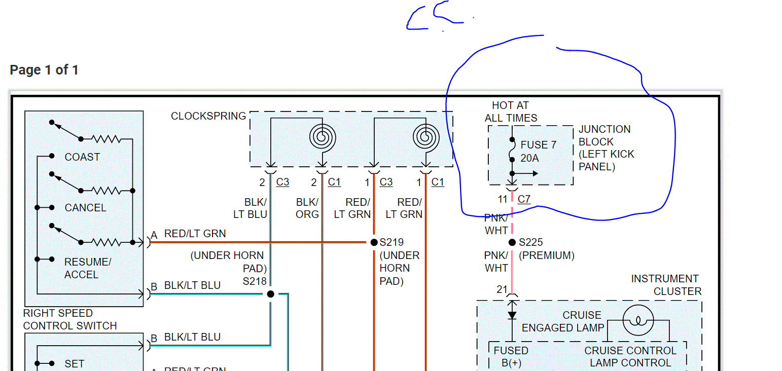
My car one day it went crazy. The wipers and cruise control stopped working, and the right front signal blinks fast in the car but doesn't come on. I checked all the fuses inside the car and under the hood all were good. Checked the old bulb in the driver side signal and it worked fine. Also checked the wiper motor seemed okay. I know a little bit about cars but that's where I'm at. Thank goodness for Rainex.
Oct 26, 2020 at 12:45 AM



