Power windows, rear AC and dome light not working, compass does not read correctly

2001 FORD EXPEDITION
150,000 MILES • 5.4L • V8 • 2WD • AUTOMATIC
Avatar
SCOTTY ZOOK
  • MEMBER
  • 2 POSTS
My power windows, rear AC and dome light do not work at all and my compass just reads -40 degrees south. All of the fuses are good the only thing left I believe is a relay or I do not talk to wire somewhere and only place I could be is underneath the dash where there is a bunch of alarm wires. Please help please help.
Jul 15, 2018 at 6:34 AM
Advertisement
Avatar
STRAILER
  • CERTIFIED EXPERT
  • 53,854 POSTS
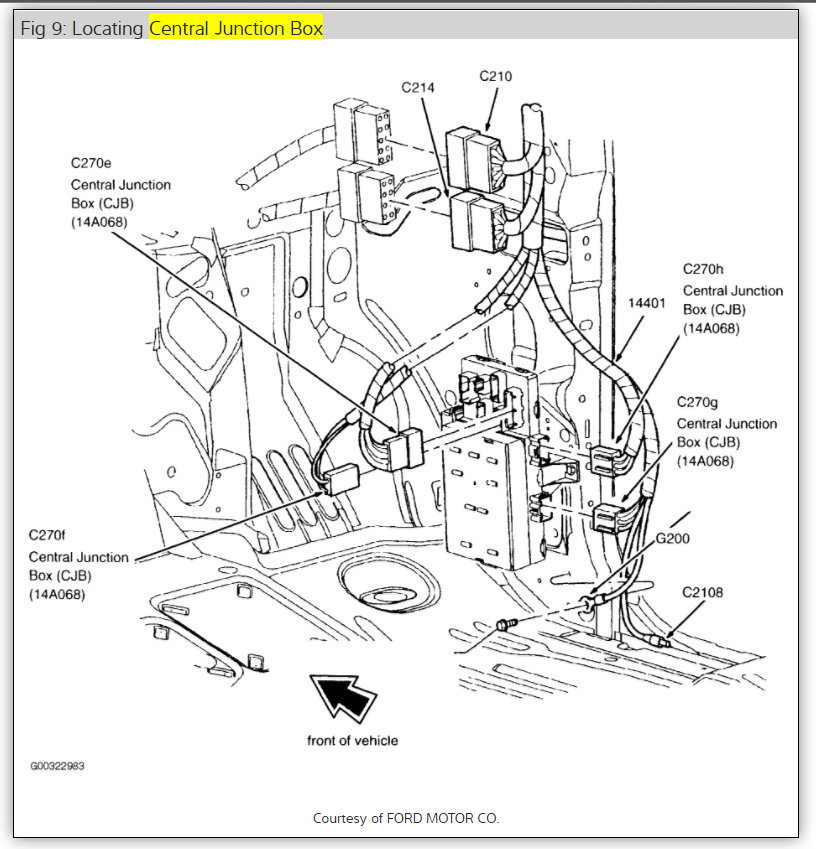
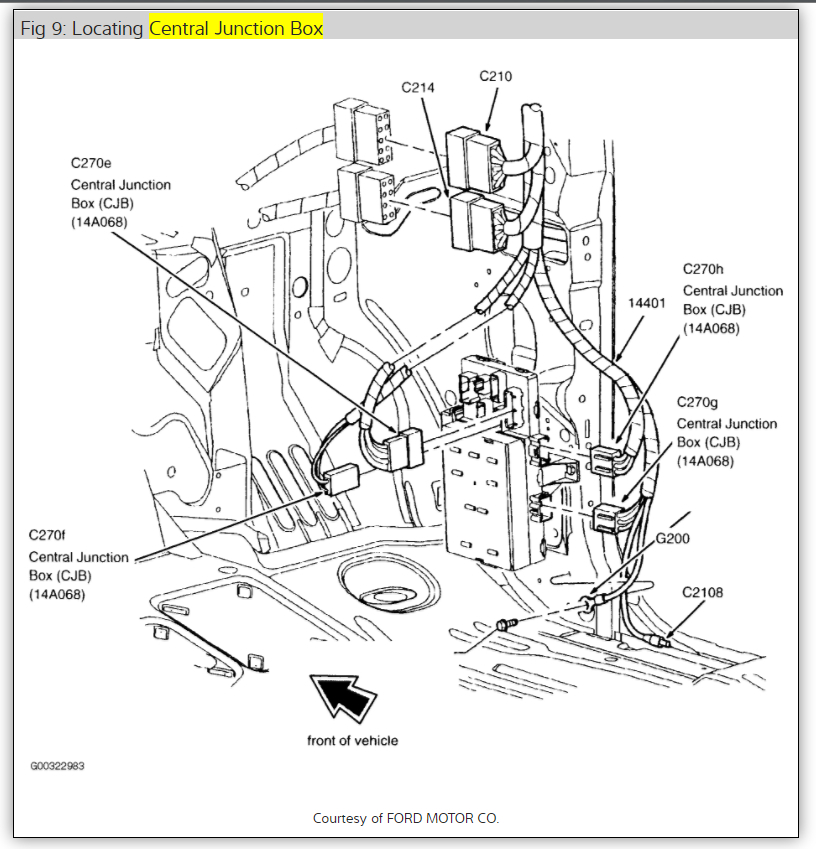
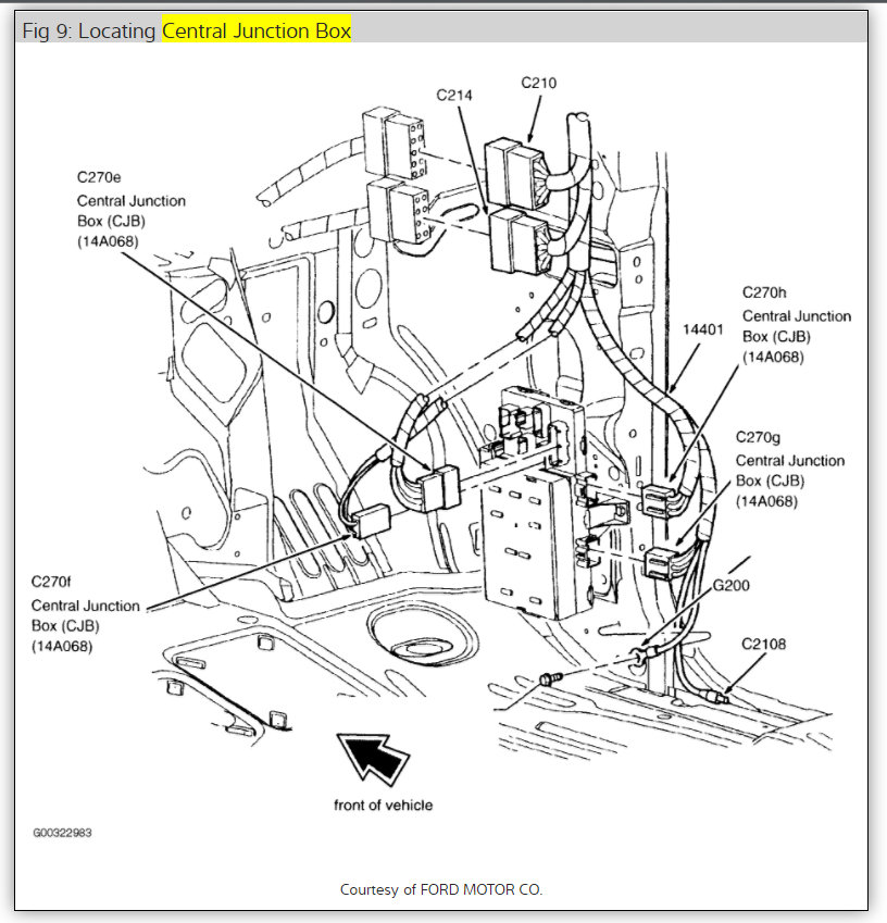
Hello, there are three relays that need to be checked. Here is a guide to help you and a window wiring diagram so you can see which relays to check and I have included the location of the relays as well:

https://www.2carpros.com/articles/how-to-check-an-electrical-relay-and-wiring-control-circuit

Check out the diagrams (below). Please run some tests and get back to us.

Cheers, Ken
Jul 17, 2018 at 12:14 PM